GM Service Manual Online
For 1990-2009 cars only
Makes
🢒
Oldsmobile
🢒
1999
🢒
Eighty Eight
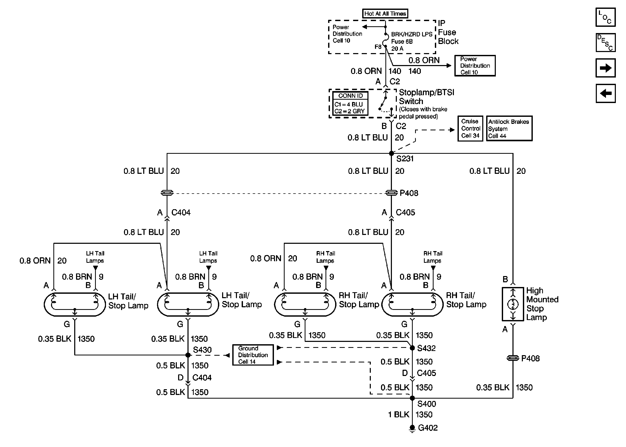
🢒 Cell 110: Stoplamp/BTSI Switch
Cell 110: Stoplamp/BTSI Switch
Cell 110: Stoplamp/BTSI Switch
Lighting Systems Components
Exterior Lights Circuit Description
Cell 110: Front Park/Turn and Side Marker Lamps, Turn Indicators
Cell 110: Turn/Hazard Switch
Power Distribution Schematics
Antilock Brake System Schematics
Cruise Control Schematics
Power Distribution Schematics
Ground Distribution Schematics
Tilt Wheel/Column Connector End Views