GM Service Manual Online
For 1990-2009 cars only
Makes
🢒
Oldsmobile
🢒
1998
🢒
Intrigue
🢒
Body and Accessories
🢒
Stationary Windows
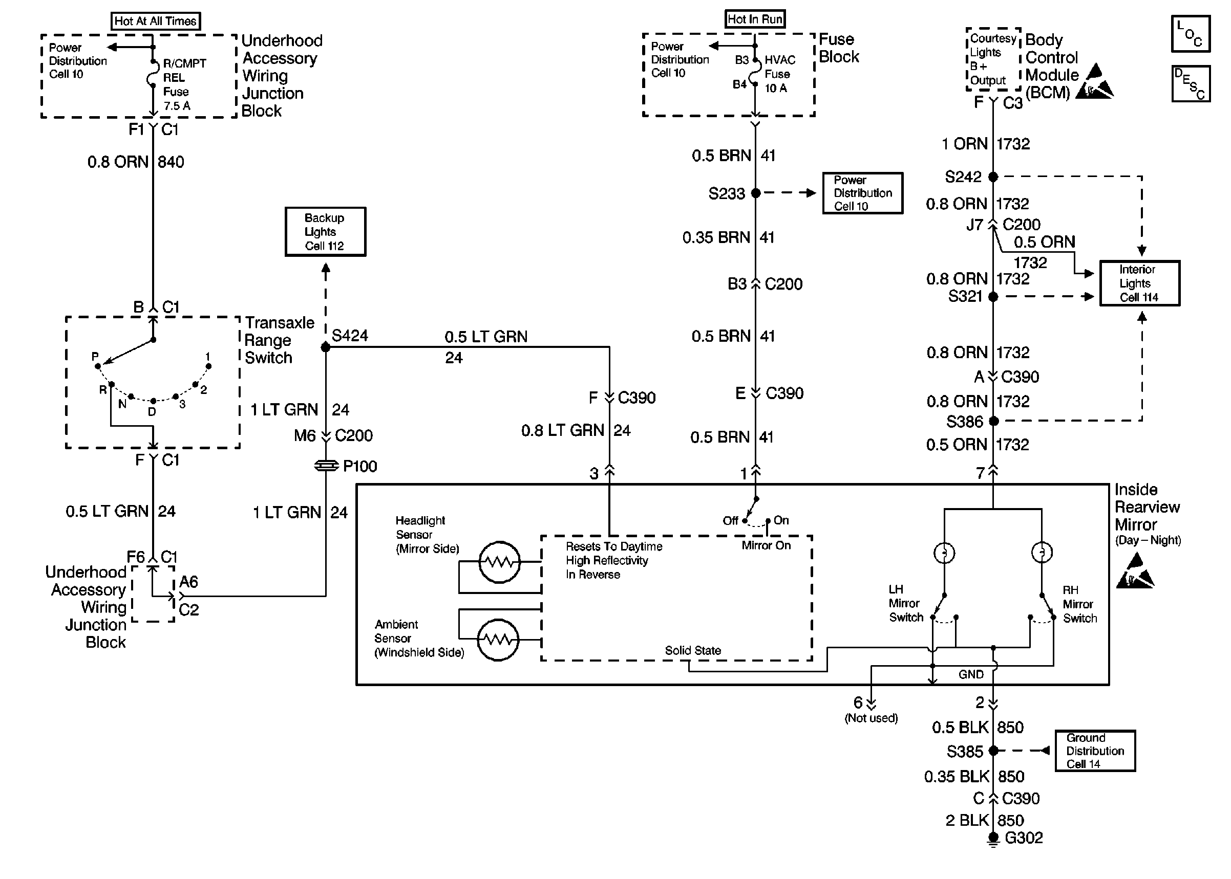
🢒 Automatic Day-Night Mirrors Schematics
Cell 148
Cell 10: R/CMPT REL, ECM, GEN, F/PMP, A/C CLU, And HORN Fuses
Cell 10: LOW BLOWER, CRUISE, And HVAC Fuses
Cell 10: LOW BLOWER, CRUISE, And HVAC Fuses
Stationary Windows Components
Automatic Day-Night Mirrors Circuit Description
Cell 14: RH Body Harness Ground G302