GM Service Manual Online
For 1990-2009 cars only
Makes
🢒
Oldsmobile
🢒
1998
🢒
Intrigue
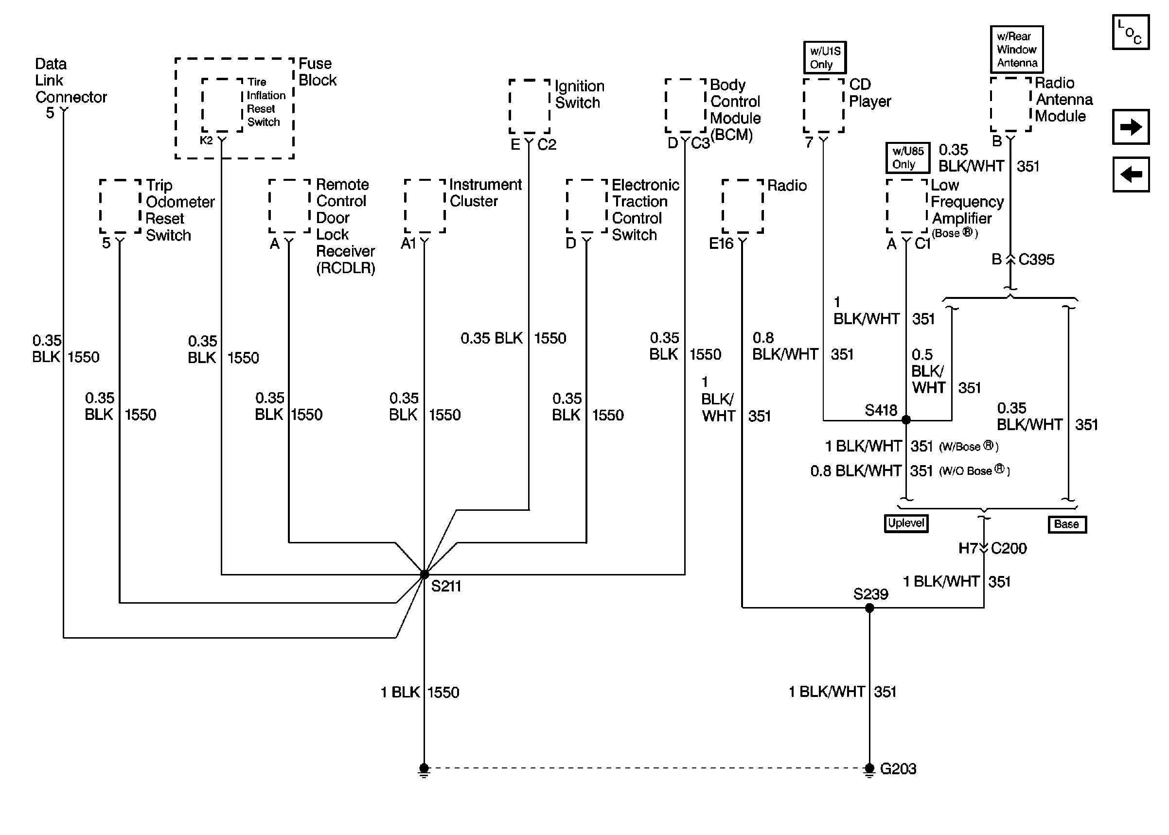
🢒 Cell 14: LH I/P Ground G203
Cell 14: LH I/P Ground G203
Cell 14: LH I/P Ground G203
Power and Grounding Components
Cell 14: LH Body Harness Ground G301
Cell 14: LH I/P Ground G201