GM Service Manual Online
For 1990-2009 cars only

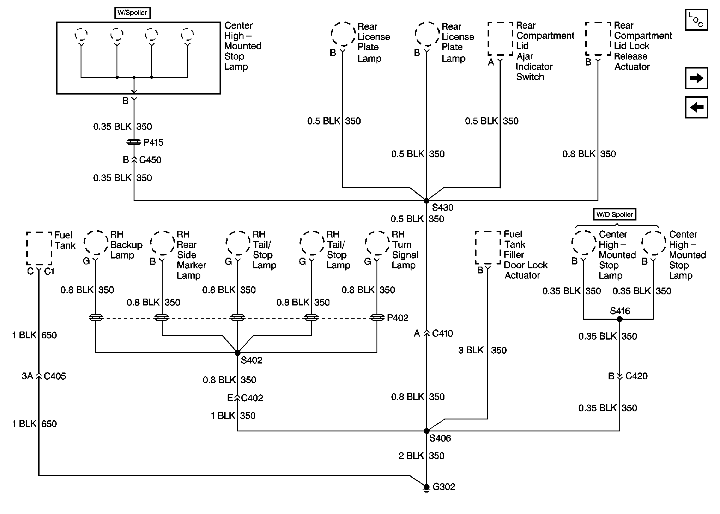
Cell 14: RH Body Harness Ground G302

Cell 14: RH Body Harness Ground G302


Object Number: 293851  Size: FS
Power and Grounding Components
Cell 14: LH Rear Compartment Ground G401
Cell 14: RH Body Harness Ground G302