GM Service Manual Online
For 1990-2009 cars only

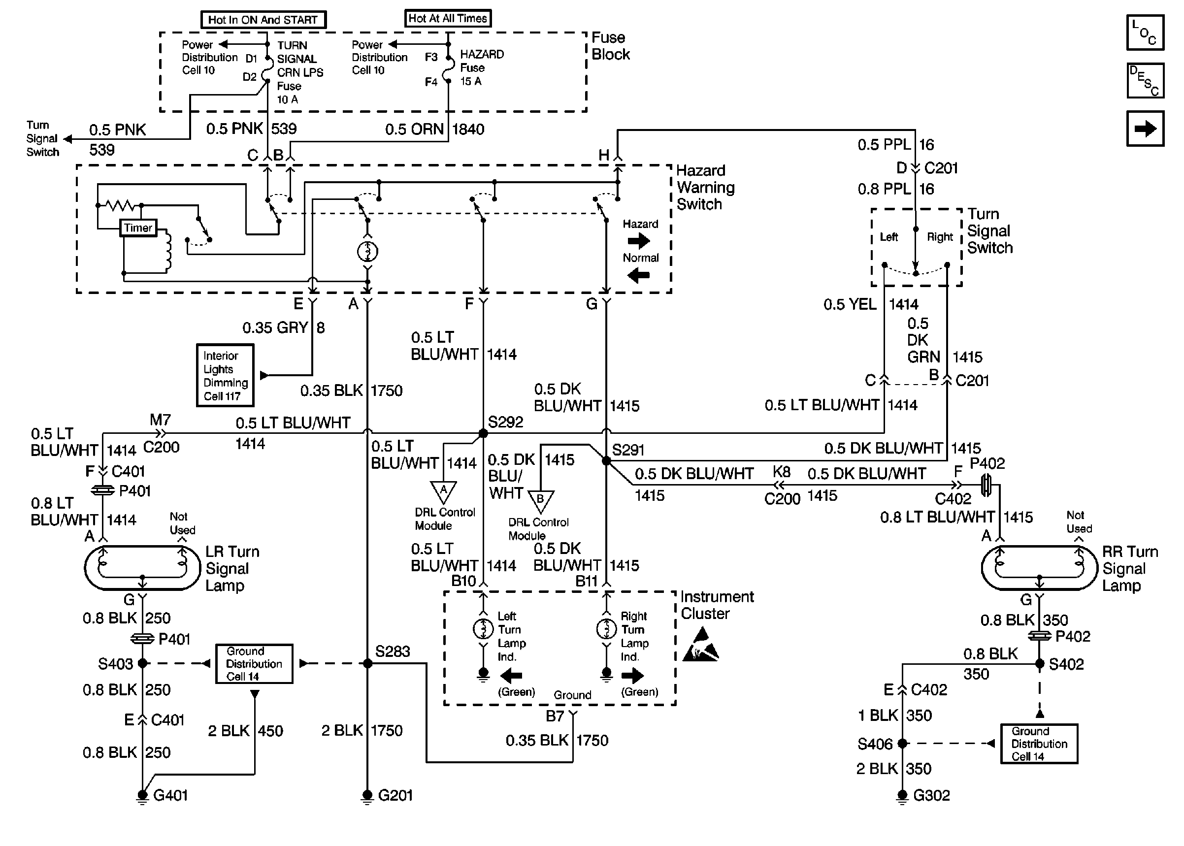
Cell 110: Power Distribution, Hazard Warning Switch, Turn Signal Switch, Turn Signal Lamps and Ground Distribution

Cell 110: Power Distribution, Hazard Warning Switch, Turn Signal Switch, Turn Signal Lamps and Ground Distribution


Object Number: 308568  Size: FS
Lighting Systems Components
Exterior Lights Circuit Description
Cell 110: Headlamp Switch, DRL Control Module, BCM and Ground Distribution
Handling Electrostatic Discharge Sensitive Parts Notice
Ground Distribution Schematics
Ground Distribution Schematics
Interior Lights Dimming Schematics
Power Distribution Schematics
Power Distribution Schematics
Power Distribution Schematics