GM Service Manual Online
For 1990-2009 cars only
Makes
🢒
Oldsmobile
🢒
1998
🢒
Intrigue
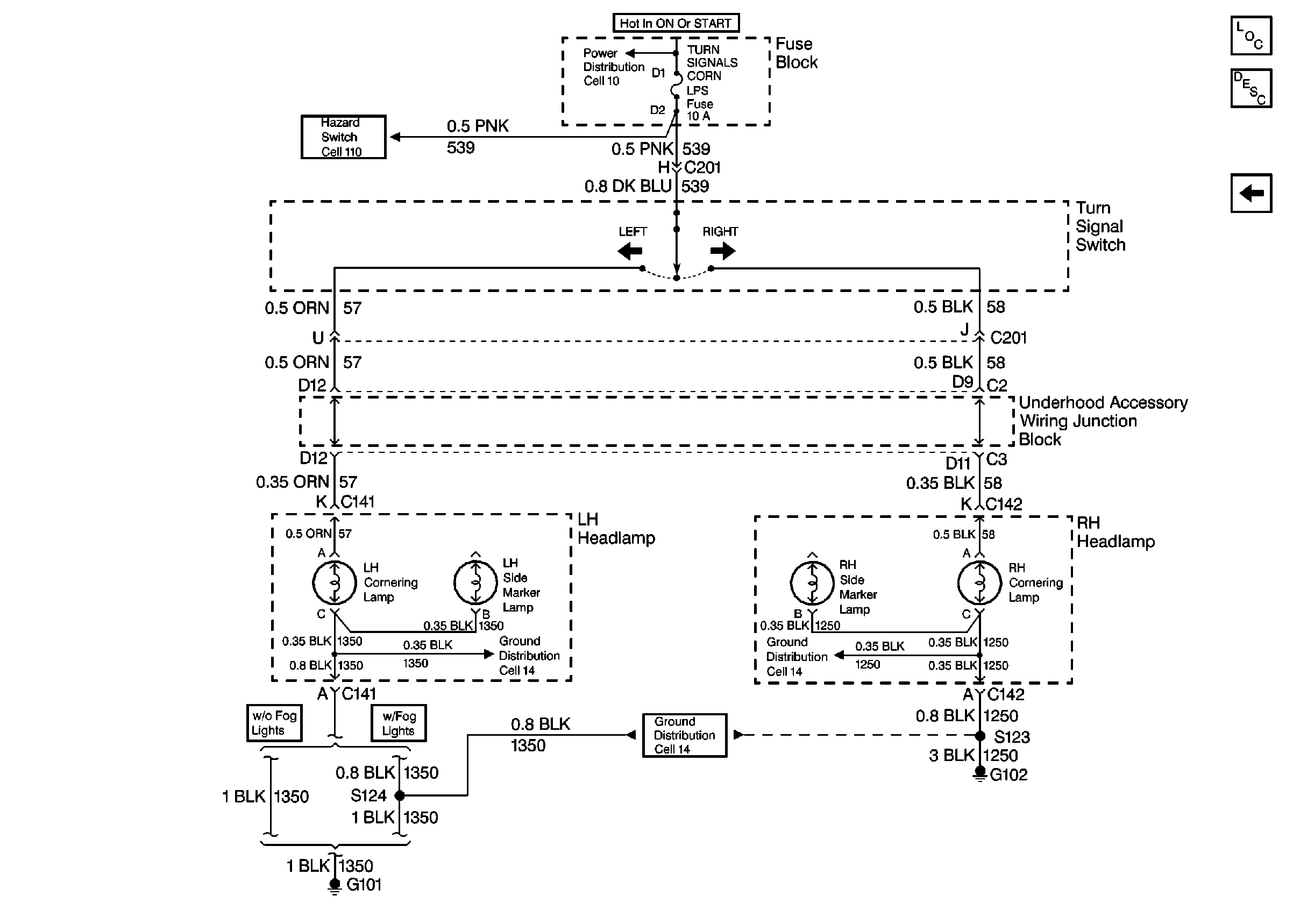
🢒 Cell 110: Cornering Lights
Cell 110: Cornering Lights
Cell 110: Cornering Lights
Lighting Systems Components
Exterior Lights Circuit Description
Cell 110: Tail/Stop and CHMSL
Exterior Lights Schematics
Power Distribution Schematics
Ground Distribution Schematics
Ground Distribution Schematics
Ground Distribution Schematics