GM Service Manual Online
For 1990-2009 cars only

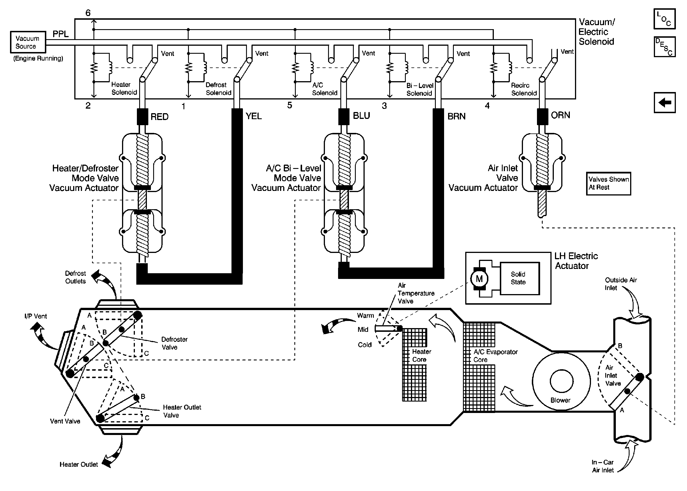
Cell 65: Air Delivery System

Cell 65: Air Delivery System


Object Number: 308540  Size: FS
HVAC Components
HVAC Air Delivery/Temperature Control Circuit Description
Cell 65: Vacuum/Electric Solenoid
Functional Check