GM Service Manual Online
For 1990-2009 cars only
Makes
🢒
Oldsmobile
🢒
1999
🢒
Intrigue
🢒
Engine
🢒
Engine Cooling
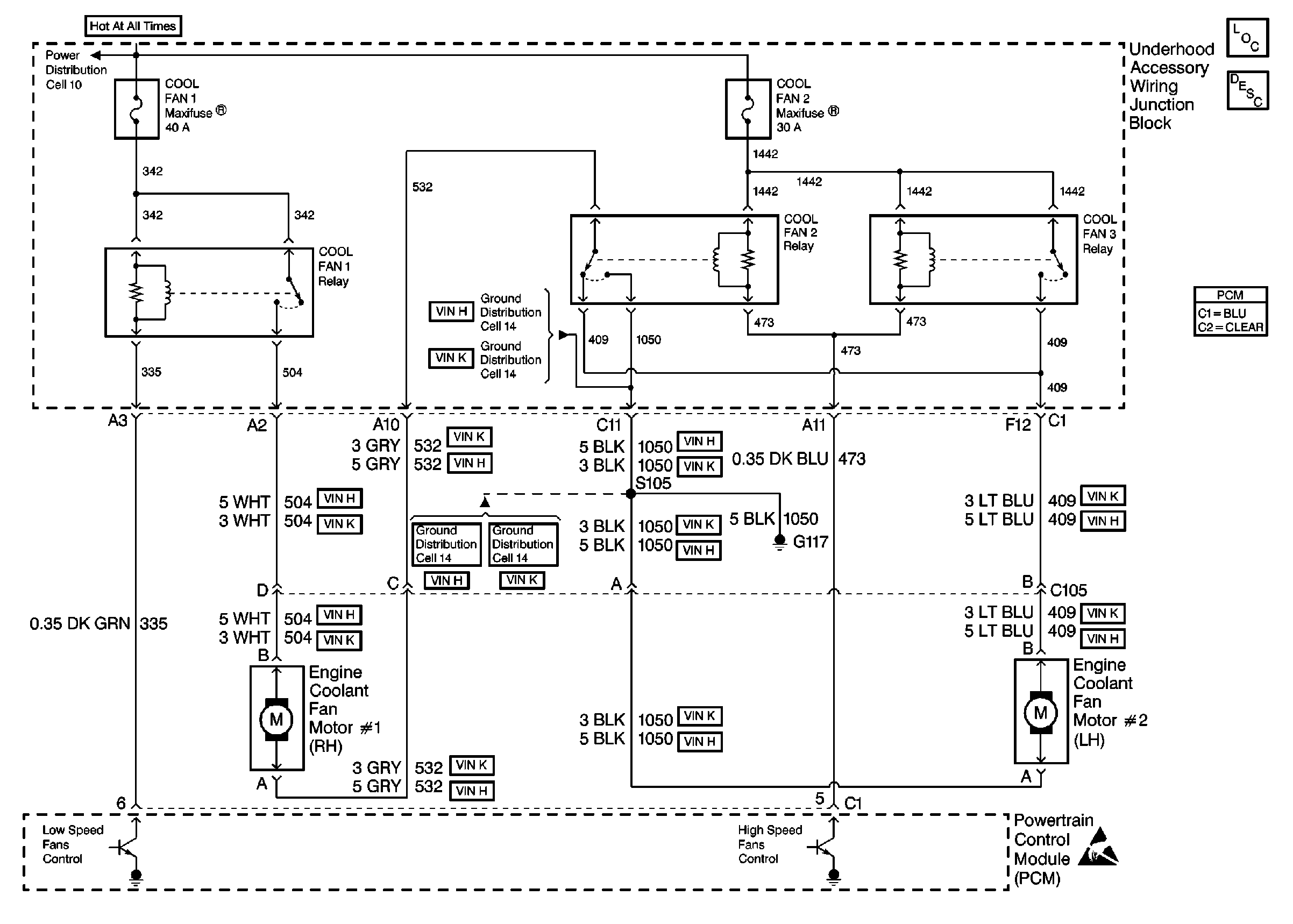
🢒 Cooling Fan Schematics
Cell 31
Cooling System Components
Engine Cooling Fan Description - Electric
Cell 10: Underhood Accessory Wiring Junction Block
Powertrain Control Module Connector End Views
Powertrain Control Module Connector End Views
Cell 14: L36 Engine Ground G117
Cell 14: LX5 Engine Ground G117
Cell 14: L36 Engine Ground G117
Cell 14: LX5 Engine Ground G117
Handling Electrostatic Discharge Sensitive Parts Notice