GM Service Manual Online
For 1990-2009 cars only

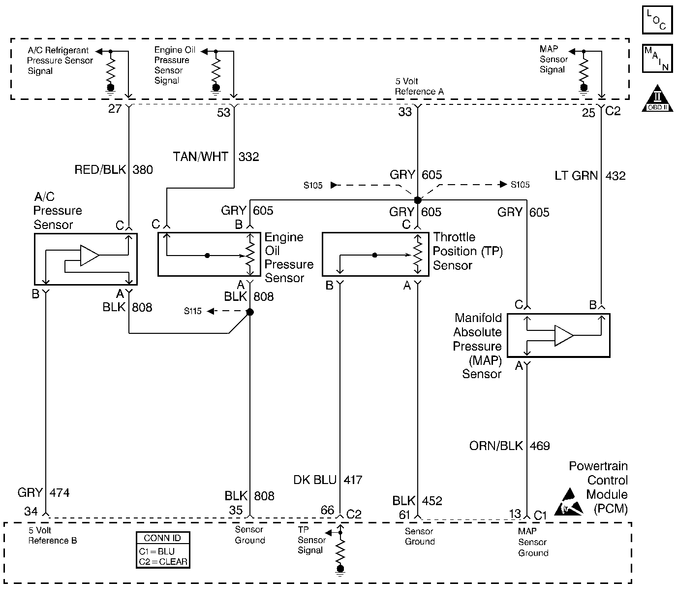
Object Number: 405565  Size: LF
Engine Controls Components
OBD II Symbol Description Notice
Cell 20: Sensors
Handling ESD Sensitive Parts Notice

Step

Action

Value(s)

Yes

No

1

Was the Powertrain On Board Diagnostic System Check performed?

--

Go to Step 2

Go to Powertrain On Board Diagnostic (OBD) System Check

2

  1. Check for the following conditions:
  2. •  MAP sensor seal missing or damaged.
    •  Vacuum hoses disconnected, damaged, incorrectly routed.
    •  Intake manifold vacuum leaks.
    •  Vacuum leaks at throttle body.
    •  Vacuum leaks at EGR valve flange and pipes.
    •  Positive crankcase ventilation valve faulty, missing, or incorrectly installed.
  3. If a problem is found, repair as necessary.

Was a problem found?

--

Go to Step 14

Go to Step 3

3

  1. Disconnect the MAP sensor electrical connector.
  2. Observe the MAP value displayed on the scan tool.

Is the MAP value near the specified value?

0.0V

Go to Step 4

Go to Step 12

4

  1. Connect a test lamp between battery positive voltage and the MAP sensor signal circuit at the MAP sensor harness connector.
  2. Observe the MAP value displayed on the scan tool.

Is the MAP value near the specified value?

4.95V

Go to Step 5

Go to Step 8

5

  1. Jumper the 5 volt reference A circuit and the MAP signal circuit together at the MAP sensor harness connector.
  2. Observe the MAP value displayed on the scan tool.

Is MAP value near the specified value?

4.95V

Go to Step 6

Go to Step 7

6

  1. Turn the ignition off.
  2. Disconnect the PCM and check the sensor ground circuit for high resistance, an open between the PCM and the MAP sensor or for a poor connection at the PCM.
  3. If a problem is found, repair as necessary. Refer to Intermittents and Poor Connections Diagnosis .

Was a problem found?

--

Go to Step 14

Go to Step 10

7

  1. Check the 5 volt reference A circuit for high resistance, an open between the PCM and the MAP sensor or a poor connection at the PCM.
  2. If a problem is found, repair as necessary. Refer to Intermittents and Poor Connections Diagnosis .

Was a problem found?

--

Go to Step 14

Go to Step 9

8

  1. Turn the ignition off.
  2. Disconnect the PCM, and check the MAP sensor signal circuit for high resistance, an open, a short to ground, or a short to the sensor ground circuit.
  3. If a problem is found, repair as necessary. Refer to Wiring Repairs .

Was a problem found?

--

Go to Step 14

Go to Step 9

9

  1. Check the MAP sensor signal circuit for a poor connection at the PCM
  2. If a problem is found, repair as necessary. Refer to Intermittents and Poor Connections Diagnosis .

Did the terminal require replacement?

--

Go to Step 14

Go to Step 13

10

  1. Check for a poor connection at the MAP sensor.
  2. If a problem is found, repair as necessary. Refer to Intermittents and Poor Connections Diagnosis .

Was a problem found?

--

Go to Step 14

Go to Step 11

11

Replace the MAP sensor. Refer to Manifold Absolute Pressure Sensor Replacement .

Is the action complete?

--

Go to Step 14

--

12

  1. Turn the ignition off.
  2. Disconnect the PCM.
  3. Turn the ignition on.
  4. Check the MAP signal circuit for a short to voltage or a short to the 5 volt reference A circuit.
  5. If a problem is found, repair as necessary. Refer to Wiring Repairs .

Was a problem found?

--

Go to Step 14

Go to Step 13

13

Important: : Replacement PCM must be programmed. Refer to Powertrain Control Module Replacement/Programming .

Replace the PCM.

Is the action complete?

--

Go to Step 14

--

14

Monitor MAP Sensor with scan tool while increasing engine RPM, with engine idling.

Does the MAP sensor value change?

--

System OK

Go to Step 2