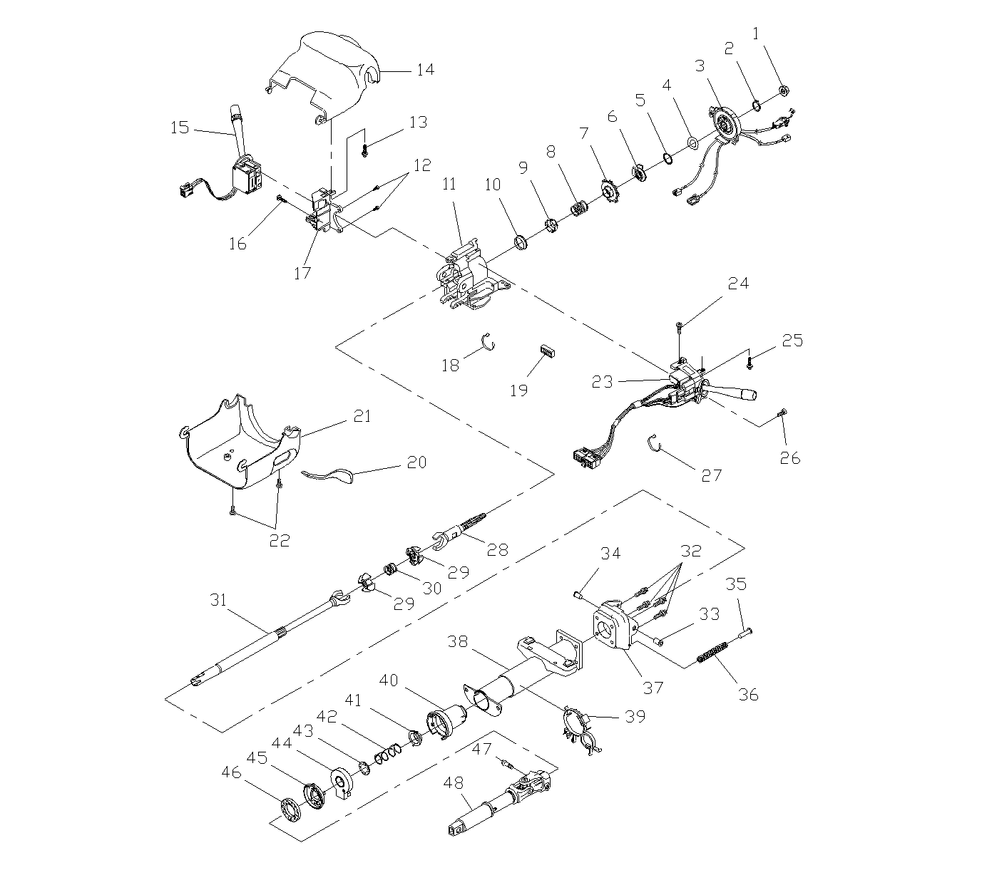
|
| (1) | Nut, Flange Prevail Torque |
| (2) | Retaining,
Ring |
| (3) | Coil Assembly, SIR |
| (4) | Washer, Wave |
| (5) | Retainer, Bearing |
| (6) | Plate, Cam
Orientation |
| (7) | Cam Assembly, Turn Signal Cancel |
| (8) | Spring, Upper Bearing |
| (9) | Seat,
Upper Bearing Inner Race |
| (10) | Race, Inner |
| (11) | Tilt Head Assembly, Steering Column |
| (12) | Screw, Pan Head Tapping |
| (13) | Screw, Torx Head |
| (14) | Shroud, Upper |
| (15) | Switch Assembly, Pivot and Pulse |
| (16) | Screw,
Pan Head Tapping |
| (17) | Bracket, Switch Mounting |
| (18) | Strap, Wire Harness |
| (19) | Spacer, Wire
Harness |
| (20) | Lever Assembly, Tilt |
| (21) | Shroud, Lower |
| (22) | Screw, Pan Head Tapping |
| (23) | Switch Assembly, Turn Signal and Multifunction |
| (24) | Screw, Pan Head Tapping |
| (25) | Screw, Torx Head |
| (26) | Screw, Pan Head Tapping |
| (27) | Strap, Wire Harness |
| (28) | Shaft Assembly,
Race and Upper |
| (29) | Sphere, Centering |
| (30) | Spring, Joint Preload |
| (31) | Shaft Assembly, Lower |
| (32) | Screw, Torx Head |
| (33) | Pin, Pivot |
| (34) | Pin, Pivot |
| (35) | Guide, Spring |
| (36) | Spring,
Tilt |
| (37) | Support Assembly, Steering Column |
| (38) | Jacket Assembly, Steering Shaft |
| (39) | Strap, Wire Harness |
| (40) | Bearing Assembly, Adapter and |
| (41) | Seat, Lower
Bearing |
| (42) | Spring, Lower Bearing |
| (43) | Retainer, Lower Spring |
| (44) | Sensor Assembly, Analog Extended Range |
| (45) | Retainer, Sensor |
| (46) | Seal, Steering
Shaft |
| (47) | Bolt, Pinch |
| (48) | Shaft, Intermediate Steering |