GM Service Manual Online
For 1990-2009 cars only

Cell 19


Object Number: 386919  Size: FS
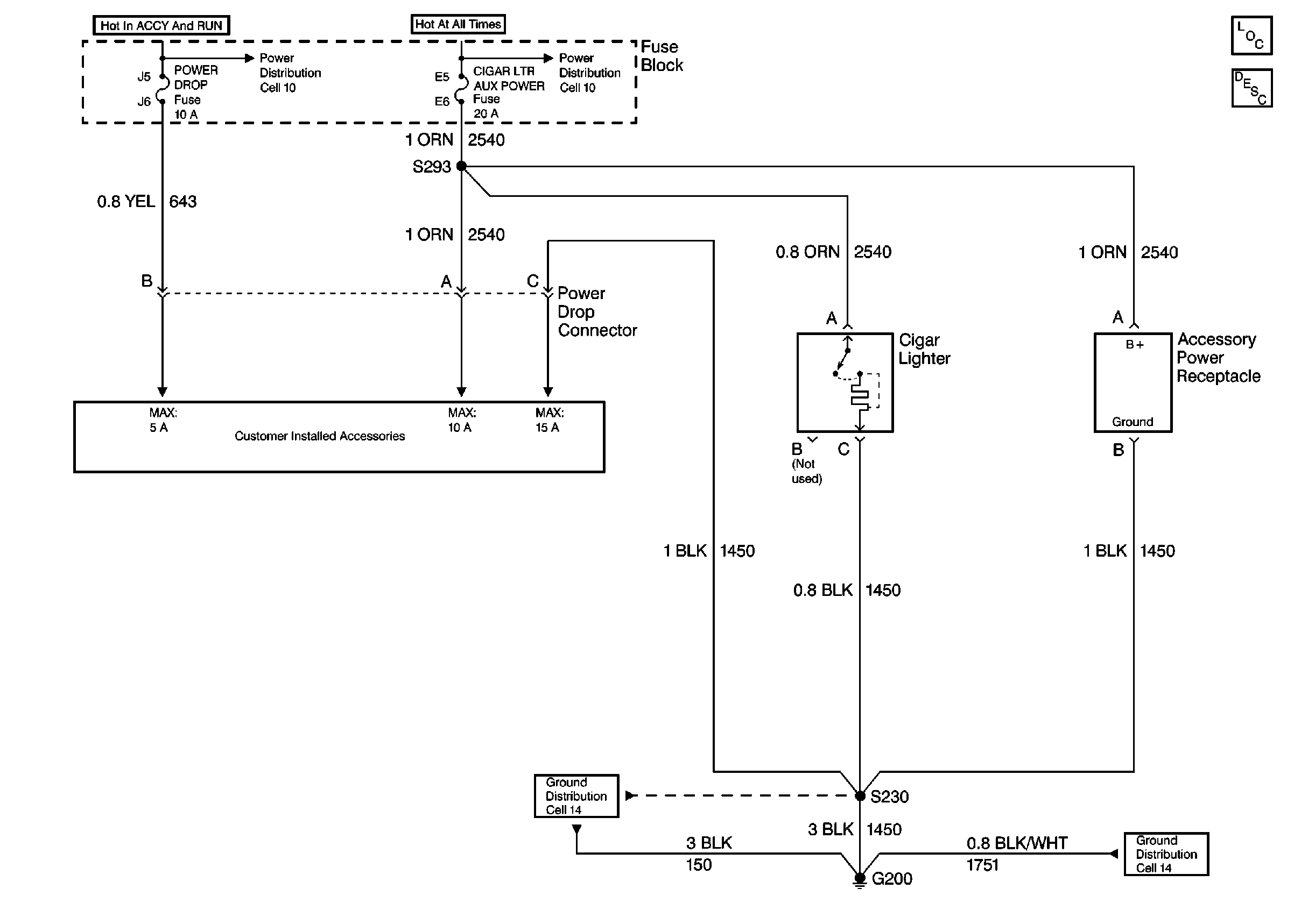
Power and Grounding Components
Cigar Lighter/Auxiliary Outlet Circuit Description
Cell 14: RH IP Ground G200
Cell 14: RH IP Ground G200
Cell 10: POWER DROP, RADIO CRUISE, RED STRG WHL ILLUM, and WIPER Fuses
Cell 10: ABS BCM, CD CHANGER, CIGAR LTR AUX POWER, INADV POWER BUS,and RADIO HVAC RFA CLUSTER DATA LINK Fuses