GM Service Manual Online
For 1990-2009 cars only
Makes
🢒
Oldsmobile
🢒
1999
🢒
Intrigue
🢒
Body and Accessories
🢒
Horns
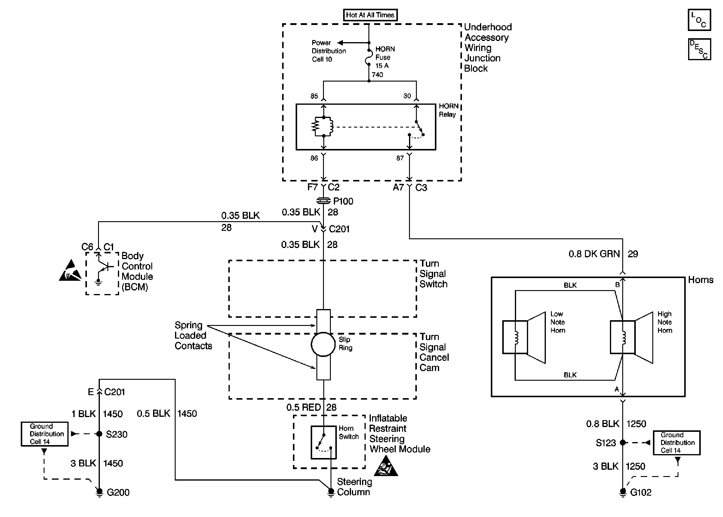
🢒 Horn Schematics
Cell 40
Horns Components
Handling ESD Sensitive Parts Notice
Cell 14: RH IP Ground G200
Cell 14: Forward Lamp Grounds G101, and G102
SIR Handling Caution
Horns Circuit Description
Cell 10: A/C CLU, ECM, F/PMP, GEN, HORN, and R/CMPT Fuses