GM Service Manual Online
For 1990-2009 cars only
Makes
🢒
Oldsmobile
🢒
1999
🢒
Intrigue
🢒
Body and Accessories
🢒
Doors
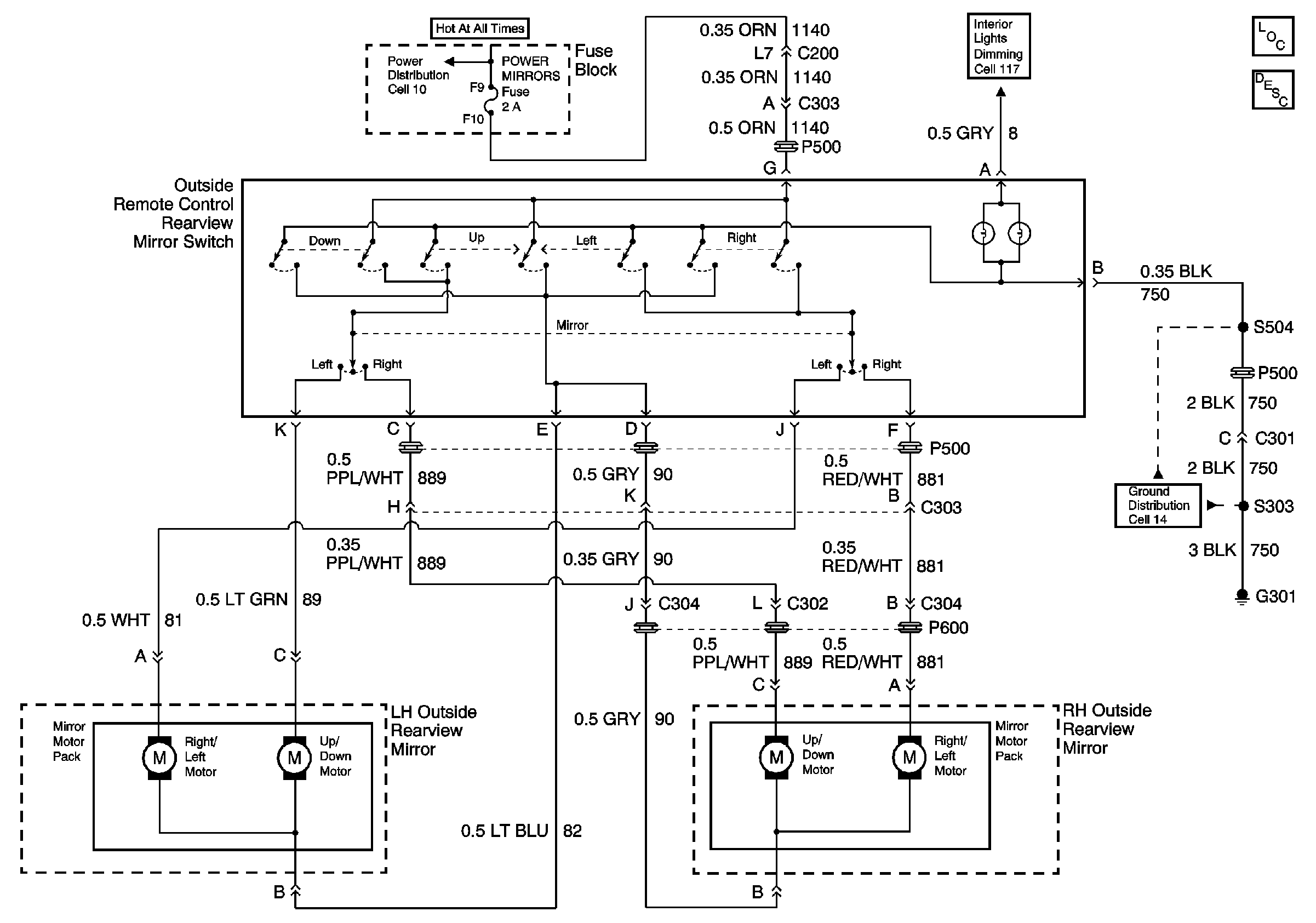
🢒 Outside Rearview Mirror Schematics
Cell 147
Power Door Systems Components
Outside Mirrors Circuit Description
Power Distribution Schematics
Interior Lights Dimming Schematics
Ground Distribution Schematics