GM Service Manual Online
For 1990-2009 cars only
Makes
🢒
Oldsmobile
🢒
1999
🢒
Intrigue
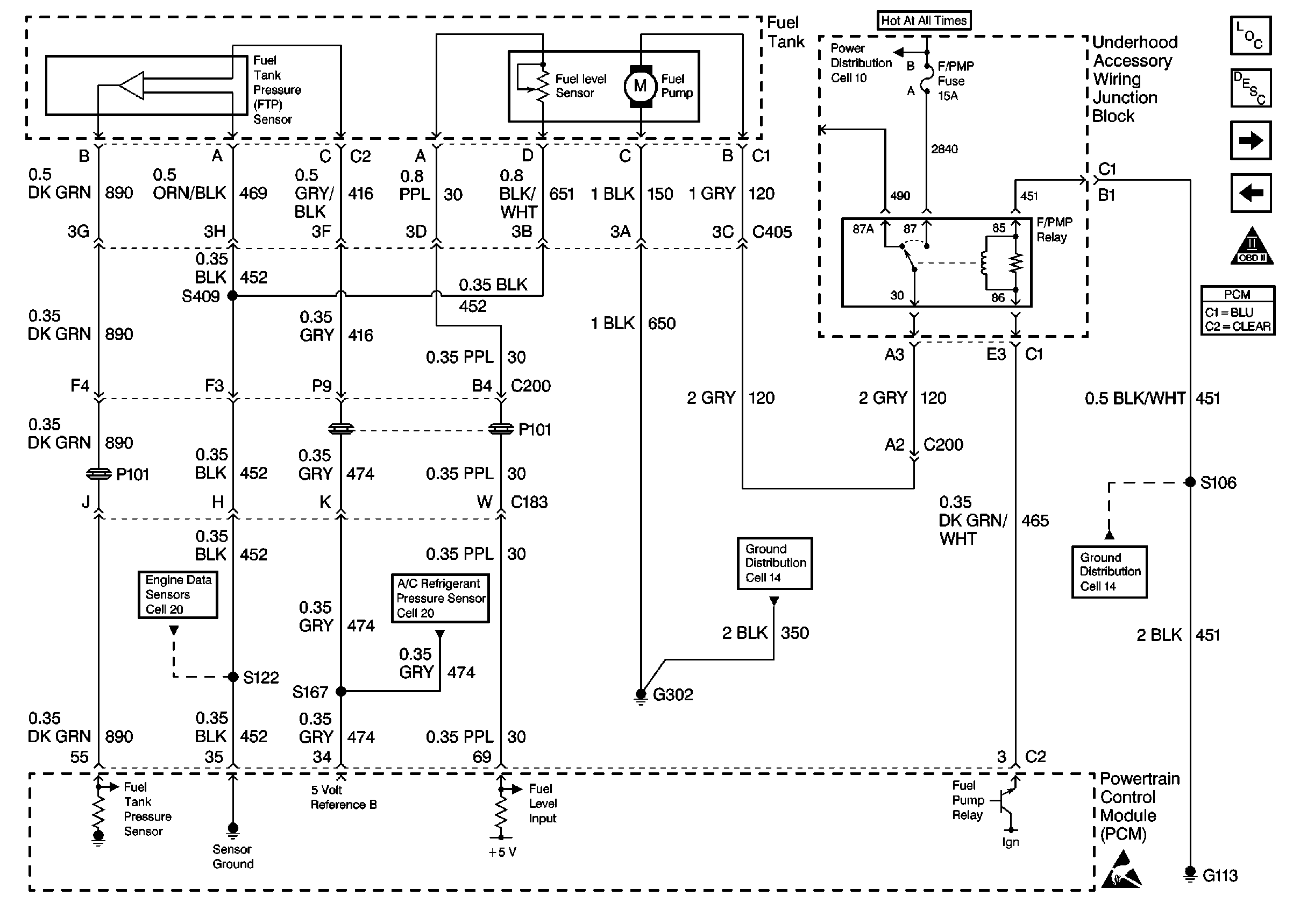
🢒 Fuel Tank, FTP Sensor, Fuel Pump
Fuel Tank, FTP Sensor, Fuel Pump
Fuel Pump and Fuel Level Sensors
Engine Controls Components
Information Sensors/Switches Description
Fuel Injectors 1 thru 6
CKP/CMP/KS (98 W OLDS 3.5L LX5)
OBD II Symbol Description Notice
Handling ESD Sensitive Parts Notice