GM Service Manual Online
For 1990-2009 cars only
Makes
🢒
Oldsmobile
🢒
1999
🢒
Intrigue
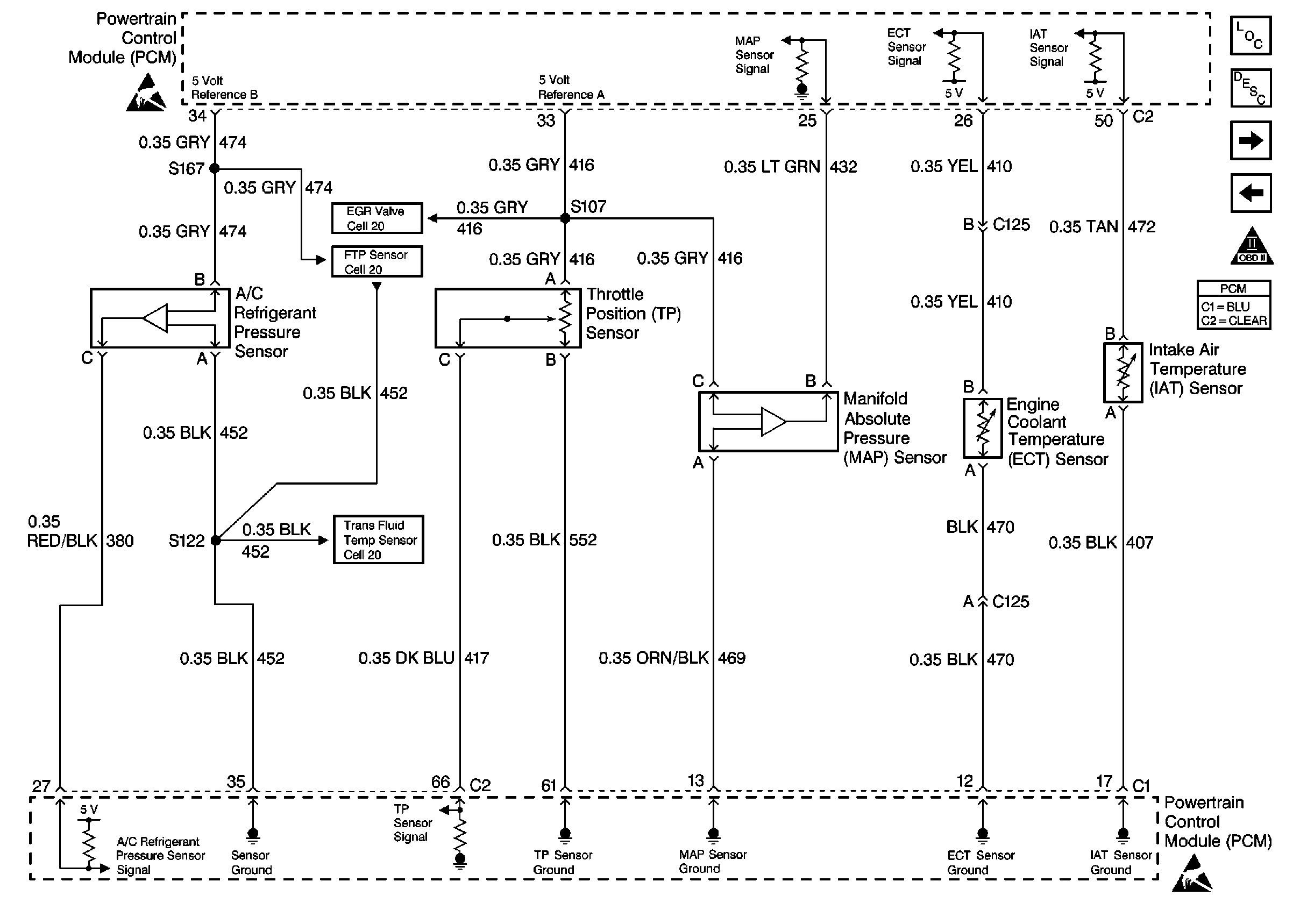
🢒 A/C Refrigerant Pressure Sensor, TP Sensor, Map Sensor, ECT Sensor, IAT sensor
A/C Refrigerant Pressure Sensor, TP Sensor, Map Sensor, ECT Sensor, IAT sensor
Engine Data Sensors
Engine Controls Components
Information Sensors/Switches Description
(HO2S) #1, (HO2S) #2
Cruise Control Module, Vehicle Speed Sensor (VSS)
OBD II Symbol Description Notice
Handling ESD Sensitive Parts Notice
Handling ESD Sensitive Parts Notice