GM Service Manual Online
For 1990-2009 cars only
Makes
🢒
Oldsmobile
🢒
1999
🢒
Intrigue
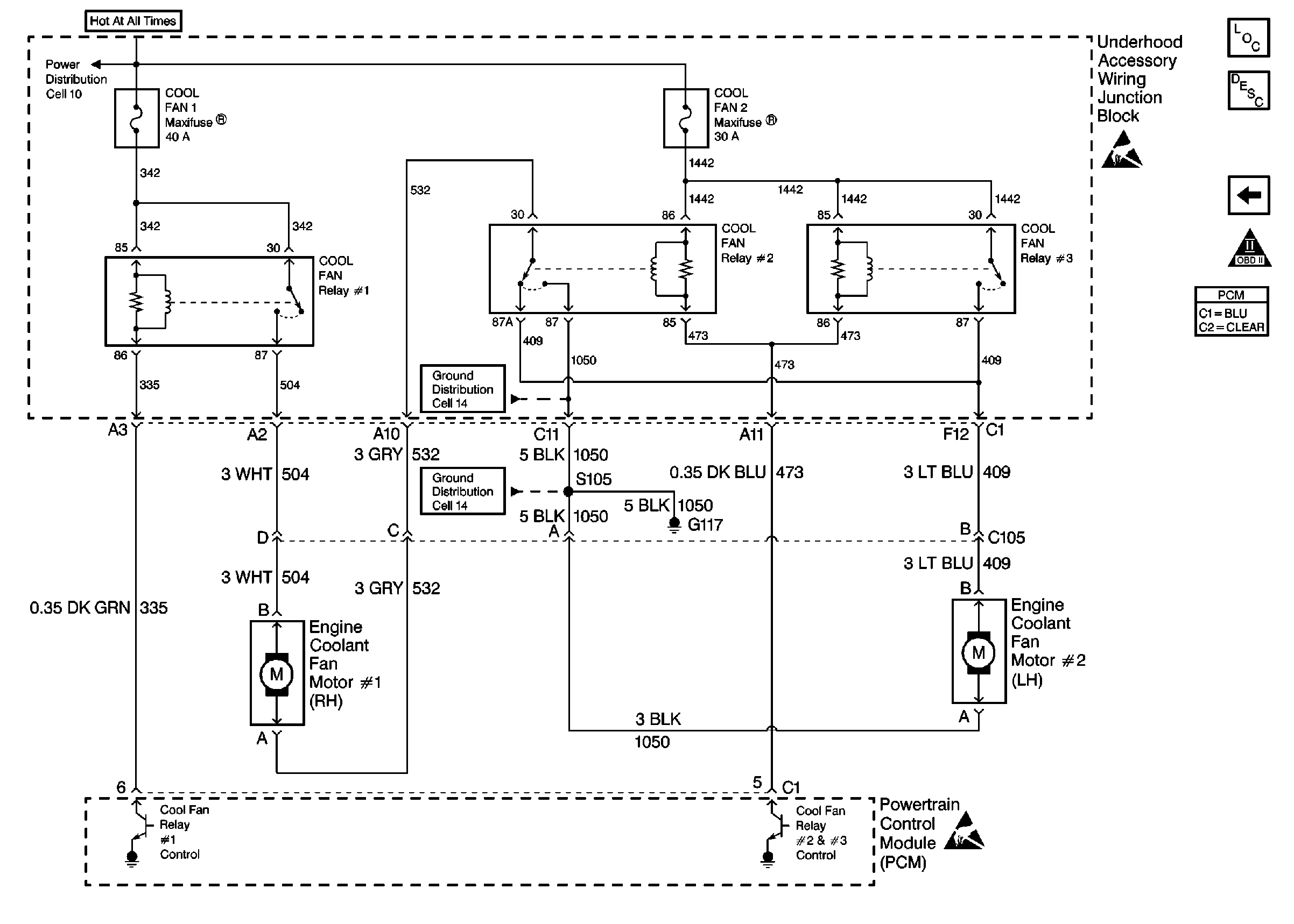
🢒 Engine Coolant Fan Motor #1 (RH), Engine Coolant Fan Motor #2 (LH)
Engine Coolant Fan Motor #1 (RH), Engine Coolant Fan Motor #2 (LH)
Engine Cooling Fan Controls
Engine Controls Components
Information Sensors/Switches Description
Heater A/C Control, A/C Compressor Clutch Coil
OBD II Symbol Description Notice
Handling ESD Sensitive Parts Notice
Handling ESD Sensitive Parts Notice