GM Service Manual Online
For 1990-2009 cars only
Makes
🢒
Oldsmobile
🢒
1999
🢒
Intrigue
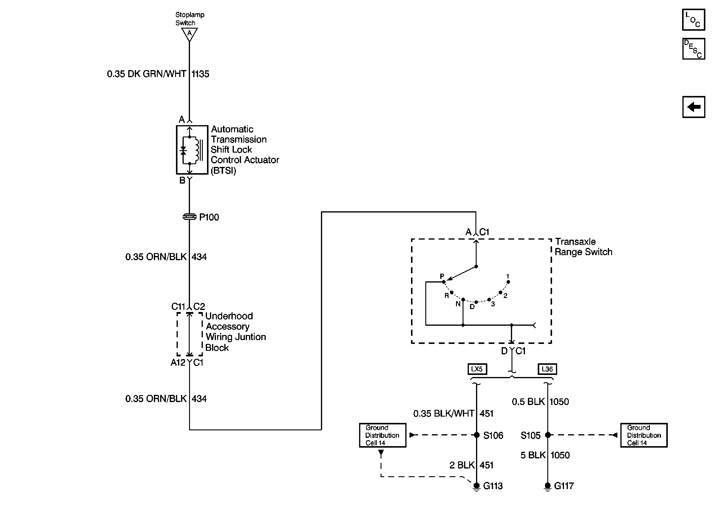
🢒 Cell 138: BTSI, Transaxle Range Switch and Ground Distribution
Cell 138: BTSI, Transaxle Range Switch and Ground Distribution
Cell 138: BTSI, Transaxle Range Switch and Ground Distribution
Tilt Wheel/Column Components
Automatic Transmission Shift Lock Control Circuit Description
Cell 138: Power Distribution and Stop Lamp Switch
Ground Distribution Schematics
Ground Distribution Schematics