GM Service Manual Online
For 1990-2009 cars only
Makes
🢒
Oldsmobile
🢒
1999
🢒
Intrigue
🢒 Cell 68
Cell 68
Cell 68
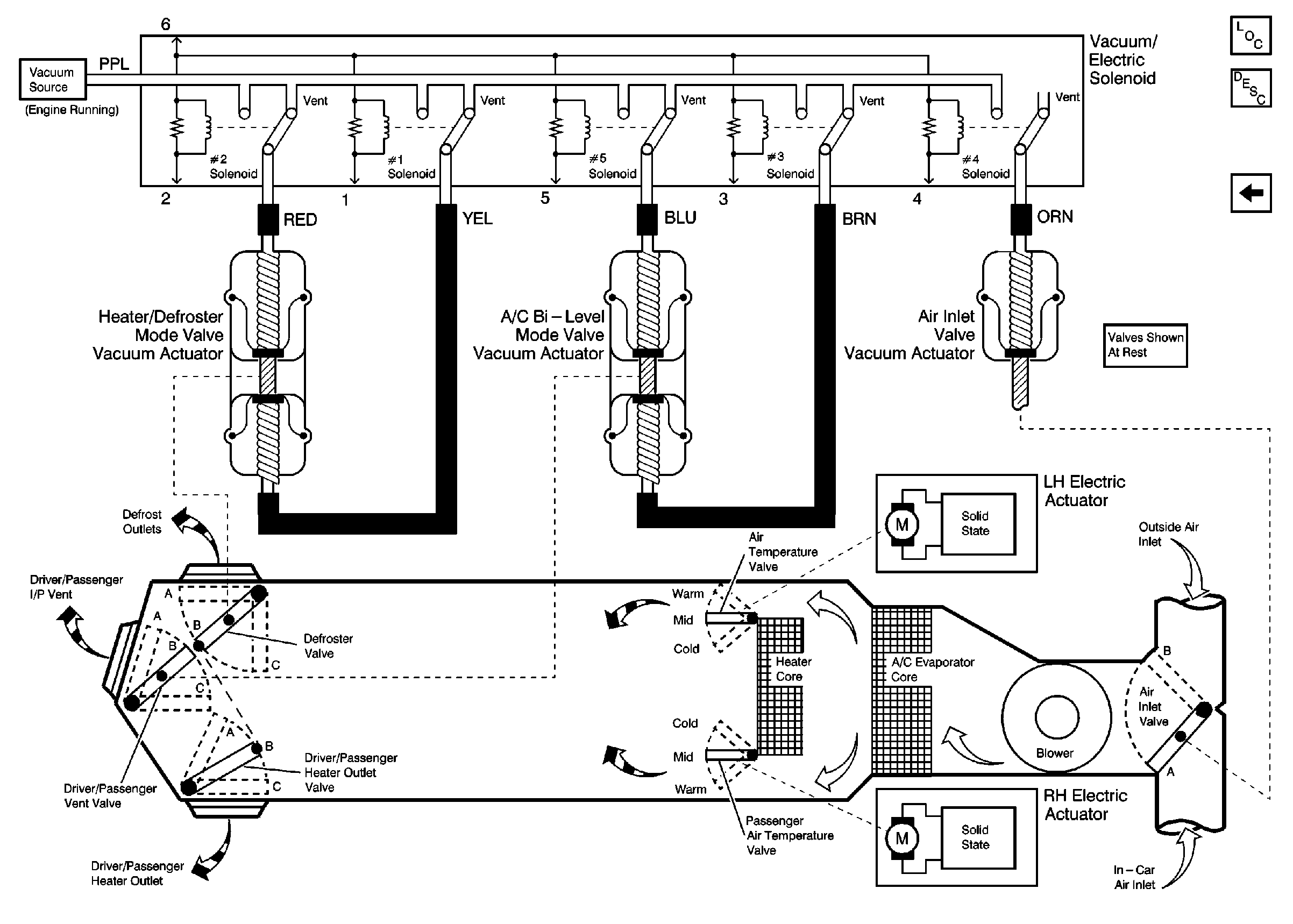
HVAC Components
HVAC Blower Controls Circuit Description
Cell 68: Power Distribution, Heater A/C Control and Vacuum/Electric Solenoid