GM Service Manual Online
For 1990-2009 cars only
Makes
🢒
Oldsmobile
🢒
1999
🢒
Intrigue
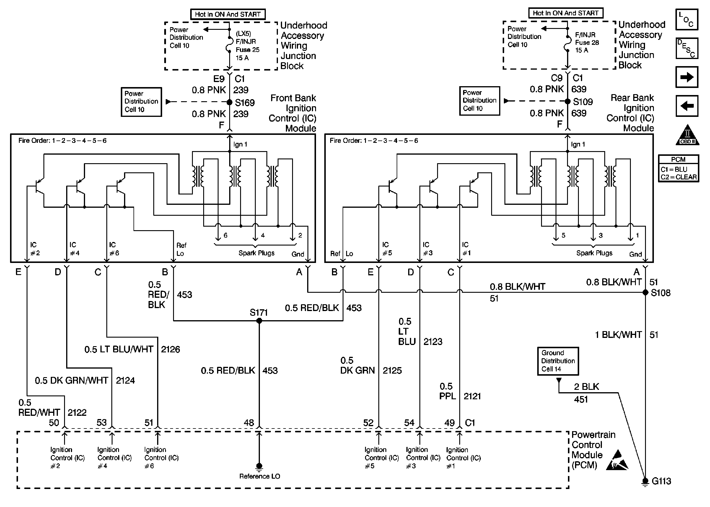
🢒 Ignition Coil/Module
Ignition Coil/Module
Ignition Coil/Module
Cell 10: Underhood Accessory Wiring Junction Block
Cell 10: TRANS, TRANS/ABS, DFI, F/INJR (25), and OXY SEN Fuses
Cell 10: F/INJR (28) Fuse
Cell 10: Underhood Accessory Wiring Junction Block
CKP, CMP and KS
Power, Ground, DLC, and MIL
OBD II Symbol Description Notice
Cell 14: LX5 Engine Grounds G100, G110, and G113
Handling ESD Sensitive Parts Notice
Engine Controls Components
Powertrain Control Module Description