GM Service Manual Online
For 1990-2009 cars only
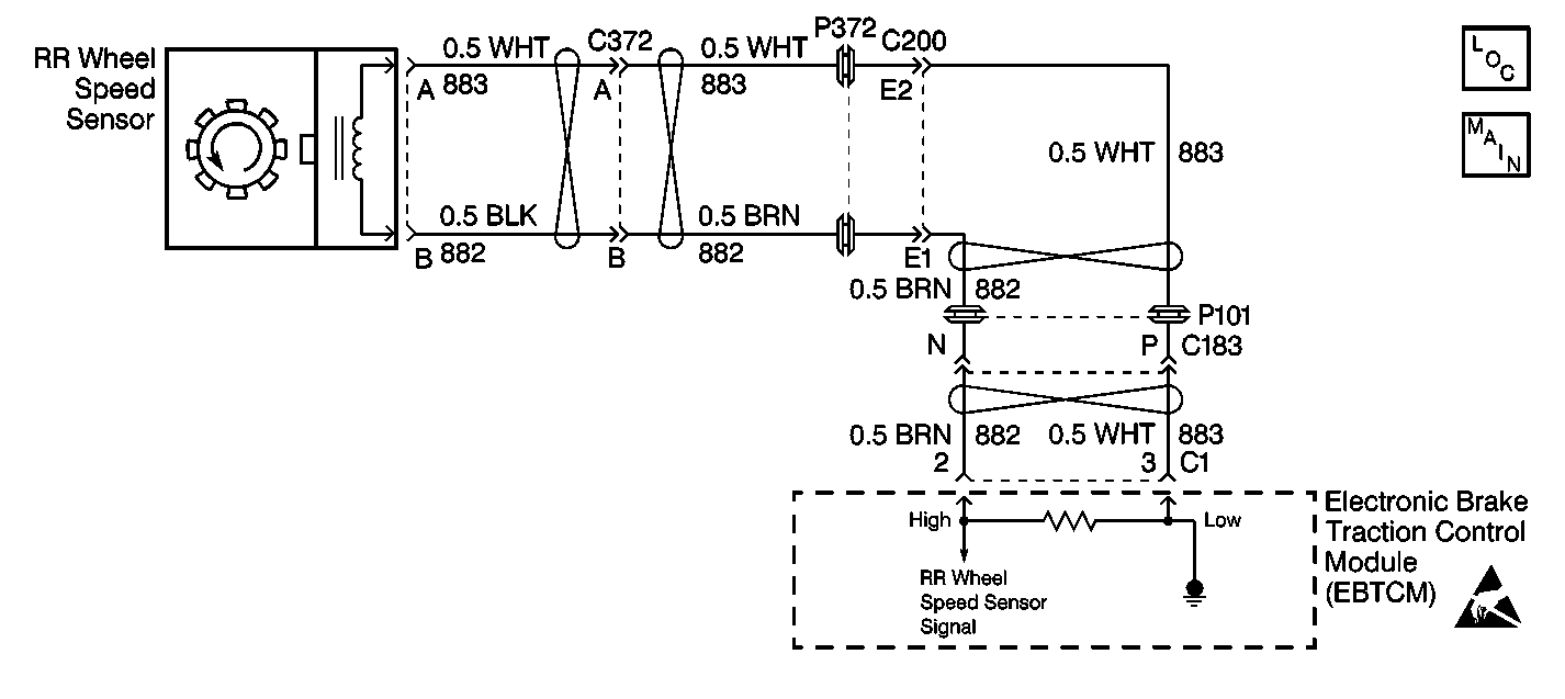
Table 1: DTC C0051 RR Wheel Speed Circuit Range/Performance

Object Number: 314198  Size: SF
ABS Components
Cell 44: EBTCM, and Wheel Speed Sensors

Circuit Description

The speed sensor used on this vehicle is a multiple pole magnetic pickup. This sensor produces an AC signal that the EBTCM uses the frequency from to calculate the wheel speed.

Conditions for Setting the DTC

    • The DTC will set if one wheel speed = 0 and the other WSS are greater than 40 Km/h (25 mph) for 10 ms
    • The DTC will set if during drive off, one wheel speed = 0, and the other WSS are greater than 12 Km/h (7.5 mph).
    • The EBTCM detects a short to ground.

Action Taken When the DTC Sets

    • A malfunction DTC stores.
    • The ABS/TCS disables.
    • The amber ABS/TCS indicator(s) turn on.

Conditions for Clearing the DTC

    • The condition responsible for setting the DTC no longer exists and the scan tool Clear DTCs function is used.
    • 100 ignition cycles pass with no DTC(s) detected.

Diagnostic Aids

    • It is very important that a thorough inspection of the wiring and connectors be performed. Failure to carefully and fully inspect wiring and connectors may result in misdiagnosis, causing part replacement with reappearance of the malfunction.
    • Thoroughly inspect any circuitry that may be causing the complaint for the following conditions:
       - Backed out terminals
       - Improper mating
       - Broken locks
       - Improperly formed or damaged terminals
       - Poor terminal-to-wiring connections
       - Physical damage to the wiring harness
    • The following conditions may cause an intermittent malfunction:
       - A poor connection
       - Rubbed-through wire insulation
       - A broken wire inside the insulation
    • If the customer's comments reflect that the amber ABS/TCS indicator is on only during moist environmental conditions (rain, snow, vehicle wash), inspect all the wheel speed sensor circuitry for signs of water intrusion. If the DTC is not current, clear all DTCs and simulate the effects of water intrusion by using the following procedure:
        1. Spray the suspected area with a five percent saltwater solution.

Add two teaspoons of salt to twelve ounces of water to make a five percent saltwater solution.

        2. Test drive the vehicle over various road surfaces (bumps, turns, etc.) above 40 km/h (25 mph) for at least 30 seconds.
        3. If the DTC returns, replace the suspected harness.
    • If an intermittent malfunction exists refer to General Electrical Diagnosis in Wiring Systems for further diagnosis.

Rear Wheel Speed Sensor Resistance

The following table contains resistance values for the rear wheel speed sensors at varying sensor temperatures for use in diagnosis. The values are approximate and should be used as a guideline for diagnosis.

Sensor Temperature (°C)

Sensor Temperature (°F)

Sensor Resistance (Ohms)

-34 to 4

-30 to 40

800 to 1100

5 to 43

41 to 110

950 to 1300

44 to 93

111 to 200

1110 to 1600

Test Description

The number(s) below refer to the step number(s) on the diagnostic table.

  1. This step checks for the proper resistance in the WSS.

  2. This step checks for the proper WSS output.

DTC C0051 RR Wheel Speed Circuit Range/Performance

Step

Action

Value(s)

Yes

No

1

Was the Diagnostic System Check performed?

--

Go to Step 2

Go to Diagnostic System Check - ABS

2

Inspect the WSS for physical damage.

Is physical damage of the WSS evident?

--

Go to Step 3

Go to Step 4

3

Replace the WSS. Refer to Wheel Speed Sensor Replacement .

Is the replacement complete?

--

Go to Step 16

--

4

Inspect the jumper harness for physical damage.

Is physical damage of the jumper harness evident?

--

Go to Step 5

Go to Step 6

5

Replace the jumper harness. Refer to Wheel Speed Sensor Jumper Harness Replacement .

Is the replacement complete?

--

Go to Step 16

--

6

  1. Disconnect the WSS connector directly at the WSS.
  2. Using J 39200 DMM, measure the resistance between terminals A and B of the WSS.

Is the resistance within the range specified in the value(s) column?

800-1600 ohms

Go to Step 7

Go to Step 3

7

  1. With the J 39200 DMM still connected to the WSS select the mV AC scale.
  2. Spin the wheel as fast as you can by hand while monitoring the AC output.

Is the AC voltage within the range specified in the value(s) column?

Above 100 mV

Go to Step 8

Go to Step 3

8

Using J 39200 DMM, measure the resistance between the WSS terminal A and ground.

Is the resistance within the range specified in the value(s) column?

OL (infinite)

Go to Step 9

Go to Step 3

9

  1. Disconnect the EBTCM harness connector.
  2. Install the J 39700 Universal Pinout Box using the J 39700-530 cable adapter to the EBTCM harness connector only.
  3. Using J 39200 DMM, measure the resistance between terminals 2 and 3 of J 39700 .

Is the resistance within the range specified in the values column?

OL (infinite)

Go to Step 11

Go to Step 10

10

Repair short between CKT(s) 882 and 883. Refer to Wiring Repairs in Wiring Systems. If short between wheel speed sensor circuits is found in the jumper harness, replace the jumper harness. Refer to Wheel Speed Sensor Jumper Harness Replacement .

Is the repair complete?

--

Go to Step 16

--

11

Using J 39200 DMM, measure the resistance between terminals 2 and 15 of J 39700 .

Is the resistance within the range specified in the values column?

OL (infinite)

Go to Step 13

Go to Step 12

12

Repair CKT 882 for a short to ground. Refer to Wiring Repairs in Wiring Systems. If short to ground is found in the jumper harness, replace the jumper harness. Refer to Wheel Speed Sensor Jumper Harness Replacement .

Is the repair complete?

--

Go to Step 16

--

13

Using J 39200 DMM, measure the resistance between terminals 3 and 15 of J 39700 .

Is the resistance within the range specified in the values column?

OL (infinite)

Go to Step 15

Go to Step 14

14

Repair CKT 883 for a short to ground. Refer to Wiring Repairs in Wiring Systems. If short to ground is found in the jumper harness, replace the jumper harness. Refer to Wheel Speed Sensor Jumper Harness Replacement .

Is the repair complete?

--

Go to Step 16

--

15

Replace the EBTCM. Refer to Electronic Brake and Traction Control Module Replacement .

Is the replacement complete?

--

Go to Diagnostic System Check - ABS

--

16

  1. Reconnect all previously disconnected components.
  2. Using a scan tool clear the DTC.
  3. Remove the scan tool from the DLC.
  4. Carefully drive vehicle above 12 Km/h (8 mph) for several minutes.

Does the DTC reset as a current DTC?

--

Go to Step 2

Go to Diagnostic System Check - ABS