GM Service Manual Online
For 1990-2009 cars only

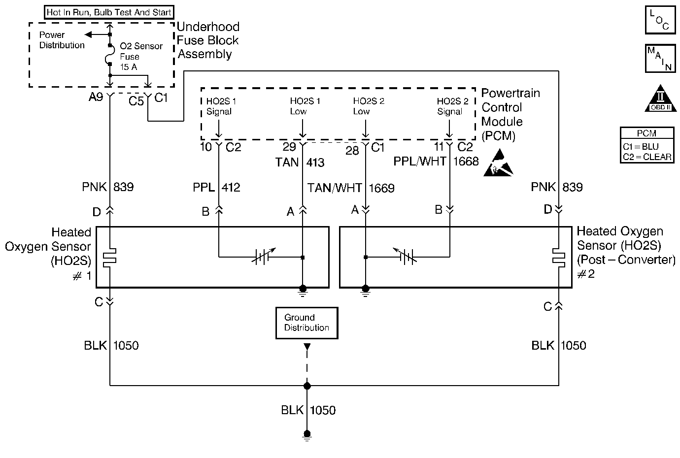
Object Number: 293722  Size: MF
(HO2S) #1, (HO2S) #2
Engine Controls Components
OBD II Symbol Description Notice
ESD Notice

Circuit Description

To control emissions of Hydrocarbons (HC), Carbon Monoxide (CO), and Oxides of Nitrogen (NOx), a three-way catalytic converter is used. The catalyst within the converter promotes a chemical reaction which oxidizes the HC and CO present in the exhaust gas, converting them into harmless water vapor and carbon dioxide. The catalyst also reduces NOx, converting it to nitrogen. The PCM has the ability to monitor this process using the HO2S 1 and the HO2S 2 heated oxygen sensors. The HO2S 1 sensor produces an output signal which indicates the amount of oxygen present in the exhaust gas entering the three-way catalytic converter. The HO2S 2 sensor produces an output signal which indicates the oxygen storage capacity of the catalyst; this in turn indicates the catalyst's ability to convert exhaust gases efficiently. If the catalyst is operating efficiently, the HO2S 1 signal will be far more active than that produced by the HO2S 2 sensor. If the HO2S 2 signal voltage remains excessively low for an extended period of time, DTC P0137 will be set.

Conditions for Running the DTC

    • No active fuel trim, fuel injector circuit, Misfire, EVAP, EGR, TP, IAT, MAP, ECT, CKP, or MAF sensor DTCs present.
    • System voltage is greater than 9 volts.
    • Closed loop commanded air/fuel ratio is between 14.4 and 14.9.
    • Throttle angle is between 3% and 40%.

Conditions for Setting the DTC

HO2S 2 signal voltage remains below 175mV during normal closed loop operation.

OR

HO2S 2 signal voltage remains below 600mV during power enrichment mode fuel control operation.

Either condition for up to 50 seconds.

Action Taken When the DTC Sets

    • The PCM illuminates the malfunction indicator lamp (MIL) on the second consecutive ignition cycle that the diagnostic runs and fails.
    • The PCM records the operating conditions at the time the diagnostic fails. The first time the diagnostic fails, the PCM stores this information in the Failure Records. If the diagnostic reports a failure on the second consecutive ignition cycle, the PCM records the operating conditions at the time of the failure. The PCM writes the conditions to the Freeze Frame and updates the Failure Records.

Conditions for Clearing the MIL/DTC

    • The PCM turns the MIL Off after three consecutive drive trips that the diagnostic runs and does not fail.
    • A last test failed (current DTC) clears when the diagnostic runs and does not fail.
    • A History DTC clears after forty consecutive warm-up cycles, if this or any other emission related diagnostic does not report any failures.
    • Use a scan tool in order to clear the MIL/DTC.
    • Interrupting the PCM battery voltage may or may not clear DTCs. This practice is not recommended. Refer to Powertrain Control Module (PCM) Description , Clearing Diagnostic Trouble Codes.

Diagnostic Aids

Notice: Use the connector test adapter kit J 35616-A for any test that requires probing the following items:

   • The PCM harness connectors
   • The electrical center fuse/relay cavities
   • The component terminals
   • The component harness connector
Using this kit will prevent damage caused by the improper probing of connector terminals.

Check for the following conditions

    • Heated oxygen sensor wiring: The sensor pigtail may be mispositioned and contacting the exhaust system.
    • Poor PCM to engine grounds: Refer to Power Distribution Schematics in Wiring Systems.
    • Fuel pressure. A condition which causes a lean exhaust can cause DTC P0137 to set. The system will go lean if pressure is too low. The PCM can compensate for some decrease. However, if fuel pressure is too low, a DTC P0137 may be set. Refer to Fuel System Pressure Test .
    • Fuel injector(s): Refer to Fuel Injector Solenoid Coil Test - Engine Coolant Temperature Between 10-35 Degrees C (50-95 Degrees F) or Fuel Injector Solenoid Coil Test - Engine Coolant Temperature Outside 10-35 Degrees C (50-95 Degrees F) .
    • Vacuum leaks: Check for the following conditions:
       - Disconnected or damaged vacuum hoses.
       - Incorrectly installed or malfunctioning crankcase ventilation valve.
       - Refer to Crankcase Ventilation System Diagnosis .
       - Vacuum leaks at the throttle body, EGR valve, and intake manifold mounting surfaces.
    • Exhaust leaks: An exhaust leak may cause outside air to be pulled into the exhaust gas stream past the HO2S, causing the DTC P0137 to set. Check for exhaust leaks near the HO2S 2 sensor.
    • Fuel contamination: Water, even in small amounts, can be delivered to the fuel injectors. The water can cause a lean exhaust to be indicated. Excessive alcohol in the fuel can also cause this condition. Refer to Alcohol/Contaminants-in-Fuel Diagnosis .

If the problem is intermittent, refer to Intermittent Conditions .

The heated oxygen sensors (HO2S) require an air reference for proper operation. The air reference is supplied through the HO2S wiring. Inspect the HO2S wires and connections for breaks or contamination. Do not use solder to repair HO2S wiring. Solder will obstruct the air path. Refer to Heated Oxygen Sensor Wiring Repairs in Wiring Systems for proper repair procedures.

Test Description

The number(s) below refer to the step number(s) on the diagnostic table.

  1. In order to determine if the engine is lean during power enrichment operate the vehicle under higher throttle/acceleration conditions while monitoring scan tool HO2S voltage and the power enrichment parameter. A lean condition will cause HO2S voltage to be less than 598 mV during power enrichment.

Step

Action

Value(s)

Yes

No

1

Did you perform the Powertrain On-Board Diagnostic (OBD) System Check?

--

Go to Step 2

Go to Powertrain On Board Diagnostic (OBD) System Check

2

  1. Run the engine until normal operating temperature is reached.
  2. Using a scan tool monitor the HO2S voltage for the sensor that applies to this DTC.

Is the HO2S voltage fixed less than the value specified?

86 mV

Go to Step 4

Go to Step 3

3

The condition that set this DTC is not present. This DTC may have been set by one of the following conditions:

    • A signal wire intermittently shorted to engine ground or to the HO2S Low circuit
    • HO2S connector water intrusion
    • An exhaust leak between the HO2S and the engine
    • An intermittent lean engine condition such as the following:
       - Vacuum leaks
       - Incorrect or defective PCV valve or system
       - Incorrect fuel pressure
       - Lean fuel injectors
       - An inaccurate MAF sensor
    • A lean engine condition during Power Enrichment operation.

Repair any of the above or similar engine conditions as necessary.

Was a condition found and repaired?

--

Go to Step 10

Refer to Diagnostic Aids.

4

  1. Turn the ignition Off.
  2. Disconnect the HO2S connector for the sensor that applies to this DTC.
  3. Jumper the HO2S Low circuit terminal (engine harness side) to a known good ground.
  4. Turn the ignition On while leaving the engine Off.
  5. Using a scan tool monitor the HO2S voltage for the sensor that applies to this DTC.

Is the HO2S voltage within the value range specified?

351 to 551 mV

Go to Step 5

Go to Step 6

5

The HO2S may be detecting a lean exhaust condition. Check for one of the following conditions:

    • HO2S connector water intrusion
    • An exhaust leak between the HO2S and the engine.
    • Vacuum leaks
    • Incorrect or defective PCV valve or system
    • Incorrect fuel pressure
    • Lean fuel injectors
    • An inaccurate MAF sensor

Repair any of the above or similar engine conditions as necessary.

Was a condition found and repaired?

--

Go to Step 10

Go to Step 8

6

  1. Turn the ignition Off.
  2. Remove the jumper from the HO2S Low circuit terminal.
  3. Disconnect the PCM connector that contains the HO2S High signal circuit.
  4. Using DMM J 39200 , measure and record the resistance between the HO2S High signal circuit and ground.
  5. Measure and record the resistance between the HO2S High signal circuit and the HO2S Low circuit.

Is infinite resistance measured on both tests?

Go to Step 9

Go to Step 7

7

Repair the HO2S signal High circuit shorted to ground or shorted to the HO2S Low circuit.

Is the action complete?

--

Go to Step 10

--

8

Replace the HO2S. Refer to Heated Oxygen Sensor Replacement .

Is the action complete?

--

Go to Step 10

--

9

Replace the PCM. Refer to Powertrain Control Module Replacement/Programming .

Is the action complete?

--

Go to Step 10

--

10

  1. Clear DTCs with the scan tool.
  2. Turn the key to Off and wait 15 seconds.
  3. Operate the vehicle within the conditions that are required for this diagnostic to run. Refer to Conditions for Running the DTC.

Does the scan tool indicate that this test ran and passed?

--

Go to Step 11

Go to Step 2

11

Review Captured Info using the scan tool.

Are there any DTCs that have not been diagnosed?

--

Go to the applicable DTC table

System OK