GM Service Manual Online
For 1990-2009 cars only

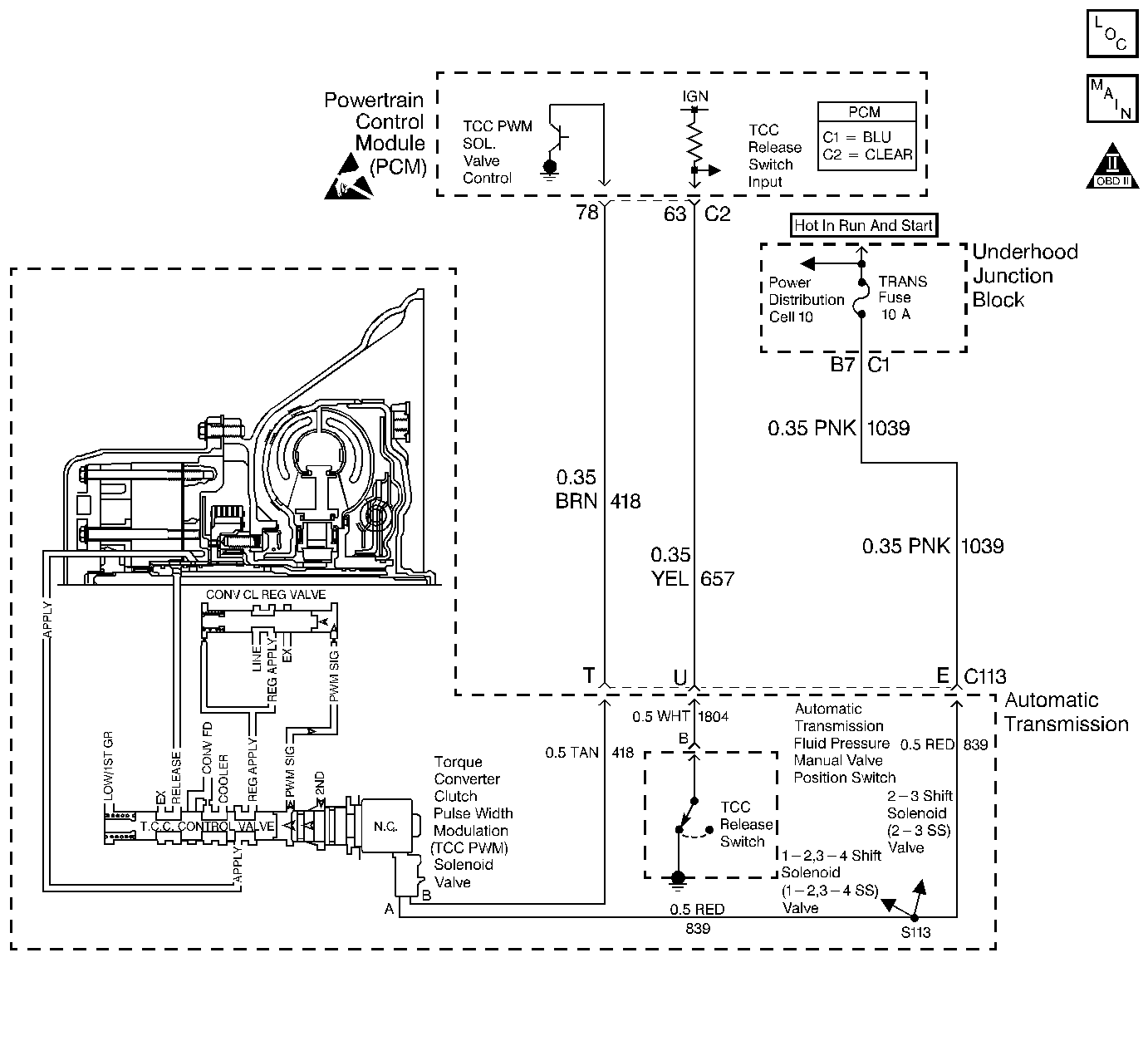
Object Number: 405270  Size: LF
Automatic Transmission Components
Automatic Transmission Controls Schematics
OBD II Symbol Description Notice
Handling ESD Sensitive Parts Notice

Circuit Description

The TCC release switch is part of the automatic transmission fluid pressure (TFP) manual valve position switch. The TFP manual valve position switch is mounted to the transmission valve body.

The TCC release switch is a normally-closed switch. TCC release fluid pressure acts on the switch contact, opening circuits 657/1804. When the voltage on the circuit is high (switch open), the PCM recognizes that the TCC is no longer engaged.

If the PCM detects that the TCC release switch is closed when the TCC is commanded OFF, then DTC P0742 sets. DTC P0742 is a type A DTC.

Conditions for Running the DTC

    • No TP sensor DTCs P0121, P0122 or P0123 are set.
    • No VSS DTCs P0502 or P0503 are set.
    • No TCC PWM solenoid valve DTC P1860 is set.
    • No TCC release switch DTC P1887 is set.
    • The transmission gear range indicates D4.
    • The time since the last gear range change is greater than 6 seconds.
    • The engine speed is greater than 500 RPM and not in fuel shut off.
    • The TP angle is 5-45%.
    • The TCC is commanded OFF.

Conditions for Setting the DTC

The TCC release switch is closed at least 6 times for 4 seconds each.

Action Taken When the DTC Sets

    • The PCM illuminates the malfunction indicator lamp (MIL).
    • The PCM commands the TCC ON at maximum capacity.
    • The PCM freezes shift adapts.
    • The PCM stores DTC P0742 in PCM history.

Conditions for Clearing the MIL/DTC

    • The PCM turns OFF the MIL during the third consecutive trip in which the diagnostic test runs and passes.
    • A scan tool clears the DTC from the PCM history.
    • The PCM clears the DTC from the PCM history if the vehicle completes 40 consecutive warm-up cycles without an emission related diagnostic fault occurring.
    • The PCM cancels the DTC default actions when the fault no longer exists and the ignition switch is OFF long enough in order to power down the PCM.

Diagnostic Aids

    • Rapid fluctuation in line pressure could set DTC P0742.
    • An open condition in the TCC release circuit or switch would set DTC P1887. Open circuits are not diagnosed in DTC P0742.
    • Inspect for a pressure regulator condition.
    • Inspect for abnormal line pressure.
    • Inspect the wiring at the PCM, the transmission 20-way connector and all other circuit connecting points for the following conditions:
       - A backed out terminal
       - A damaged terminal
       - Reduced terminal tension
       - A chafed wire
       - A broken wire inside the insulation
       - Moisture intrusion
       - Corrosion
    • When diagnosing for an intermittent short or open, massage the wiring harness while watching the test equipment for a change.
    • The customer may notice an engine stalling condition.

Test Description

The numbers below refer to the step numbers on the diagnostic table.

  1. This step looks for a switch status change when the engine is running. If TCC release pressure is present, the switch should be open.

  2. By disconnecting the transmission connector the PCM should observe an open switch, indicating that the wiring is okay.

  3. This step tests for a mechanical or hydraulic condition.

  4. Because of the harsh conditions inside the transmission, repairing the automatic transmission (A/T) wiring harness assembly is not acceptable. It must be replaced if it is damaged in any way.

DTC P0742 TCC System -- Stuck On

Step

Action

Value(s)

Yes

No

1

Was the Powertrain On-Board Diagnostic (OBD) System Check performed?

--

Go to Step 2

Go to Powertrain On Board Diagnostic (OBD) System Check (3.5L) or Powertrain On Board Diagnostic (OBD) System Check (3.8L) in Engine Controls

2

Was the transmission fluid checking procedure performed?

--

Go to Step 3

Go to Transmission Fluid Check

3

  1. Install the Scan Tool .
  2. Start the engine.
  3. Important: Before clearing the DTCs, use the scan tool in order to record the Freeze Frame and Failure Records for reference. Using the Clear Info function will erase the stored Freeze Frame and Failure Records from the PCM.

  4. Record the Freeze Frame and Failure Records.
  5. Clear the DTCs.
  6. Place the transmission in D4.
  7. Monitor TCC release pressure on the scan tool.

Is TCC release pressure present?

--

Go to Step 7

Go to Step 4

4

  1. Place the transmission in PARK.
  2. Turn the ignition switch to the OFF position.
  3. Disconnect the transmission 20-way connector.
  4. Important: Additional DTCs will set.

  5. Start the engine.
  6. Place the transmission in D4.

Is TCC release pressure present?

--

Go to Step 5

Go to Step 6

5

Inspect circuit 1804 (WHT) of the automatic transmission wiring harness assembly for a short to ground.

Refer to General Electrical Diagnosis in Wiring Systems.

Was a condition found?

--

Go to Step 9

Go to Step 10

6

Inspect circuit 657 (YEL) of the engine wiring harness for a short to ground.

Refer to General Electrical Diagnosis in Wiring Systems.

Was a condition found?

--

Go to Step 8

Go to Step 11

7

  1. Inspect for the following conditions:
  2. Refer to Unit Repair.

    • TCC control valve stuck
    • TCC regulator apply valve stuck
    • TCC PWM solenoid valve O-ring cut or out of position
    • TCC PWM solenoid valve stuck
    • Pressure regulator valve stuck
  3. Repair or replace any malfunctioning components.

Is the repair complete?

--

Go to Step 12

--

8

Repair the circuit as necessary.

Refer to Wiring Repairs in Wiring Systems.

Is the repair complete?

--

Go to Step 12

--

9

Replace the automatic transmission wiring harness assembly.

Refer to Solenoids and Wiring Harness Replacement .

Is the replacement complete?

--

Go to Step 12

--

10

Replace the automatic transmission fluid pressure manual valve position switch.

Refer to Transmission Fluid Pressure Manual Valve Position Switch Replacement .

Is the replacement complete?

--

Go to Step 12

--

11

Replace the PCM.

Refer to Powertrain Control Module Replacement/Programming (3.5L) or Powertrain Control Module Replacement/Programming (3.8L) in Engine Controls.

Is the replacement complete?

--

Go to Step 12

--

12

Perform the following procedure in order to verify the repair:

  1. Select DTC.
  2. Select Clear Info.
  3. Road test the vehicle in D4 without changing the gear selector lever for at least 6 seconds.
  4. Monitor TP angle and TCC release pressure on the scan tool. Ensure that the TP angle is 5-45% and that TCC release pressure is present when the TCC is commanded OFF for at least 3 seconds.
  5. Select Specific DTC.
  6. Enter DTC P0742.

Has the test run and passed?

--

System OK

Go to Step 1