GM Service Manual Online
For 1990-2009 cars only

Removal Procedure


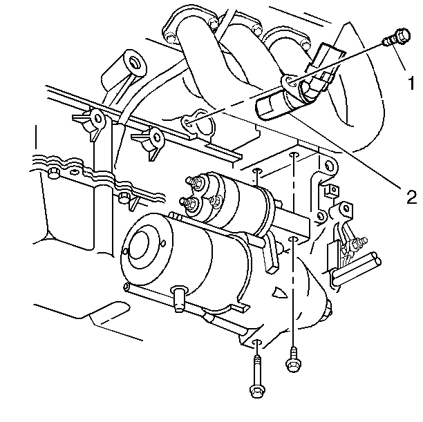
    Object Number: 350545  Size: SH

    Caution: Unless directed otherwise, the ignition and start switch must be in the OFF or LOCK position, and all electrical loads must be OFF before servicing any electrical component. Disconnect the negative battery cable to prevent an electrical spark should a tool or equipment come in contact with an exposed electrical terminal. Failure to follow these precautions may result in personal injury and/or damage to the vehicle or its components.

  1. Disconnect the negative battery cable.
  2. Caution: To avoid any vehicle damage, serious personal injury or death when major components are removed from the vehicle and the vehicle is supported by a hoist, support the vehicle with jack stands at the opposite end from which the components are being removed and strap the vehicle to the hoist.

  3. Raise the vehicle.
  4. Loosen or remove the starter motor (1) as necessary. Refer to Starter Motor Replacement in Engine Electrical.
  5. Disconnect the electrical connector from the crankshaft position (CKP) sensor (2).

  6. Object Number: 350551  Size: SH
  7. Remove the CKP sensor mounting bolt (1).
  8. Remove the CKP sensor (2) from the engine block:
  9. • Remove the sensor by pulling on the sensor connector. Do not pry on the bracket.
    • Do not rotate or twist the sensor or damage the mounting bracket if the sensor is being reused.

Installation Procedure

Important: When replacing the CKP sensor with a new sensor or reinstalling the original sensor, use the following recommended procedures:

   • Make sure that the CKP sensor bore is completely free of any foreign material, such as old O-ring, dirt, burrs, etc.
   • Make sure that the flange on the CKP sensor bore is not damaged.
   • Clean all the mounting surfaces before re-installing any components.
   • Inspect the CKP sensor and replace the sensor if any of the following conditions are present:
      - The bracket is damaged.
      - The bottom of the brass housing exhibits any damage.
      - Never install a sensor that has been dropped.
   • Lubricate the O-ring on the sensor with Amojell or clean engine oil prior to installing the sensor .
   • Check all the connectors for any damaged terminals.


    Object Number: 350551  Size: SH
  1. Lubricate the CKP sensor O-rings.
  2. Install and fully seat the CKP sensor (2) into the engine block.
  3. Notice: Use the correct fastener in the correct location. Replacement fasteners must be the correct part number for that application. Fasteners requiring replacement or fasteners requiring the use of thread locking compound or sealant are identified in the service procedure. Do not use paints, lubricants, or corrosion inhibitors on fasteners or fastener joint surfaces unless specified. These coatings affect fastener torque and joint clamping force and may damage the fastener. Use the correct tightening sequence and specifications when installing fasteners in order to avoid damage to parts and systems.

  4. Install the CKP sensor mounting bolt (1).
  5. Tighten
    Tighten the mounting bolt to 9 N·m (80 lb in)

  6. Ensure that the CKP sensor mounting flange is contacting the engine block.

    Object Number: 350545  Size: SH
  1. Connect the electrical connector to the CKP sensor (2).
  2. Re-install or tighten the starter motor (1) as necessary. Refer to Starter Motor Replacement in Engine Electrical.
  3. Reconnect the negative battery cable.
  4. Lower the vehicle.
  5. The Crankshaft Position System Variation Learn must be performed after replacing the CKP sensor. Even if the original sensor is reinstalled, the Learn Procedure must be performed.