GM Service Manual Online
For 1990-2009 cars only

Removal Procedure

Tools Required

J 37088-A Fuel Line Quick-Connect Tools.

Important: When servicing the fuel rail assembly, precautions must be taken to prevent dirt and other contaminants from entering the fuel passages. It is recommended that the fittings be capped, and the holes be plugged during servicing.


    Object Number: 289014  Size: SH
  1. Remove the fuel injector sight shield. Refer to Fuel Injector Sight Shield Replacement in Engine Mechanical.

  2. Object Number: 292036  Size: SH
  3. Relieve the fuel pressure from the fuel system. Refer to Fuel Pressure Relief .
  4. Clean the fuel rail assembly and the connections.
  5. Remove the quick connect fitting for the fuel feed (1) and fuel return pipe (5) from the fuel rail. Refer to Metal Collar Quick Connect Fitting Service .

  6. Object Number: 292672  Size: SH
  7. Disconnect the fuel pressure regulator vacuum hose (1).

  8. Object Number: 293488  Size: SH
  9. Remove the engine electrical harness bolts on the camshaft covers.
  10. Disconnect the electrical connectors (1) from the fuel injectors (3).

  11. Object Number: 372749  Size: SH
  12. Pull up the lock release of the fuel injector connector.

  13. Object Number: 372753  Size: SH
  14. Depress the lock tab (1) and lift the connector from the injector.

  15. Object Number: 234312  Size: SH
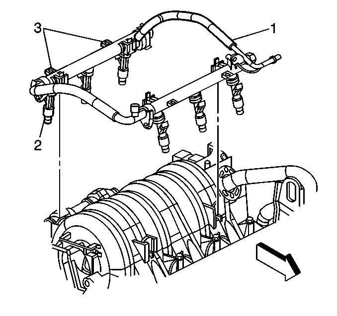
  16. Release the 4 snap-lock tabs on the fuel rail assembly by pushing toward the camshaft covers and lifting.
  17. Important: The fuel rail will pivot allowing each side of the rail to release separately.

  18. Remove the fuel rail (1).

Installation Procedure

Caution: In order to reduce the risk of fire and personal injury that may result from a fuel leak, always install the fuel injector O-rings in the proper position. If the upper and lower O-rings are different colors (black and brown), be sure to install the black O-ring in the upper position and the brown O-ring in the lower position on the fuel injector. The O-rings are the same size but are made of different materials.

Notice: 

   • Use care when servicing the fuel system components, especially the fuel injector electrical connectors, the fuel injector tips, and the injector O-rings. Plug the inlet and the outlet ports of the fuel rail in order to prevent contamination.
   • Do not use compressed air to clean the fuel rail assembly as this may damage the fuel rail components.
   • Do not immerse the fuel rail assembly in a solvent bath in order to prevent damage to the fuel rail assembly.


    Object Number: 293615  Size: SH
  1. The O-rings must be replaced on all components that are replaced.
  2. Lightly oil the fuel injector O-rings with clean motor oil.
  3. Install the fuel rail assembly (1) onto the intake manifold. A snap will be heard when the injectors are properly seated.

  4. Object Number: 293488  Size: SH
  5. Connect the electrical connectors (1) to the fuel injectors (3).

  6. Object Number: 372749  Size: SH
  7. Push the slide lock into the locked on all injector connectors.
  8. Notice: Use the correct fastener in the correct location. Replacement fasteners must be the correct part number for that application. Fasteners requiring replacement or fasteners requiring the use of thread locking compound or sealant are identified in the service procedure. Do not use paints, lubricants, or corrosion inhibitors on fasteners or fastener joint surfaces unless specified. These coatings affect fastener torque and joint clamping force and may damage the fastener. Use the correct tightening sequence and specifications when installing fasteners in order to avoid damage to parts and systems.

  9. Install the engine electrical harness bolts on the camshaft covers.
  10. Tighten
    Tighten the bolts to 9 N·m (80 lb in).


    Object Number: 292672  Size: SH
  11. Install the fuel pressure regulator vacuum hose.

  12. Object Number: 292036  Size: SH
  13. Install the fuel return pipe (5) and fuel feed pipe (1) to the fuel rail. Refer to Metal Collar Quick Connect Fitting Service .
  14. Install the to the fuel rail tube. Refer to Plastic Collar Quick Connect Fitting Service .
  15. Connect the negative battery cable. Refer to Battery Negative Cable Disconnection and Connection in Engine Electrical.
  16. Perform the following procedure to inspect for fuel leaks:
  17. 11.1. Turn the ignition switch ON for 2 seconds.
    11.2. Turn the ignition switch OFF for 10 seconds.
    11.3. Turn the ignition switch ON.
    11.4. Check for leaks.

    Object Number: 289014  Size: SH
  18. Install the fuel injector sight shield. Refer to Fuel Injector Sight Shield Replacement in Engine Mechanical.