GM Service Manual Online
For 1990-2009 cars only

    Object Number: 235254  Size: SH
  1. Disconnect the fuel pressure regulator vacuum tube (1) from the regulator (3) and the throttle body (2).

  2. Object Number: 679777  Size: SH
  3. Disconnect and remove the PCV valve and both feed tubes (1, 2) from the camshaft covers and intake manifold.

  4. Object Number: 576171  Size: SH

    Important: The EGR valve outlet pipe incorporates a crush seal connection at the water crossover. The EGR valve outlet pipe must be replaced if disconnected from the water crossover.

  5. Remove the EGR valve outlet pipe bolts from the intake manifold and the water crossover.
  6. Remove the EGR valve outlet pipe.

  7. Object Number: 679778  Size: SH
  8. Disconnect the four fuel rail snap-lock retainers by pushing toward the camshaft covers and lifting.
  9. Remove the fuel rail (1) and fuel injectors (2) as an assembly and store in a clean, secure location away from any heat sources.

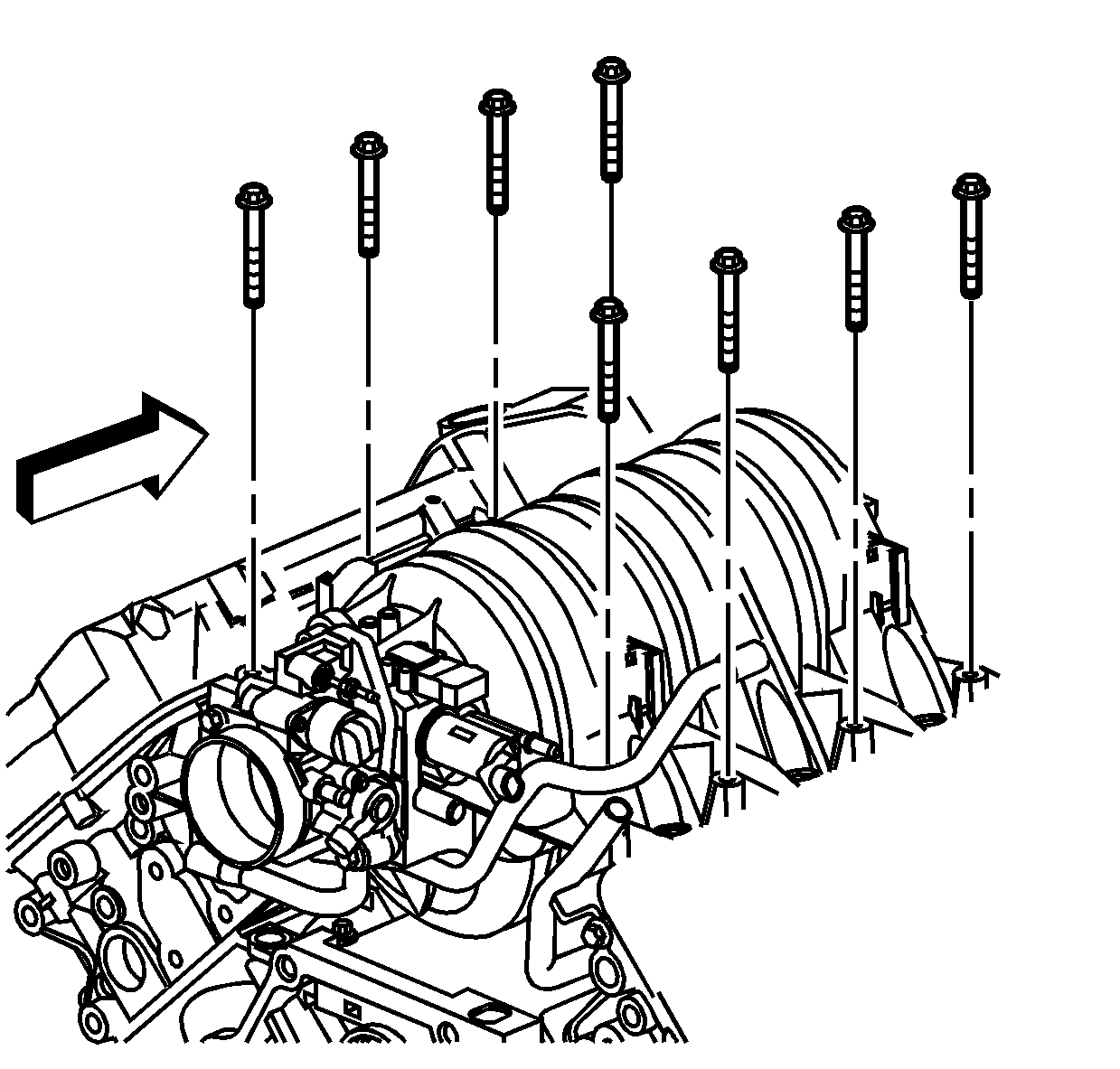
  10. Object Number: 679779  Size: SH
  11. Remove the intake manifold bolts.

  12. Object Number: 287926  Size: SH
  13. Disconnect the throttle body coolant hose (1) from the water crossover feed tube.

  14. Object Number: 679782  Size: SH
  15. Remove the intake manifold.