GM Service Manual Online
For 1990-2009 cars only

Removal Procedure

Tools Required

    • J 41816 Crankshaft Balancer Remover
    • J 43010 Crankshaft Balancer Puller Adapter
    • J 43442 Flywheel Holder
  1. Disconnect the battery ground (negative) cable. Refer to Battery Negative Cable Disconnection and Connection .
  2. Remove the drive belt. Refer to Drive Belt Replacement
  3. Raise and suitably support the vehicle. Refer to Lifting and Jacking the Vehicle in General Information.
  4. Remove the right front tire and wheel. Refer to Tire and Wheel Removal and Installation in Tires and Wheels.
  5. Remove the right engine splash shield. Refer to Engine Splash Shield Replacement in Body Front End.
  6. Place adjustable frame jackstands on the right side of the frame.
  7. Remove the two right side frame bolts. Refer Frame Replacement in Frame and Underbody.
  8. Lower the right side of the frame (and the engine) using the frame jackstands in order to gain access for the J 38416-B .
  9. Remove the torque converter cover. Refer to Torque Converter Cover Replacement in Automatic Transaxle - 4T65-E.

  10. Object Number: 599075  Size: SH
  11. Install the J 43442 as shown.

  12. Object Number: 283288  Size: SH
  13. Loosen the balancer bolt.

  14. Object Number: 283287  Size: SH
  15. Remove the crankshaft balancer bolt.

  16. Object Number: 283285  Size: SH
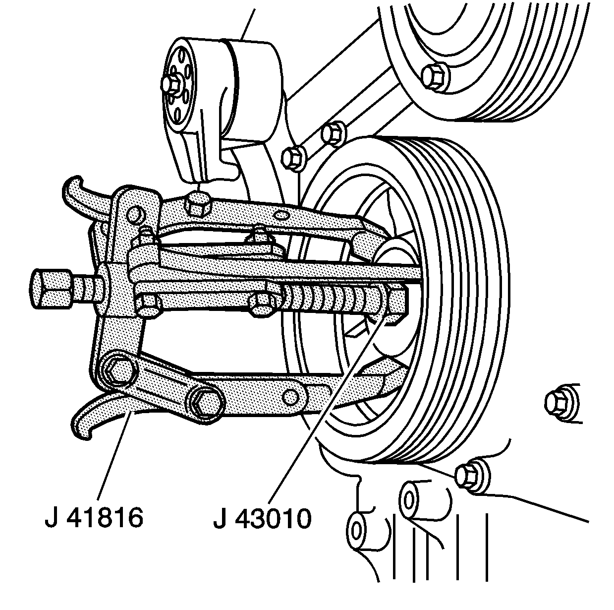
  17. Place the J 43010 for the J 41816 in position on the nose of the crankshaft.

  18. Object Number: 283281  Size: SH
  19. Mount the legs of the J 41816 into the recesses cast into the backside of the balancer inner hub.

  20. Object Number: 283283  Size: SH
  21. Tighten the center screw on the puller until the balancer pulls clear of the crankshaft end.
  22. Remove the crankshaft balancer.
  23. Clean and inspect the crankshaft balancer. Refer to Crankshaft Balancer Cleaning and Inspection .

Installation Procedure

Tools Required

    • J 36660-A Electronic Torque Angle Meter
    • J 42041 Front Crankshaft Seal Installer
    • J 43442 Flywheel Holder

    Object Number: 283293  Size: SH
  1. Remove the front crankshaft seal mandrel J 42041-1 from the J 42041 . The J 42041 consists of J 42041-2 and J 42041.

  2. Object Number: 283292  Size: SH

    Important: Do not lubricate the crankshaft front oil seal or the crankshaft balancer sealing surfaces. The crankshaft balancer is installed into a dry seal.

  3. Place the balancer in position on the crankshaft.
  4. Thread the J 42041 in the crankshaft. Make sure you engage at least ten threads of the J 42041 before pressing the crankshaft balancer in place.

  5. Object Number: 283289  Size: SH
  6. Push the balancer into position by tightening the nut on the J 42041 until the large washer bottoms out on the crankshaft end.
  7. Remove the J 42041 .

  8. Object Number: 283287  Size: SH
  9. Install the crankshaft balancer retaining bolt.

  10. Object Number: 283288  Size: SH

    Notice: Use the correct fastener in the correct location. Replacement fasteners must be the correct part number for that application. Fasteners requiring replacement or fasteners requiring the use of thread locking compound or sealant are identified in the service procedure. Do not use paints, lubricants, or corrosion inhibitors on fasteners or fastener joint surfaces unless specified. These coatings affect fastener torque and joint clamping force and may damage the fastener. Use the correct tightening sequence and specifications when installing fasteners in order to avoid damage to parts and systems.

  11. Tighten the crankshaft balancer bolt.
  12. Tighten
    Tighten the crankshaft balancer bolt to 50 N·m + 125 degrees (37 lb ft + 125 degrees) using the J 36660-A .


    Object Number: 599075  Size: SH
  13. Remove the J 43442 .
  14. Install the torque converter cover. Refer to Torque Converter Cover Replacement in Automatic Transaxle - 4T65-E.
  15. Raise the right side of the frame with engine using the frame jackstands.
  16. Install the two right side frame bolts. Refer Frame Replacement in Frame and Underbody.
  17. Remove the adjustable frame jackstands from under the vehicle.
  18. Install the right engine splash shield. Refer to Engine Splash Shield Replacement in Body Front End.
  19. Install the right front tire and wheel. Refer to Tire and Wheel Removal and Installation in Tires and Wheels.
  20. Lower the vehicle.
  21. Install the drive belt. Refer to Drive Belt Replacement
  22. Connect the battery ground (negative) cable. Refer to Battery Negative Cable Disconnection and Connection .