GM Service Manual Online
For 1990-2009 cars only

Tools Required

    • J 42038 Camshaft Holding Fixture
    • J 39946 Crankshaft Rotation Socket

Removal Procedure

  1. Remove the camshaft covers. Refer to Camshaft Cover Replacement .
  2. Install the J 42038 to the camshafts on the left (front) and right (rear) cylinder heads.
  3. Remove the engine front cover. Refer to Engine Front Cover Replacement .

  4. Object Number: 233793  Size: SH
  5. Remove the front engine lift bracket retaining bolts.
  6. Remove the front engine lift bracket.

  7. Object Number: 235239  Size: SH
  8. Remove the camshaft position sensor retaining bolt.
  9. Remove the camshaft position sensor.
  10. Remove the right cylinder head exhaust camshaft sprocket bolt to allow clearance for the right cylinder head chain guide.

  11. Object Number: 233789  Size: SH
  12. Remove the four chain guide access plugs located in the cylinder heads. Note the O-ring seal on each access plug.

  13. Object Number: 235192  Size: SH
  14. Loosen both primary timing chain tensioner bolts.
  15. Remove the lower primary timing chain tensioner bolt allowing the tensioner to swing downward and expand. This will release tension on the primary drive chain.
  16. Remove the upper tensioner bolt.
  17. Remove the primary drive chain tensioner (1).

  18. Object Number: 235189  Size: SH
  19. Remove the primary timing chain tensioner shoe retaining bolt.
  20. Remove the primary timing chain tensioner shoe (1) by pushing the guide downward slightly and then pulling it up through the cylinder head.

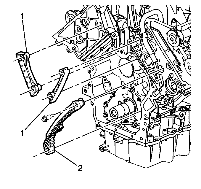
  21. Object Number: 234446  Size: SH
  22. Remove the upper and lower primary timing chain guide retaining bolts.
  23. Remove the upper (1) and lower (2) primary timing chain guides.

Installation Procedure


    Object Number: 234446  Size: SH
  1. Install the upper (1) and lower (2) primary timing chain guides.
  2. Notice: Use the correct fastener in the correct location. Replacement fasteners must be the correct part number for that application. Fasteners requiring replacement or fasteners requiring the use of thread locking compound or sealant are identified in the service procedure. Do not use paints, lubricants, or corrosion inhibitors on fasteners or fastener joint surfaces unless specified. These coatings affect fastener torque and joint clamping force and may damage the fastener. Use the correct tightening sequence and specifications when installing fasteners in order to avoid damage to parts and systems.

  3. Install the primary timing chain guide tensioner bolts.
  4. Tighten
    Tighten the primary timing chain guide bolts to 30 N·m (22 lb ft).


    Object Number: 235189  Size: SH
  5. Install the primary timing chain tensioner shoe (1).
  6. Install the primary timing chain tensioner shoe retaining bolt using the access hole in the cylinder head.
  7. Tighten
    Tighten the primary timing chain tensioner shoe bolt to 30 N·m (22 lb ft).


    Object Number: 240843  Size: SH
  8. Collapse the primary timing chain tensioner using the following procedure:
  9. 5.1. Rotate the ratchet release lever (2) counterclockwise and hold.
    5.2. Collapse the tensioner shoe (1) and hold.
    5.3. Release the ratchet lever and slowly release the pressure on the shoe.
  10. As the ratchet lever moves to its first click, hold the tensioner shoe inward. Insert a pin through the hole in the release lever.
  11. The locked ratchet mechanism should hold the shoe in a collapsed position.

  12. Object Number: 235192  Size: SH

    Important: Ensure the tensioner release lever faces toward you before tightening.

  13. Install the primary timing chain tensioner (1) and the retaining bolts.
  14. Tighten
    Tighten the primary timing chain tensioner bolts to 25 N·m (18 lb ft).


    Object Number: 263904  Size: SH
  15. Ensure all the timing marks (1-9) are properly aligned. Make adjustments as necessary.
  16. Remove the pin holding the tensioner to tighten any slack in the timing chain.

  17. Object Number: 233789  Size: SH

    Important: Ensure each chain guide access plug has an O-ring installed.

  18. Install the four chain guide access plugs.
  19. Tighten
    Tighten the chain guide access plugs to 5 N·m (44 lb in).


    Object Number: 233793  Size: SH
  20. Install the front engine lift bracket hex head and the internal drive retaining bolts.
  21. Tighten

        • Tighten the front lift bracket hex head bolt to 50 N·m (37 lb ft).
        • Tighten the front lift bracket internal drive bolt to 25 N·m (18 lb ft).

    Object Number: 235239  Size: SH
  22. Install the camshaft position sensor and retaining bolt.
  23. Tighten
    Tighten the camshaft position sensor retaining bolt to 9 N·m (80 lb in).

  24. Remove the J 42038 from the camshafts on the left (front) and right (rear) cylinder heads.
  25. Verify correct timing chain and timing mark alignments.
  26. Install the camshaft covers. Refer to Camshaft Cover Replacement .
  27. Install the engine front cover. Refer to Engine Front Cover Replacement .