GM Service Manual Online
For 1990-2009 cars only
Makes
🢒
Oldsmobile
🢒
2000
🢒
Intrigue
🢒
HVAC
🢒
HVAC Systems - Manual
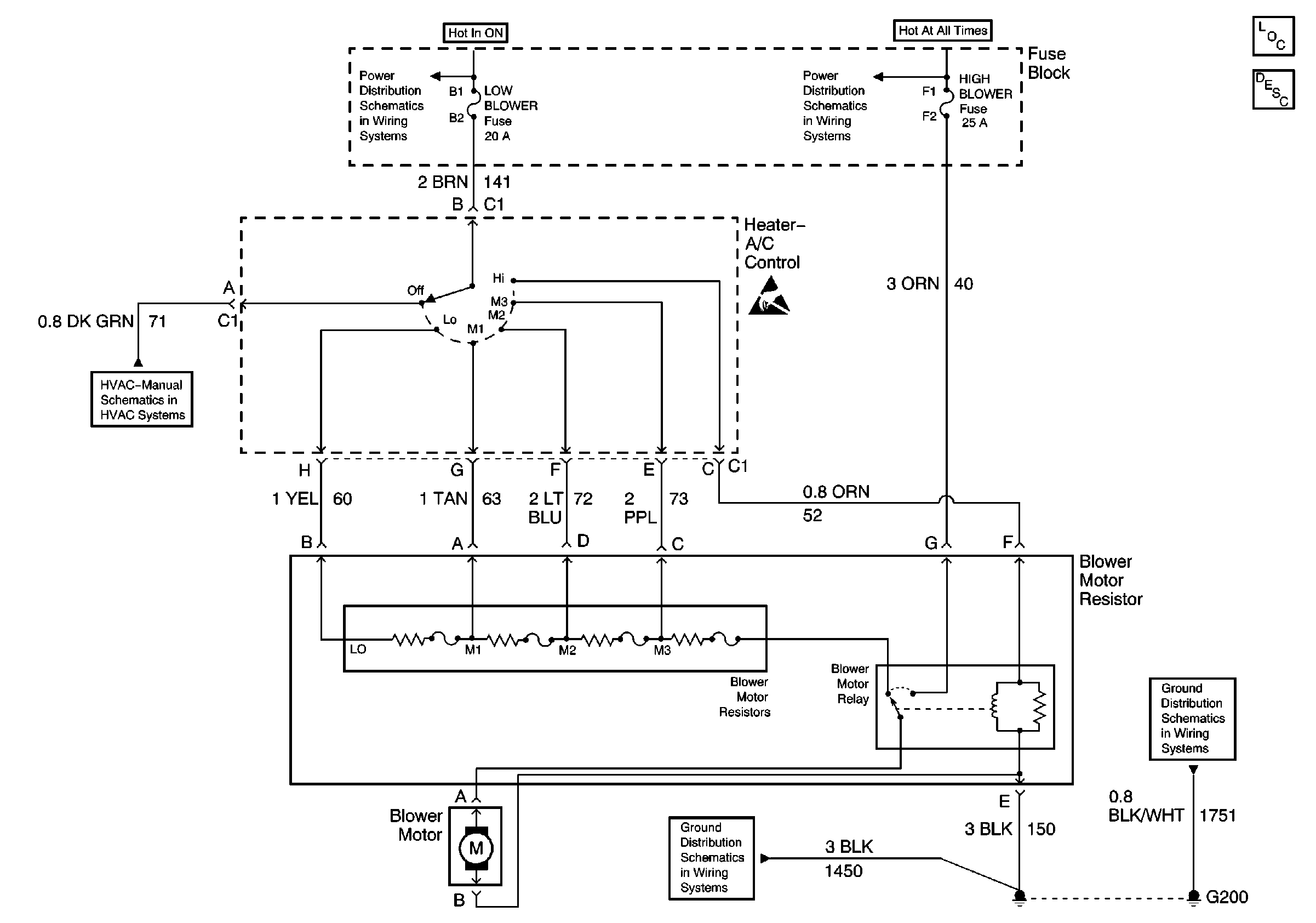
🢒 HVAC Blower Control Schematics
HVAC Components
HVAC Blower Controls Circuit Description
Compressor Controls C67
Low Blower, Cruise and HVAC Fuses
High Blower, Hazard, Stop Lamps, Door Locks and Power Mirrors Fuses
Compressor Controls C67
Ground G200
Ground G200