GM Service Manual Online
For 1990-2009 cars only
Makes
🢒
Oldsmobile
🢒
2000
🢒
Intrigue
🢒
Body and Accessories
🢒
Lighting Systems
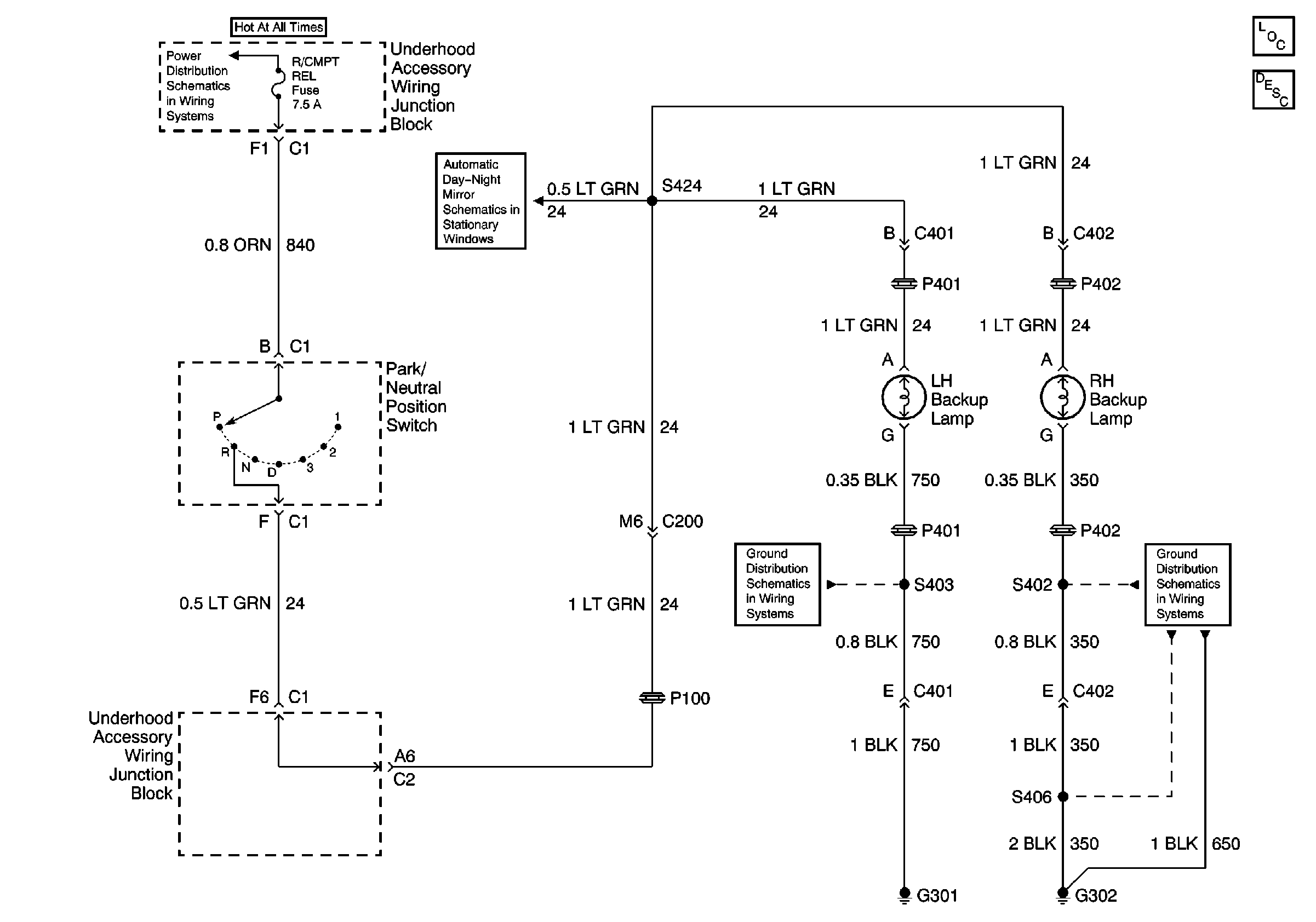
🢒 Backup Lamp Schematics
Rear Cmpt Rel, ECM, GEN, Fog Lamps, Fuel Pump, A/C Clutch and Horn FusEs
Automatic Day-Night Mirrors Schematics
Ground G301 3 of 3
Ground G302 2 of 2
Lighting Systems Components
Backup Lamp Circuit Description