GM Service Manual Online
For 1990-2009 cars only
Makes
🢒
Oldsmobile
🢒
2000
🢒
Intrigue
🢒
Body and Accessories
🢒
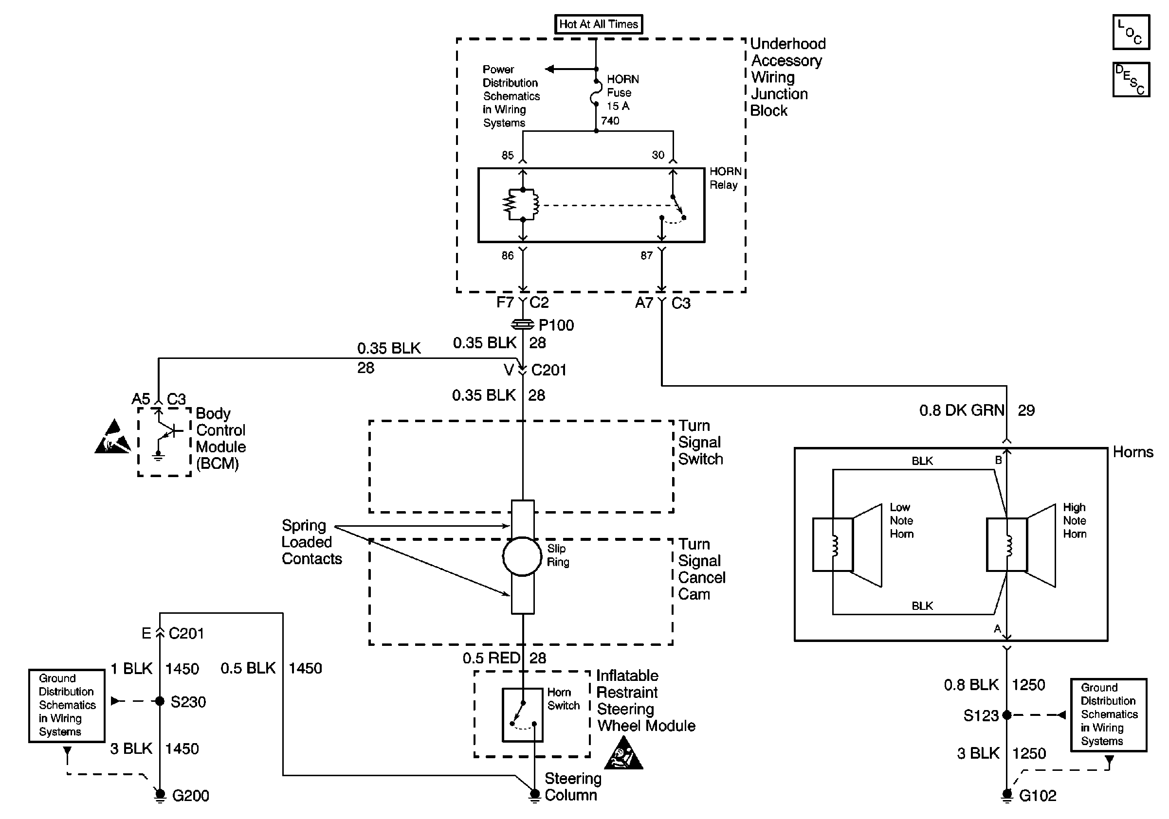
Horns
🢒 Horn Schematics
Engine MaxiFuses, Underhood Fuses and Ignition Main Relay
Handling ESD Sensitive Parts Notice
Ground G200
SIR Handling Caution
Grounds G100, G101, G110
Horns Components
Horns Circuit Description