GM Service Manual Online
For 1990-2009 cars only
Makes
🢒
Oldsmobile
🢒
2000
🢒
Intrigue
🢒
Body and Accessories
🢒
Stationary Windows
🢒 Defogger Schematics
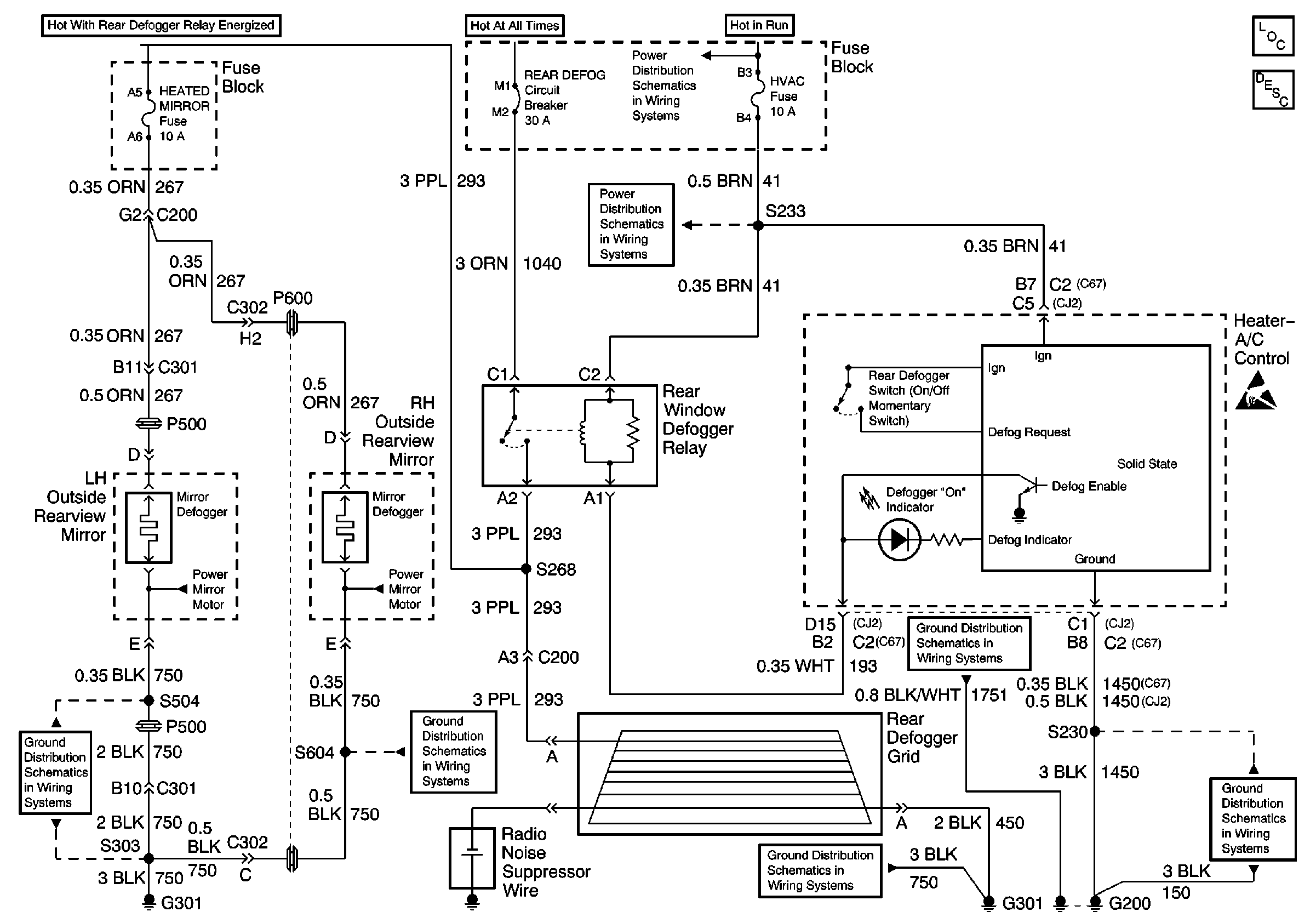
Rear Window Defogger Circuit Description