GM Service Manual Online
For 1990-2009 cars only
Makes
🢒
Oldsmobile
🢒
2000
🢒
Intrigue
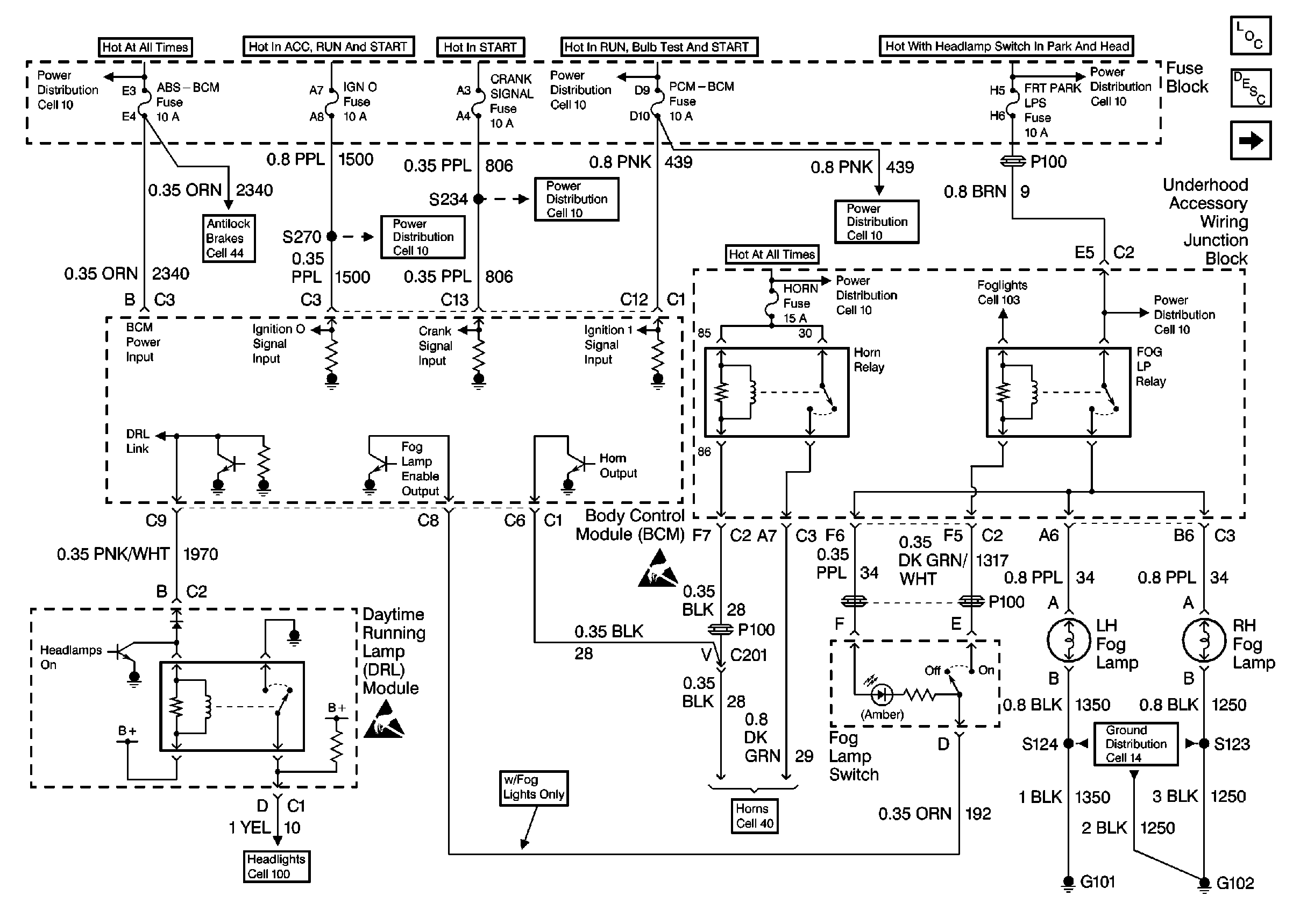
🢒 Cell 51: BCM Power, DRL Link, Fog Lamps, and Horn
Cell 51: BCM Power, DRL Link, Fog Lamps, and Horn
Cell 51: BCM Power, DRL Link, Fog Lamps, and Horn
Body Control Module Components
Body Control System Description
Cell 51: PASSLOCK Sensor, Tire Pressure Monitor, TCS, Serial Data (Class2) (w/Electronic Traction Control Switch)
Handling Electrostatic Discharge Sensitive Parts Notice
Handling Electrostatic Discharge Sensitive Parts Notice
Power Distribution Schematics
Power Distribution Schematics
Power Distribution Schematics
Power Distribution Schematics
Power Distribution Schematics
Power Distribution Schematics
Power Distribution Schematics
Power Distribution Schematics
ABS/ETS Schematics
Headlights Schematics
Fog Lights Schematics
Horn Schematics
Ground Distribution Schematics