GM Service Manual Online
For 1990-2009 cars only
Makes
🢒
Oldsmobile
🢒
2000
🢒
Intrigue
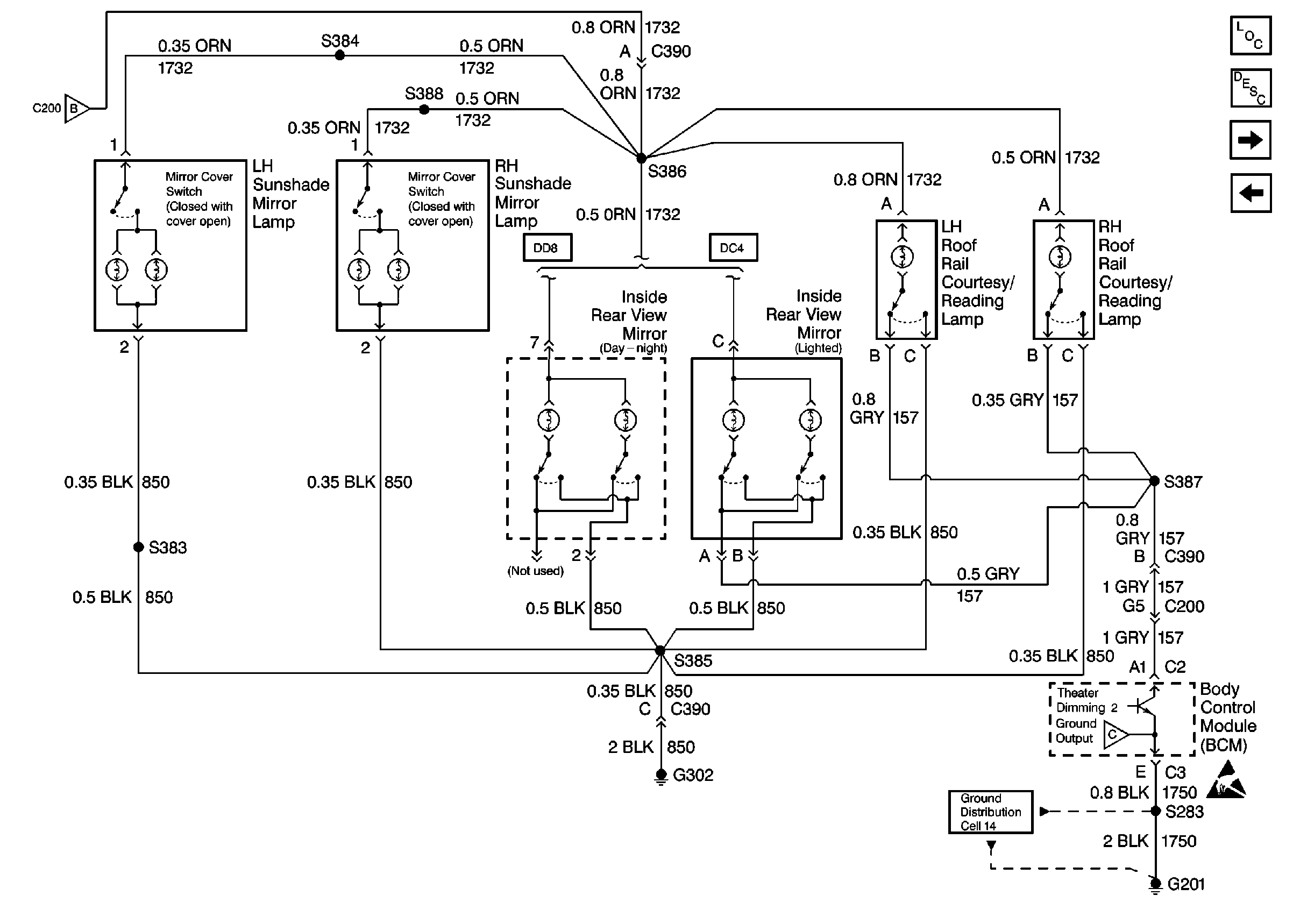
🢒 Cell 51: Theater Dimming 2 Output
Cell 51: Theater Dimming 2 Output
Cell 51: Theater Dimming 2 Output
Body Control Module Components
Body Control System Description
Cell 51: Auto Door Lock Inputs, RFA Link
Cell 51: Interior Lights B+ Output, Theater Dimming 1 Output, Trunk Ajar Input
Handling Electrostatic Discharge Sensitive Parts Notice
Ground Distribution Schematics