GM Service Manual Online
For 1990-2009 cars only
Makes
🢒
Oldsmobile
🢒
2000
🢒
Intrigue
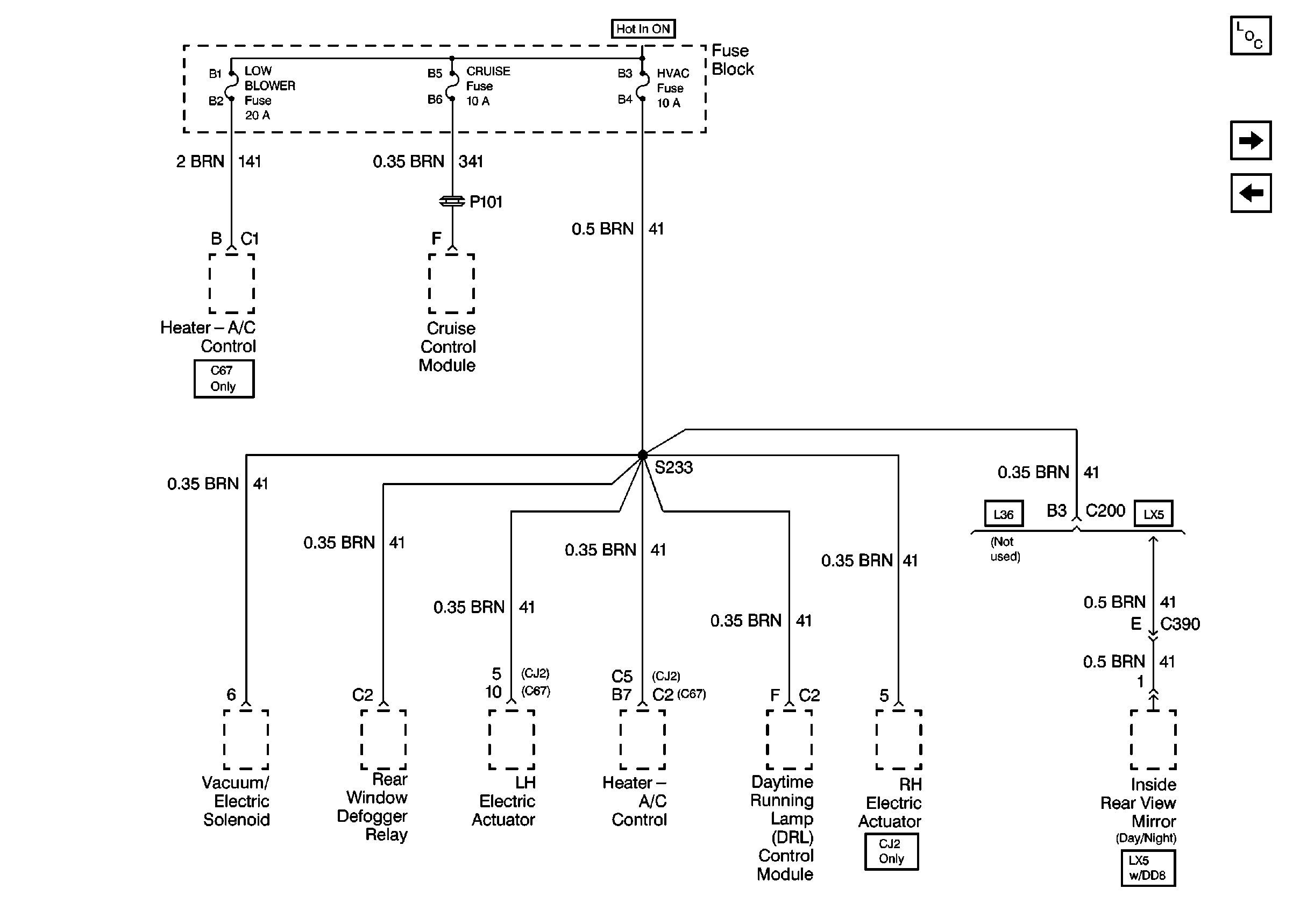
🢒 Cell 10: CRUISE, HVAC, and LOW BLOWER Fuses
Cell 10: CRUISE, HVAC, and LOW BLOWER Fuses
Cell 10: CRUISE, HVAC, and LOW BLOWER Fuses
Power and Grounding Components
Cell 10: ABS, and BTSI Fuses
Cell 10: ABS, CRANK SIGNAL BCM CLUSTER, HEATED MIRROR, and IGN 0:CLUSTER PCM & BCM Fuses