GM Service Manual Online
For 1990-2009 cars only
Makes
🢒
Oldsmobile
🢒
2000
🢒
Intrigue
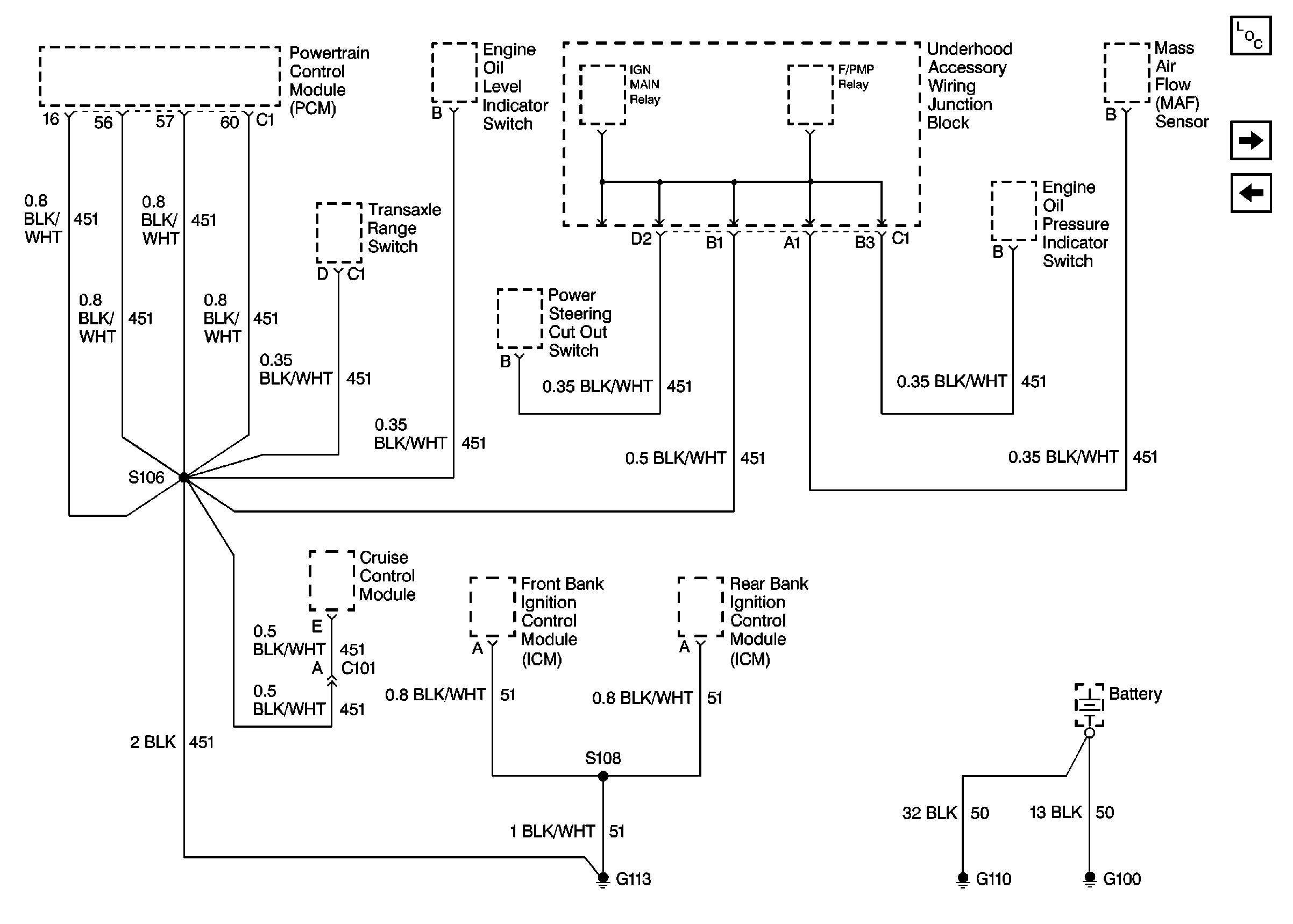
🢒 Cell 14: LX5 Engine Grounds G100, G110, and G113
Cell 14: LX5 Engine Grounds G100, G110, and G113
Cell 14: LX5 Engine Grounds G100, G110, and G113
Power and Grounding Components
Cell 14: L36 Engine Grounds G100, G111, and G113
Cell 14: Forward Lamp Grounds G101, and G102