GM Service Manual Online
For 1990-2009 cars only
Makes
🢒
Oldsmobile
🢒
2000
🢒
Intrigue
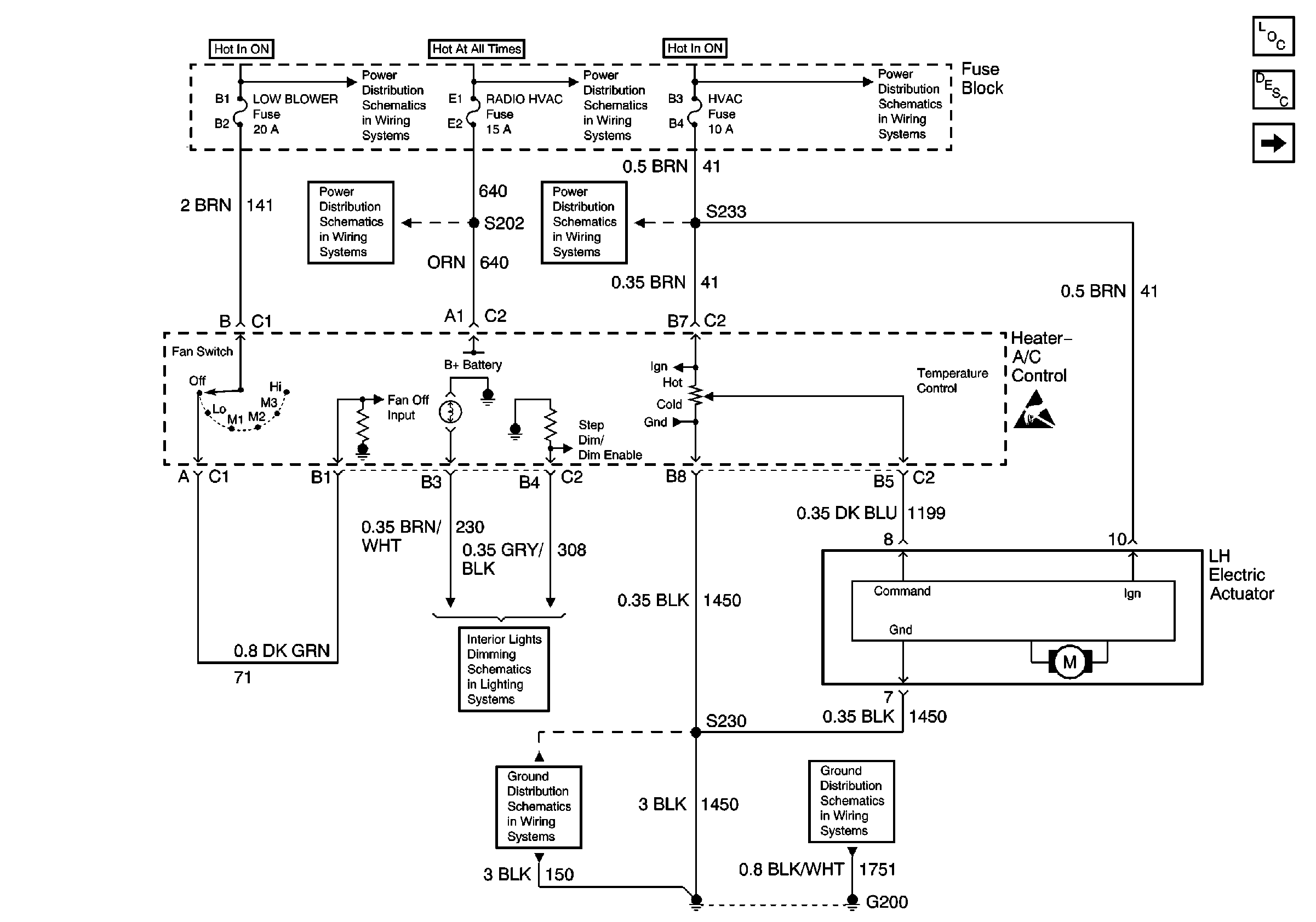
🢒 Heater A/C Control C67
Heater A/C Control C67
HVAC Components
HVAC Air Delivery/Temperature Control Circuit Description
Air System C67
Compressor Controls C67
Low Blower, Cruise and HVAC Fuses
Radio/HVAC/RFA/Cluster/DATA Link, Cigar LTR./AUX Power and CD Changer Fuses
Low Blower, Cruise and HVAC Fuses
Radio/HVAC/RFA/Cluster/DATA Link, Cigar LTR./AUX Power and CD Changer Fuses
Low Blower, Cruise and HVAC Fuses
Ground G200
Ground G200