GM Service Manual Online
For 1990-2009 cars only
Makes
🢒
Oldsmobile
🢒
2000
🢒
Intrigue
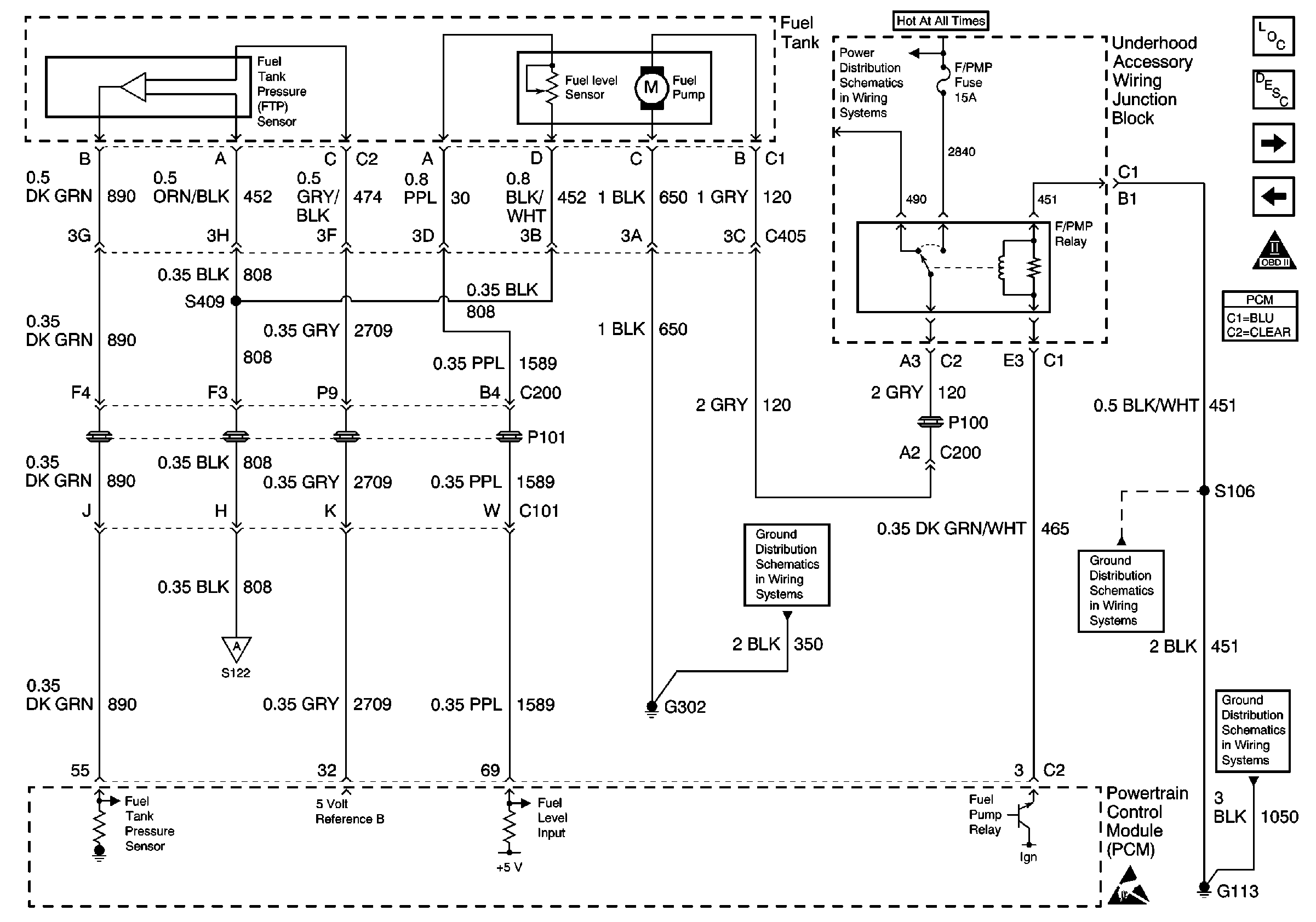
🢒 PCM Fuel Tank Inputs
PCM Fuel Tank Inputs
PCM Fuel Tank Inputs
Engine MaxiFuses, Underhood Fuses and Ignition Main Relay
Ground G302 2 of 2
Ground G113
Ground G113
Handling ESD Sensitive Parts Notice
Engine Controls Component Views
Powertrain Control Module Description
PCM Emission Inputs
Crankshaft and Camshaft Position Sensor
OBD II Symbol Description Notice