GM Service Manual Online
For 1990-2009 cars only
Makes
🢒
Oldsmobile
🢒
2000
🢒
Intrigue
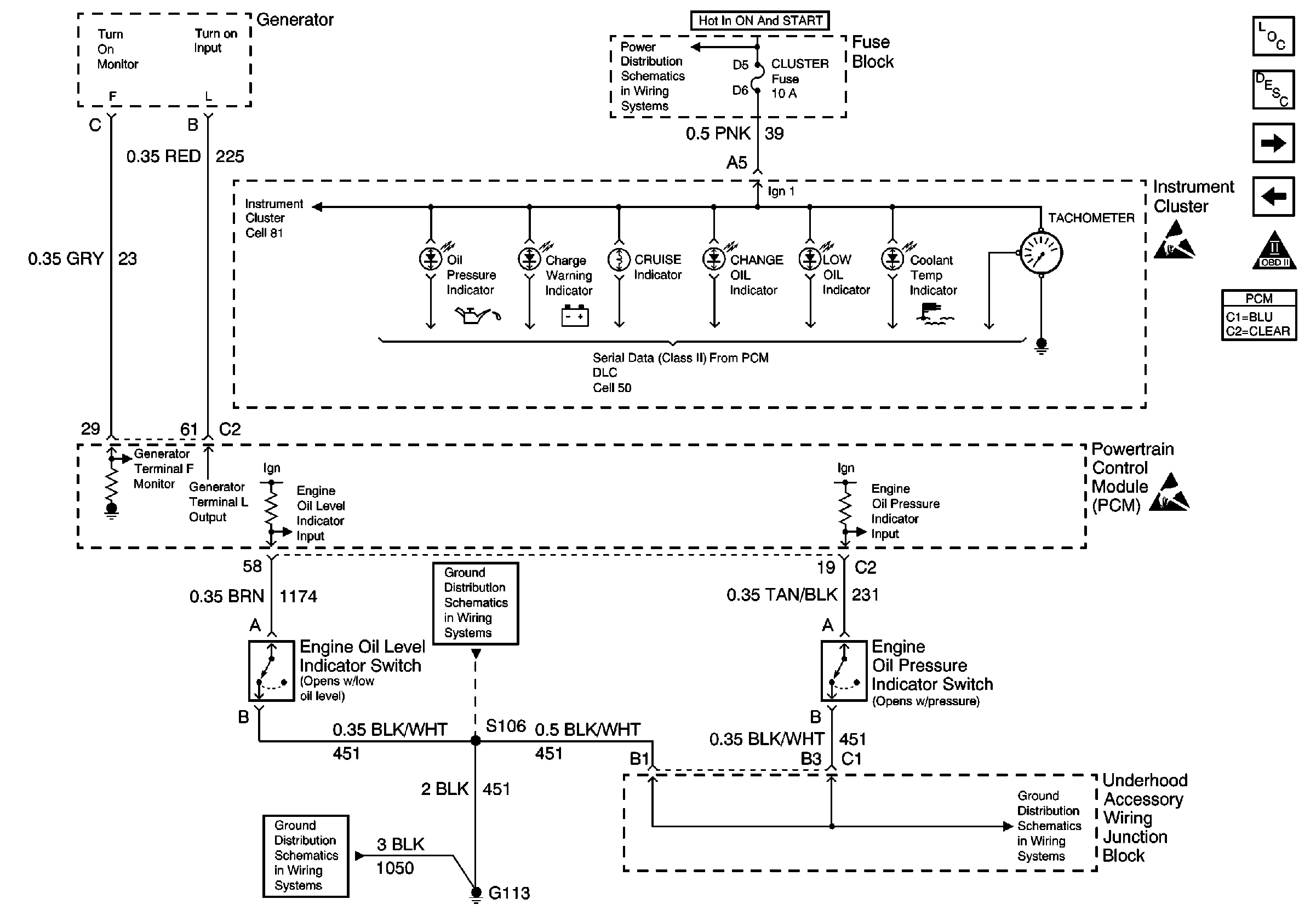
🢒 PCM Engine Oil Level and Pressure Inputs
PCM Engine Oil Level and Pressure Inputs
PCM Engine Oil Level and Pressure Inputs
Turn Signal/Corn Lps, Air Bag, Cluster
Ground G113
Ground G113
Ground G117
Handling ESD Sensitive Parts Notice
Handling ESD Sensitive Parts Notice
Engine Controls Component Views
Powertrain Control Module Description
PCM Automatic Transaxle Inputs
PCM Emission Inputs
OBD II Symbol Description Notice