GM Service Manual Online
For 1990-2009 cars only

Object Number: 289098  Size: LF
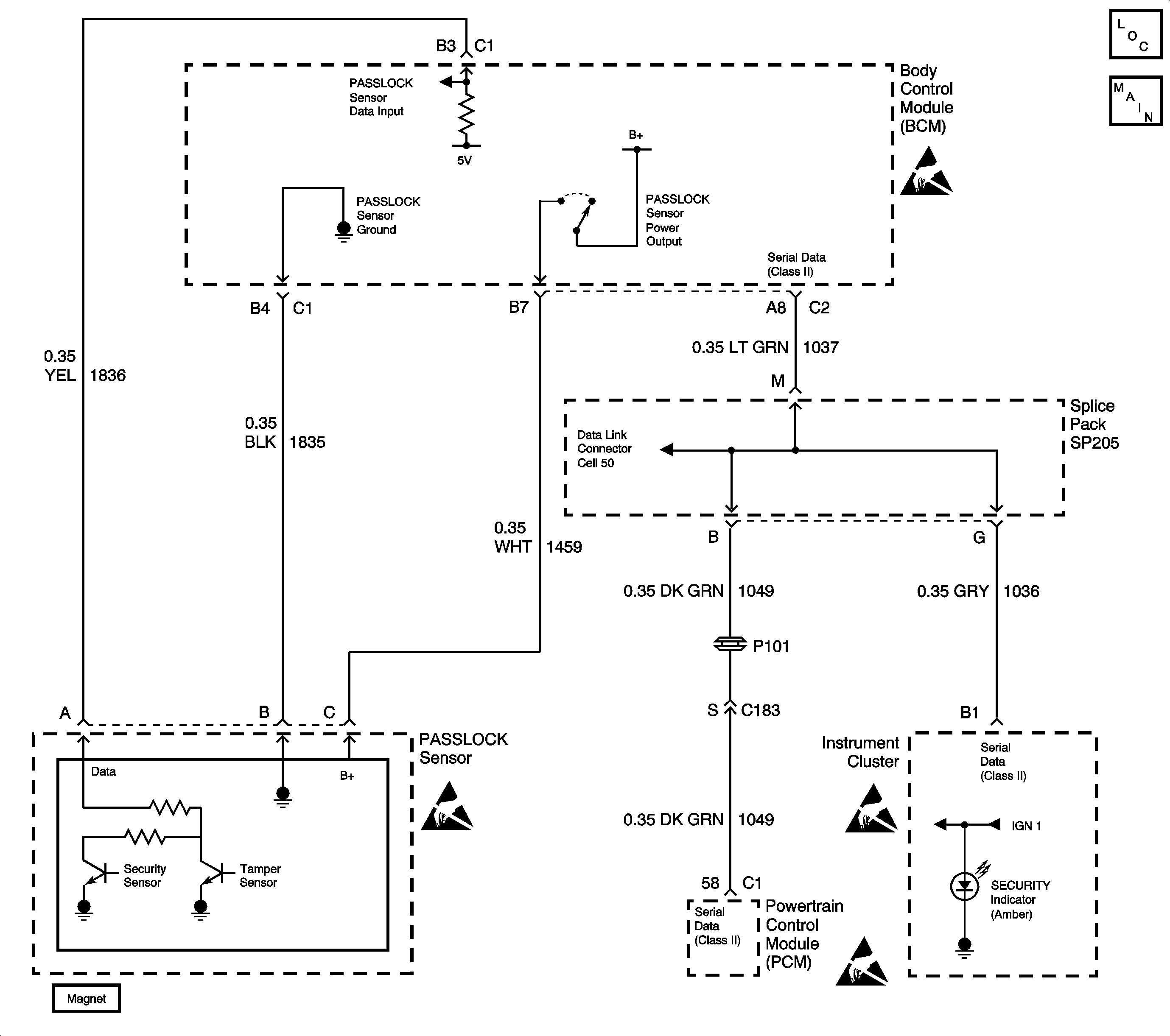
Theft Deterrent System Components
Theft Deterrent System Schematics
Handling Electrostatic Discharge Sensitive Parts Notice
Handling Electrostatic Discharge Sensitive Parts Notice
Handling Electrostatic Discharge Sensitive Parts Notice
Handling Electrostatic Discharge Sensitive Parts Notice

Circuit Description

The Passlock™ theft deterrent system contains a Passlock™ sensor. The Passlock™ sensor is part of the ignition lock cylinder assembly. The body control module (BCM) provides voltage (B+) to the Passlock™ sensor through circuit 1459 when the ignition switch is in the accessory, on, or start. The BCM also provides ground to the Passlock™ sensor through circuit  1835. The Passlock™ sensor interfaces with the BCM through the Passlock™ detection circuit 1836.

When turning the ignition switch to the start position with the proper key, the Passlock™ sensor generates an analog voltage signal. This signal is sent through the Passlock™ detecting circuit. This analog voltage signal is of a specific value to the vehicle, and varies from vehicle to vehicle. When attempting to start the engine, the BCM compares a preset stored analog voltage value with the signal coming from the sensor. Because both values match, the BCM sends a fuel enable password via the Class 2 serial data link to the powertrain control module (PCM). As a result, the PCM enables the crank relay, and allows fuel delivery to the engine.

When attempting to start the engine by means other than using the proper key in the ignition switch, the Passlock™ sensor sends an analog voltage signal of a different value. The BCM compares the preset stored analog voltage value with the signal coming from the sensor. Because both values do not match, the BCM sends a fuel disable password via the Class 2 serial data link to the powertrain control module (PCM). As a result, the PCM disables the crank relay, and stops fuel delivery to the engine.

Conditions for Setting the DTC

    • The analog voltage signal sampled at the BCM's Passlock™ detection circuit is one of 9 valid but incorrect Passlock™ sensor analog voltage signal ranges; signaling an invalid Passlock™ detection.
    • Condition must be present during an engine start attempt, or for one second anytime after the engine has started.

Action Taken When the DTC Sets

The BCM will take one of two actions:

    • If the Passlock™ sensor analog voltage signal sample is out of range when attempting to start the vehicle, then the BCM:
       - Stores DTC B2960 in memory.
       - Sends a message to the instrument cluster to flash the SECURITY indicator.
       - The BCM sends a message to the PCM via Class 2 serial data link to disable the crank relay, and stops fuel delivery to the engine.
       - Disables the sampling of the Passlock™ sensor analog voltage signal for a time-out period of ten minutes.
       - If the ignition switch is left on for at least ten minutes, the BCM enters the theft deterrent re-learn mode.
    • If the Passlock™ sensor analog voltage signal sample is initially the proper value (and the engine starts), but later on (during the same ignition cycle) the Passlock™ sensor analog voltage signal is out of range, then the BCM:
       - Stores DTC B2960 in the BCM memory.
       - The BCM enters fail-enable mode.
       - Sends a message to the instrument cluster to turn on the SECURITY indicator.
       - Upon subsequent engine start attempts, the BCM will send a message to the PCM via Class 2 serial data link to enable the crank relay, and to deliver fuel to the engine.

Conditions for Clearing the DTC

    • A current DTC B2960 clears when the BCM detects the correct Passlock™ sensor analog voltage signal on the Passlock™ detection circuit 1836.
    • A history DTC will clear after 100 consecutive ignition cycles if the condition for the malfunction is no longer present.
    • Using a scan tool.

Diagnostic Aids

    • The following conditions may cause an intermittent malfunction to occur:
       - Excessive resistance in the Passlock™ detection circuit 1836.
       - Poor connections at the BCM or the Passlock™ sensor electrical connector.
    • If the Passlock™ sensor analog voltage signal is incorrect, then there will be no communication from the BCM to the PCM to enable the crank relay and to enable fuel delivery to the engine. This vehicle disable period state will last approximately ten minutes during which time the SECURITY indicator will flash when the ignition switch is on. Disconnecting the battery will not clear the timer sequence, it will resume when battery power is restored. Even if a proper Passlock™ sensor analog voltage signal is read during the vehicle disable period, the vehicle will not start until the ten minute time period has elapsed. After this ten minute time period, the SECURITY indicator will change from a flashing state to a solid on state. At this time, the BCM enters the theft deterrent re-learn mode. Also, the engine will start if the BCM detects the correct Passlock™ sensor analog voltage signal.
    • Check for poor connections at both the BCM and the ignition lock cylinder assembly, these could cause an open, incorrect Passlock™ sensor voltage signal, or intermittent malfunction. If the DTC is a history DTC, the problem may be intermittent. Try performing the tests shown while moving wiring, connectors, and the key, this can often cause the malfunction to appear.
    • DTC B2958 may set in the BCM when the ignition switch is on with the Passlock™ sensor electrical connector disconnected. When BCM diagnostics and repairs are completed for DTC B2960, clear BCM DTCs.

Test Description

The numbers below refer to the step numbers on the diagnostic table.

  1. This DTC may set when the Theft Deterrent Re-Learn procedure was not performed after a ignition lock cylinder assembly replacement.

  2. DTC B2723 identifies an open or short to B+ in circuit 1836.

  3. Checks for power to the Passlock™ sensor.

  4. Checks for a faulty BCM not grounding the Passlock™ sensor.

  5. Checks for an open in circuit 1835.

  6. Checks for an open in circuit 1459.

  7. Determines whether the BCM is not reading properly the voltage signal from the Passlock™ sensor.

  8. Determines whether the Passlock™ sensor is faulty and not due to excessive voltage level sample in circuit 1836.

Step

Action

Value(s)

Yes

No

1

Did you perform the Theft Deterrent Diagnostic System Check?

--

Go to Step 2

Go to Diagnostic System Check - Theft Deterrent

2

Was the ignition lock cylinder replaced?

--

Go to Step 10

Go to Step 3

3

Is DTC B2958 also set as a current DTC in the BCM?

--

Go to Diagnostic Trouble Code (DTC) List/Type

Go to Step 4

4

  1. Turn the ignition switch on.
  2. Using a DMM, measure the voltage by backprobing between the BCM harness connector C2 terminal B7 and ground.

Is the voltage measured within the specified range?

B+

Go to Step 5

Go to Step 11

5

Using a DMM, measure the resistance by backprobing between the BCM harness connector C1 terminal B4 and BCM harness connector C4 terminal B.

Is the resistance measured less than the specified value?

2 ohms

Go to Step 6

Go to Step 11

6

  1. Turn the ignition switch off.
  2. Disconnect the Passlock™ sensor electrical connector.
  3. Using a DMM, measure the resistance between the Passlock™ sensor harness connector terminal B and BCM harness connector C4 terminal B.

Is the resistance measured less than the specified value?

2 ohms

Go to Step 7

Go to Step 12

7

  1. Turn the ignition switch on.
  2. Using a DMM, measure the voltage between the Passlock™ sensor harness connector terminal C and ground.

Is the voltage measured within the specified range?

B+

Go to Step 8

Go to Step 13

8

  1. Turn the ignition switch off.
  2. Reconnect the Passlock™ sensor electrical connector.
  3. Connect a DMM by backprobing between the BCM harness connector C1 terminal B3 and the BCM harness connector C4 terminal B.
  4. Turn the ignition switch to start, then to the on position.
  5. Using a scan tool, monitor the Passlock™ voltage output.

Is the PASSLOCK voltage output displayed on the scan tool same (+/- 0.5V) as the voltage measured with the DMM?

--

Go to Step 9

Go to Step 11

9

  1. Turn the ignition switch off.
  2. Disconnect the Passlock™ sensor electrical connector.
  3. Using a DMM, measure the resistance between the BCM harness connector C1 terminal B3 and the Passlock™ sensor harness connector terminal A.

Is the resistance measured less than the specified value?

2 ohms

Go to Step 14

Go to Step 15

10

  1. Perform the theft deterrent re-learn procedure. Refer to Body Control Module (BCM) Programming/RPO Configuration in Body Control System.
  2. Using a scan tool, clear BCM DTCs.
  3. Turn the ignition switch from the off to the start position, then leave it in the on position.
  4. Using scan tool, check for BCM current DTCs.

Does this DTC reset as a current DTC?

--

Go to Step 3

System OK

11

  1. Check the BCM connectors for a poor electrical connection, and repair as necessary.
  2. If the BCM connections are OK, then replace the BCM. Refer to Body Control Module Replacement in Body Control System.
  3. After BCM replacement, perform the setup new BCM procedure. Refer to Body Control Module (BCM) Programming/RPO Configuration in Body Control System.

Is the repair complete?

--

Go to Step 16

--

12

Repair poor connection or open in circuit 1835.

Is the repair complete?

--

Go to Step 16

--

13

Repair poor connection or open in circuit 1459.

Is the repair complete?

--

Go to Step 16

--

14

  1. Replace the ignition lock cylinder. The Passlock™ sensor is part of the ignition lock cylinder, therefore the Passlock™ sensor is not serviceable separately. Refer to Ignition and Start Switch Replacement in Instrument Panel, Gauges and Console.
  2. Perform the theft deterrent re-learn procedure. Refer to Body Control Module (BCM) Programming/RPO Configuration in Body Control System.

Is the repair complete?

--

Go to Step 16

--

15

Repair poor connection or open in circuit 1836.

Is the repair complete?

--

Go to Step 16

--

16

  1. Turn the ignition switch off.
  2. Reinstall connectors/components removed.
  3. Turn the ignition switch on.
  4. Clear BCM DTCs.
  5. Turn the ignition switch off.
  6. Turn the ignition switch to start, then to the on position.
  7. Using scan tool, check for BCM DTCs.

Are there any current BCM DTCs present?

--

Go to Diagnostic System Check - Theft Deterrent

System OK