GM Service Manual Online
For 1990-2009 cars only

Removal Procedure

  1. Disconnect the negative battery cable. Refer to Battery Negative Cable Disconnection and Connection in Engine Electrical.
  2. Remove the fuel injector sight shield. Refer to Fuel Injector Sight Shield Replacement in Engine Mechanical-3.5L.
  3. Remove the engine mount strut bracket. Refer to Engine Mount Strut Bracket Replacement in Engine Mechanical-3.5L.
  4. Remove the radiator. Refer to Radiator Replacement in Engine Cooling.
  5. Remove the generator. Refer to Generator Replacement in Engine Electrical.

  6. Object Number: 277022  Size: SH
  7. Remove the exhaust manifold heat shield retaining bolts.
  8. Remove the exhaust manifold heat shield.
  9. Remove the oil level indicator and tube. Refer to Oil Level Indicator and Tube Replacement in Engine Mechanical-3.5L.

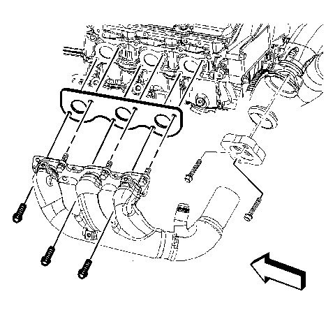
  10. Object Number: 234326  Size: SH
  11. Disconnect the vacuum tube (1) from the A.I.R. control valve.
  12. Disconnect the feed pipe nut (3) from the exhaust manifold.
  13. Remove the A.I.R. control valve retaining bolt.
  14. Remove the A.I.R. control valve from the engine mount strut bracket.

  15. Object Number: 240838  Size: SH
  16. Loosen the exhaust manifold bolts.

  17. Object Number: 234125  Size: SH
  18. Remove the left exhaust manifold to crossover pipe flange retaining studs (3) and the flange gasket (1).
  19. Remove the exhaust manifold bolts (4).
  20. Remove the exhaust manifold (5) and the gasket (6). DO NOT reuse the gasket.
  21. Clean and inspect the exhaust manifold. Refer to Exhaust Manifold Cleaning and Inspection - Left Side in Engine Mechanical-3.5L Unit Repair.

Installation Procedure


    Object Number: 234125  Size: SH
  1. Install a new manifold to crossover flange gasket onto the manifold flange.
  2. Notice: Use the correct fastener in the correct location. Replacement fasteners must be the correct part number for that application. Fasteners requiring replacement or fasteners requiring the use of thread locking compound or sealant are identified in the service procedure. Do not use paints, lubricants, or corrosion inhibitors on fasteners or fastener joint surfaces unless specified. These coatings affect fastener torque and joint clamping force and may damage the fastener. Use the correct tightening sequence and specifications when installing fasteners in order to avoid damage to parts and systems.

  3. Install the exhaust manifold to crossover pipe flange retaining studs.
  4. Tighten
    Tighten the exhaust manifold to crossover flange studs to 25 N·m (18 lb ft).

  5. Position a new exhaust manifold gasket onto the manifold.
  6. Install the exhaust manifold bolts.

  7. Object Number: 240838  Size: SH
  8. Tighten the exhaust manifold bolts.
  9. Tighten
    Tighten the exhaust manifold bolts to 25 N·m (18 lb ft).


    Object Number: 234326  Size: SH
  10. Install the A.I.R. control valve to the engine mount strut bracket.
  11. Connect the feed pipe nut (3) to the exhaust manifold.
  12. Install the A.I.R. control valve retaining bolt (2).
  13. Connect the vacuum tube (1) to the A.I.R. control valve.
  14. Install the control valve-to-engine mount strut bracket bolt.
  15. Tighten
    Tighten the control valve retaining bolt to 9 N·m (80 lb in).

  16. Install the feed pipe nut (3).
  17. Tighten
    Tighten the feed pipe nut to 60 N·m (44 lb ft).

  18. Install the oil level indicator and tube. Refer to Oil Level Indicator and Tube Replacement in Engine Mechanical-3.5L.

  19. Object Number: 277022  Size: SH
  20. Place the exhaust manifold heat shield in position.
  21. Install the heat shield retaining bolts.
  22. Tighten
    Tighten the heat shield retaining bolts to 9 N·m (80 lb in).

  23. Install the generator. Refer to Generator Replacement in Engine Electrical.
  24. Install the radiator. Refer to Radiator Replacement in Engine Cooling.
  25. Install the engine mount strut bracket. Refer to Engine Mount Strut Bracket Replacement in Engine Mechanical-3.5L.
  26. Install the fuel injector sight shield. Refer to Fuel Injector Sight Shield Replacement in Engine Mechanical-3.5L.
  27. Connect the negative battery cable. Refer to Battery Negative Cable Disconnection and Connection in Engine Electrical.