GM Service Manual Online
For 1990-2009 cars only

Removal Procedure

Notice: 

   • Remove the fuel rail assembly carefully in order to prevent damage to the injector electrical connector terminals and the injector spray tips. Support the fuel rail after the fuel rail is removed in order to avoid damaging the fuel rail components.
   • Cap the fittings and plug the holes when servicing the fuel system in order to prevent dirt and other contaminants from entering open pipes and passages.


    Object Number: 565064  Size: SH
  1. Relieve the fuel system pressure. Refer to Fuel Pressure Relief .
  2. Clean the fuel rail assembly with a spray type engine cleaner, GM X-30A or equivalent, if necessary. Follow the package instructions. Do not soak the fuel rail in liquid cleaning solvent.
  3. Disconnect the fuel feed and return pipes (4, 5) from the fuel rail. Refer to Metal Collar Quick Connect Fitting Service .

  4. Object Number: 292672  Size: SH
  5. Disconnect the fuel pressure regulator vacuum hose (1).

  6. Object Number: 293488  Size: SH
  7. Disconnect the fuel injector electrical connectors (1) from each fuel injector.

  8. Object Number: 234312  Size: SH
  9. Release the 4 snap-lock tabs on the fuel rail assembly by pushing toward the camshaft covers and lifting.
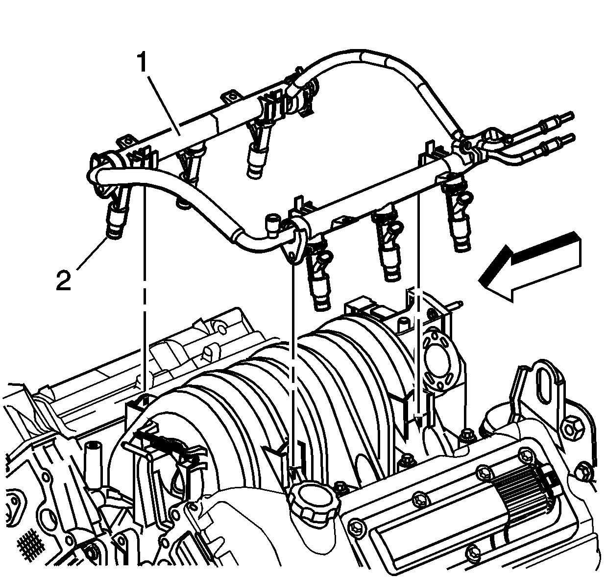
  10. Remove the fuel rail (1).
  11. Remove the injector lower O-ring seal from the spray tip end of each injector.
  12. Discard the O-ring seals.

Installation Procedure

Notice: 

   • Use care when servicing the fuel system components, especially the fuel injector electrical connectors, the fuel injector tips, and the injector O-rings. Plug the inlet and the outlet ports of the fuel rail in order to prevent contamination.
   • Do not use compressed air to clean the fuel rail assembly as this may damage the fuel rail components.
   • Do not immerse the fuel rail assembly in a solvent bath in order to prevent damage to the fuel rail assembly.


    Object Number: 234312  Size: SH
  1. Lubricate the new lower injector O-ring seals with clean engine oil.
  2. Install the new O-ring seals on the spray tip end of each injector.
  3. Install the fuel rail assembly (1) onto the intake manifold. A snap will be heard when the injectors are properly seated.

  4. Object Number: 293488  Size: SH
  5. Connect the fuel injector electrical connectors (1) to each fuel injector.

  6. Object Number: 292672  Size: SH
  7. Connect the fuel pressure regulator vacuum hose (1).

  8. Object Number: 565064  Size: SH
  9. Connect the fuel feed and return pipes (4,5) to the fuel rail. Refer to Metal Collar Quick Connect Fitting Service .
  10. Connect the negative battery cable. Refer to Battery Negative Cable Disconnection and Connection in Engine Electrical.
  11. Inspect for fuel leaks.
  12. 8.1. Turn ON the ignition for 2 seconds.
    8.2. Turn OFF the ignition for 10 seconds.
    8.3. Turn ON the ignition.
    8.4. Inspect for leaks.
  13. Install the fuel injector sight shield. Refer to Fuel Injector Sight Shield Replacement in Engine Mechanical-3.5 L.