GM Service Manual Online
For 1990-2009 cars only

Tools Required

J 39400-A Electronic Halogen Leak Detector

Removal Procedure

  1. Recover the refrigerant. Refer to Refrigerant Recovery and Recharging .
  2. Remove the right sheet metal diagonal brace. Refer to Front End Sheet Metal Diagonal Brace Replacement in Body Front End.
  3. Remove the generator. Refer to Generator Replacement in Engine Electrical.
  4. Important: The A/C compressor is accessed through the right wheel opening.

  5. Turn the steering wheel to the right before lifting the vehicle.
  6. Raise and support the vehicle. Refer to Lifting and Jacking the Vehicle in General Information.
  7. Remove the lower radiator air baffle. Refer to Radiator Air Baffle Assemblies and Deflectors in Engine Cooling.
  8. Remove the right side engine splash shield. Refer to Engine Splash Shield Replacement in Body Front End.
  9. Remove the A/C compressor hose bolt.
  10. Disconnect the A/C compressor hose from A/C compressor.

  11. Object Number: 282274  Size: SH
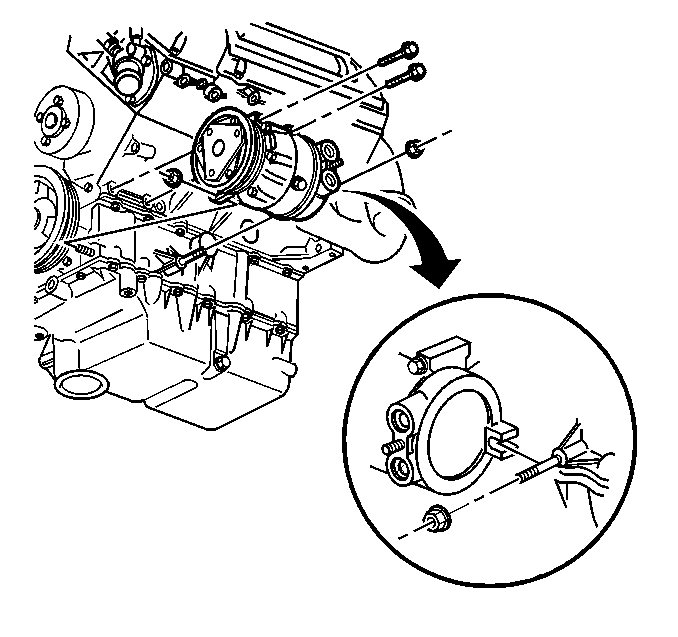
  12. Disconnect the electrical connector from the A/C compressor.
  13. Remove and discard the sealing washers.

  14. Object Number: 282836  Size: SH
  15. Remove the front and rear A/C compressor mounting bolts.
  16. Remove the top A/C compressor mounting bolts.
  17. Remove the A/C compressor.
  18. If replacing the A/C compressor, drain and measure as much of the PAG oil as possible from the removed A/C compressor:
  19. • Drain the PAG oil from both the suction and discharge ports of the removed A/C compressor into a clean container.
    • Rotate the A/C compressor crankshaft to assist draining the crankcase oil.
    • Measure and record the amount of PAG oil drained from the removed A/C compressor.
    • This measurement will be used during installation of the replacement A/C compressor.

Installation Procedure

Important: The replacement compressor is shipped without oil. Refer to Refrigerant System Capacities for compressor oil capacity.


    Object Number: 282836  Size: SH
  1. Install the A/C compressor.
  2. Notice: Use the correct fastener in the correct location. Replacement fasteners must be the correct part number for that application. Fasteners requiring replacement or fasteners requiring the use of thread locking compound or sealant are identified in the service procedure. Do not use paints, lubricants, or corrosion inhibitors on fasteners or fastener joint surfaces unless specified. These coatings affect fastener torque and joint clamping force and may damage the fastener. Use the correct tightening sequence and specifications when installing fasteners in order to avoid damage to parts and systems.

  3. Install the A/C compressor front bolts.
  4. Tighten
    Tighten the A/C compressor front bolts to 50 N·m (37 lb ft).

  5. Install the A/C compressor top bolts.
  6. Tighten
    Tighten the A/C compressor top bolts to 50 N·m (37 lb ft).

  7. Install the A/C compressor rear bolts.
  8. Tighten
    Tighten the A/C compressor rear bolts to 25 N·m (18 lb ft).

  9. Install the A/C compressor hose bolt.
  10. Tighten
    Tighten the A/C compressor hose bolts to 16 N·m (12 lb ft).

  11. Install the sealing washers. Refer to Compressor Sealing Washers Replacement .
  12. Connect the A/C compressor hose assembly to the rear of the A/C compressor. Refer to Compressor Hose Assembly Replacement .

  13. Object Number: 282274  Size: SH
  14. Connect the electrical connector to the A/C compressor.
  15. Install the right side engine splash shield. Refer to Engine Splash Shield Replacement in Body Front End.
  16. Lower the vehicle.
  17. Install the lower radiator air baffle. Refer to Radiator Air Baffle Assemblies and Deflectors in Engine Cooling.
  18. Install the generator. Refer to Generator Replacement in Engine Electrical.
  19. Install the right sheet metal diagonal brace. Refer to Front End Sheet Metal Diagonal Brace Replacement in Body Front End.
  20. Evacuate and recharge the A/C system. Refer to Refrigerant Recovery and Recharging .
  21. Leak test the fittings of the component usingJ 39400-A .