GM Service Manual Online
For 1990-2009 cars only
Figure 1:

Lower Right Front of Engine


Object Number: 696741  Size: MF
(1)A/C Compressor
(2)Generator
(3)Generator Battery Stud
(4)Generator Positive Battery Cable
(5)Generator Connector
(6)A/C Compressor Clutch Connector
Figure 2:

Left Front Side of Engine Compartment


Object Number: 589358  Size: LF
(1)A/C Refrigerant Pressure Sensor and Connector
Figure 3:

Forward of Radiator Support


Object Number: 305301  Size: LF
(1)Radiator Air Baffle
(2) Air Temperature Sensor-Ambient
Figure 4:

Right of Instrument Panel Cluster


Object Number: 589376  Size: LF
(1)Air Temperature Sensor-Inside
(2)Pigtail and Connector for Air Temperature Sensor-Inside
Figure 5:

Center of Instrument Panel


Object Number: 589371  Size: LF
(1)HVAC Control Module Connector
(2)HVAC Control Module
Figure 6:

Top Center of Instrument Panel


Object Number: 589374  Size: LF
(1)Ambient Light Sensor and Connector
(2)Sunload Sensor Connector
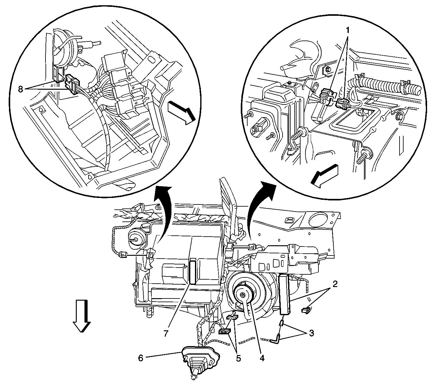
Figure 7:

Behind Right Side of Instrument Panel


Object Number: 589364  Size: LF
(1)Air Temperature Actuator-Right and Connector
(2)Vacuum Control Assembly and Connector
(3)Vacuum Hose Connection
(4)Blower Motor
(5)Blower Motor Control Processor and Connector
(6)P100
(7)HVAC Control Module
(8)Air Temperature Actuator-Left and Connector