GM Service Manual Online
For 1990-2009 cars only
Figure 1:

I/P-Lower Center, Passenger Side


Object Number: 589222  Size: LF
(1)Auxiliary Power Outlet and Connector
Figure 2:

Lower Center of Instrument Panel


Object Number: 589223  Size: LF
(1)HVAC Control Module
(2)Heated Seat Switch-Driver (w/KA1)
(3)Heated Seat Switch-Front Passenger (w/KA1)
(4)Cigar Lighter
Figure 3:

Fuse Block Side of Instrument Panel-Right


Object Number: 305345  Size: LF
(1)Fuse Block-IP
Figure 4:

Right of Instrument Panel Cluster


Object Number: 589226  Size: LF
(1)Ignition Switch Lamp Connector
(2)Ignition Switch Connector
(3)Ignition Switch Connector
(4)Ignition Switch
(5)Passlockā„¢ Sensor Connector
Figure 5:

Right Front of Engine Compartment


Object Number: 576566  Size: LF
(1)Positive Battery Cable
(2)Negative Battery Cable
(3)Positive Battery Cable to Remote Battery Stud
(4)Positive Battery Cable to Fuse Block-Underhood
(5)Fuse Block-Underhood
(6)G100
Figure 6:

Left Rear of Engine Compartment


Object Number: 576578  Size: LF
(1)Fuse Block-Underhood
(2)Positive Battery Cable to Remote Battery Stud
(3)Positive Battery Cable to Fuse Block-Underhood Accessory
(4)Fuse Block-Underhood Accessory
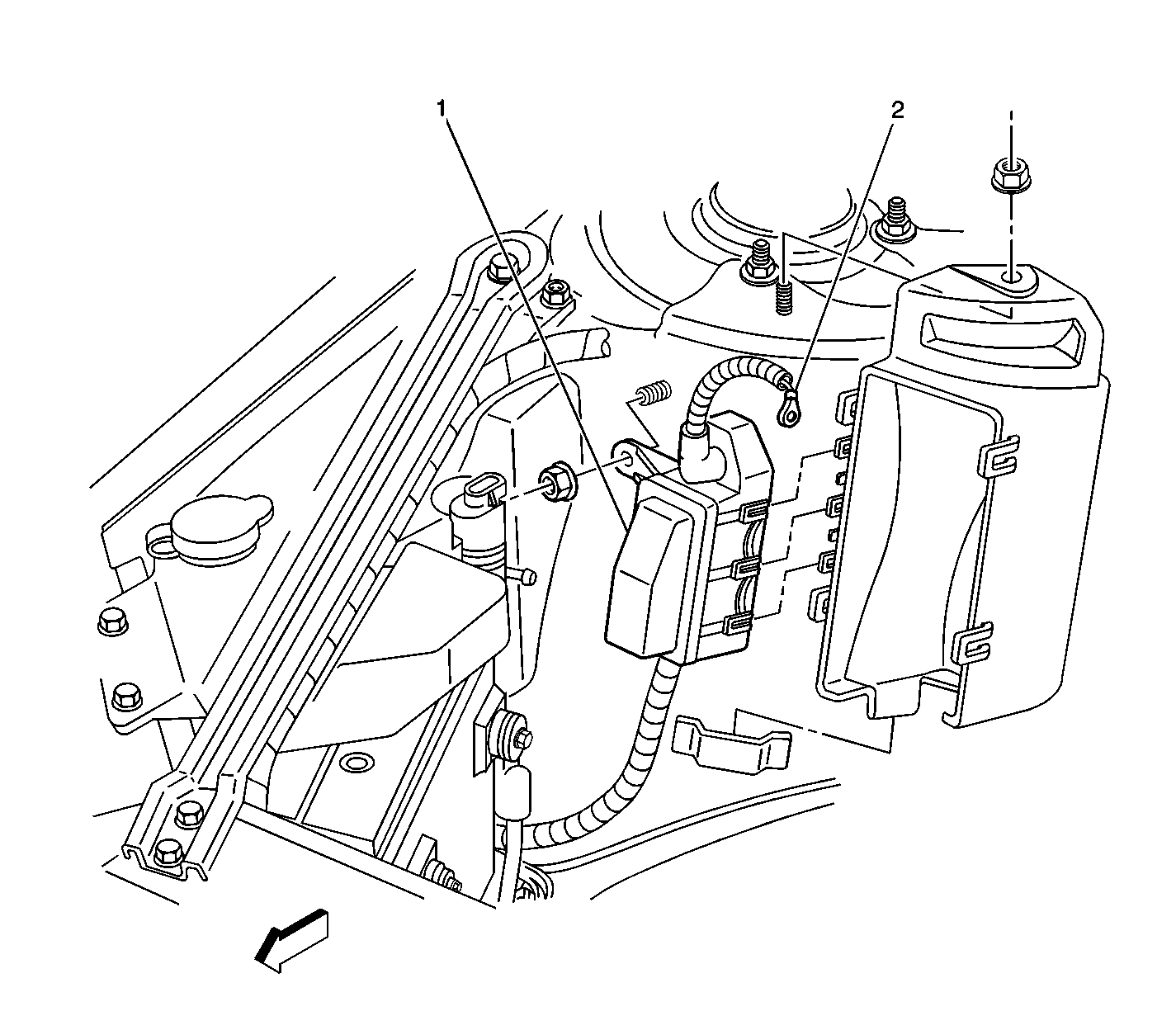
Figure 7:

Fuse Block-Underhood Accessory (NC1)


Object Number: 589230  Size: LF
(1)Fuse Block-Underhood Accessory
(2)Positive Battery Cable to Fuse Block-Underhood Accessory
Figure 8:

Lower Right of Engine Compartment


Object Number: 576827  Size: LF
(1)Fuse Block-Underhood Connector, C2
(2)Fuse Block-Underhood Connector, C3
Figure 9:

Lower Side of I/P, in Front of I/P Compartment-Right


Object Number: 593542  Size: LF
(1)Auxiliary Power Drop Connector--Taped To Harness