GM Service Manual Online
For 1990-2009 cars only
Makes
🢒
Oldsmobile
🢒
2001
🢒
Intrigue
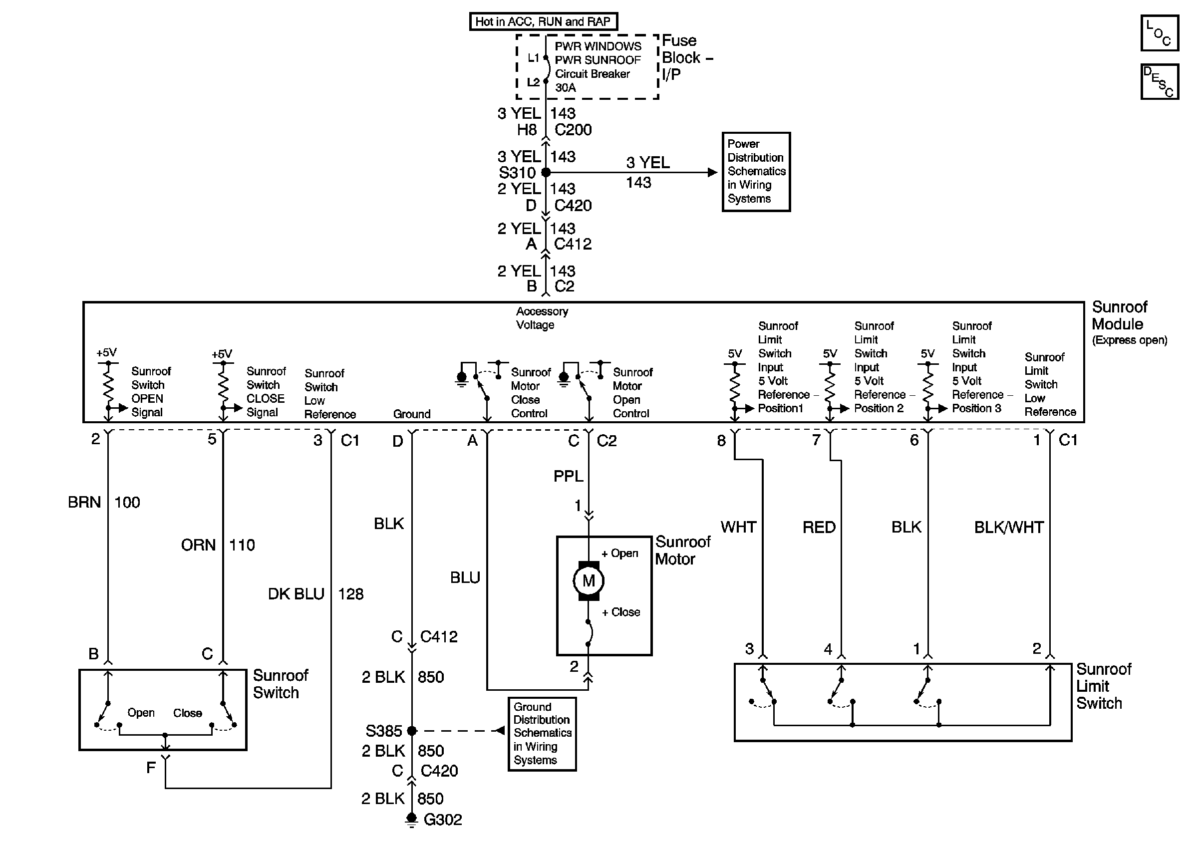
🢒 01 W-Car Olds: Power Sunroof Schematics: (Power, Ground and Switch)
01 W-Car Olds: Power Sunroof Schematics: (Power, Ground and Switch)
Master Electrical Component List original
Sunroof Description and Operation
IGN 1, PWR Windows/PWR Sunroof, Radio/Cruise, Power Drop and Wiper Fuses
Ground G302 (1 of 2)