GM Service Manual Online
For 1990-2009 cars only
Makes
🢒
Oldsmobile
🢒
2001
🢒
Intrigue
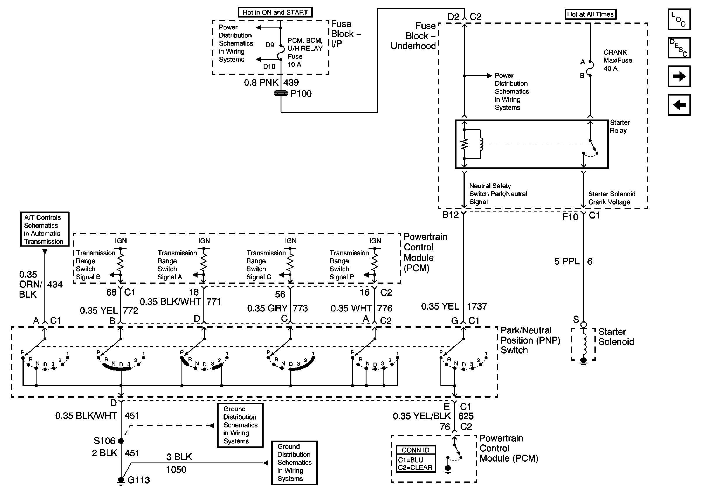
🢒 01 W-Car Olds: Engine Controls (Transaxle Range Switch Outputs)
01 W-Car Olds: Engine Controls (Transaxle Range Switch Outputs)
PNP Switch Outputs
Master Electrical Component List original
Powertrain Control Module Description
01 W-Car Olds: Engine Controls (Automatic Transaxle Inputs)
01 W-Car Olds: Engine Controls (A/C Request and A/C Clutch Relay Controls)
BTSI, Turn Signals/CORN LPS, Air Bag, Cluster, PCM/BCM/Crank/IGN Fuses
BTSI, Turn Signals/CORN LPS, Air Bag, Cluster, PCM/BCM/Crank/IGN Fuses
Ground G113
Grounds G113, G117, G119