GM Service Manual Online
For 1990-2009 cars only
Makes
🢒
Oldsmobile
🢒
2001
🢒
Intrigue
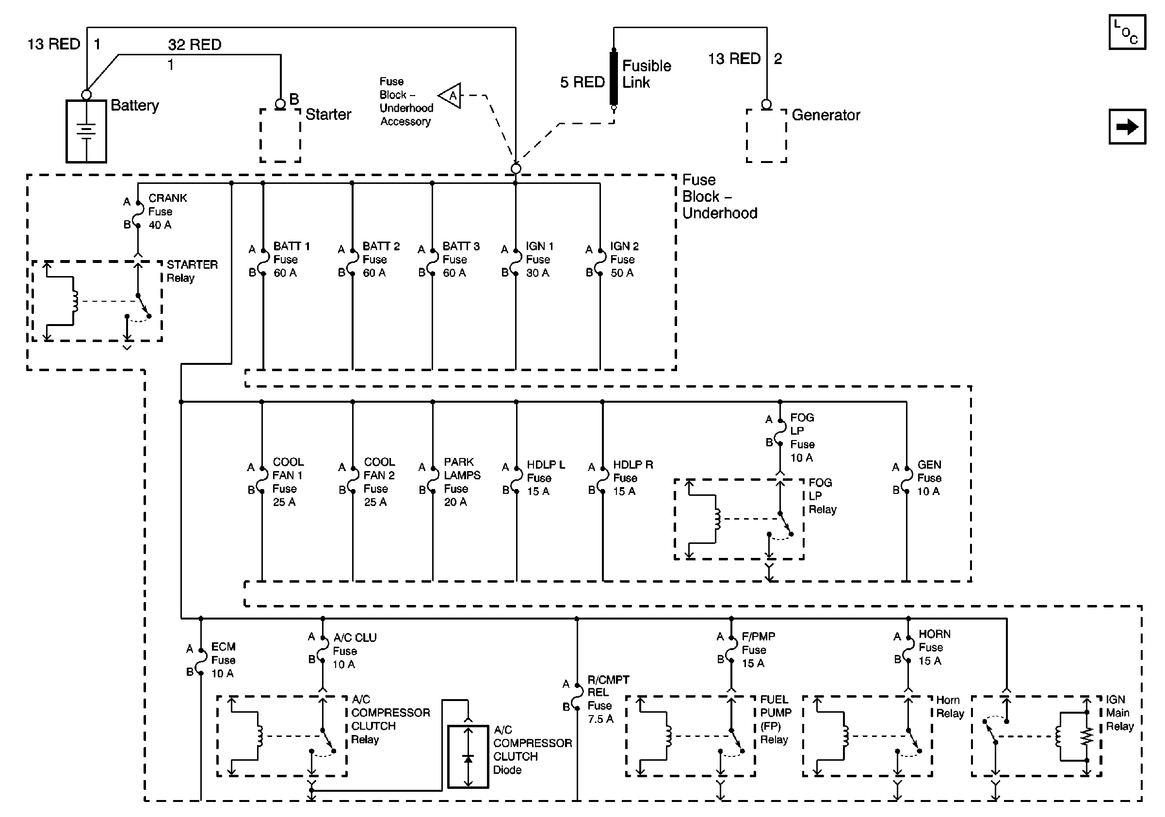
🢒 Battery, MaxiFuses, Fusible Link, CRANK, FOG, A/C CLU, R/CMPT, R/PMP, HORN, and IGN Main Relays
Battery, MaxiFuses, Fusible Link, CRANK, FOG, A/C CLU, R/CMPT, R/PMP, HORN, and IGN Main Relays
Battery, MaxiFuses, Fusible Link, CRANK, FOG, A/C CLU, R/CMPT, R/PMP, HORN, and IGN Main Relays
Master Electrical Component List original
Fusible Link, AIR Pump Relay, ABS Motor, ABS Valve and AIR Pump Fuses