GM Service Manual Online
For 1990-2009 cars only

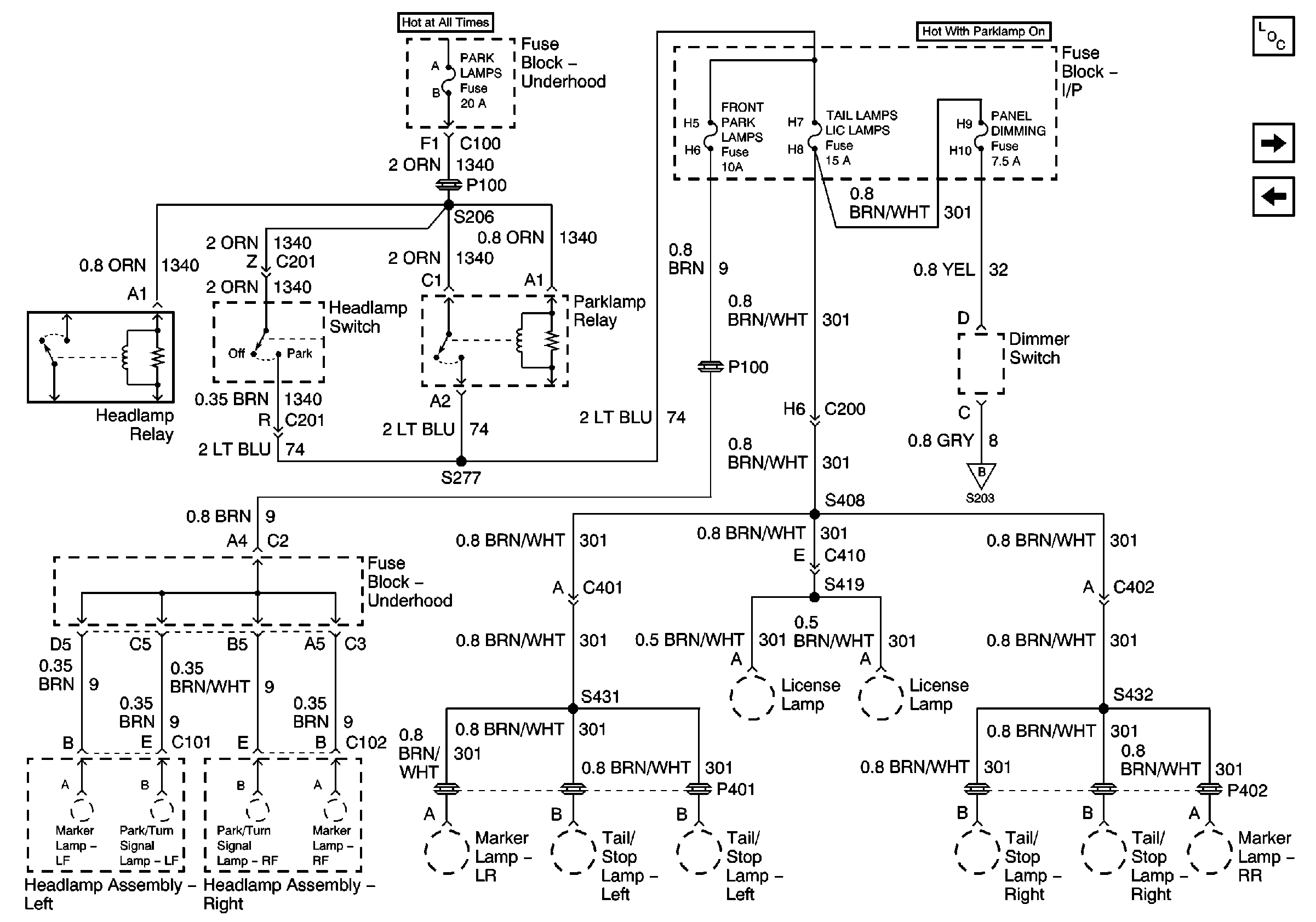
Park Lamps, Front Park Lamps, Tail Lamps/Lic Lamps, Panel Dimming Fuses, Headlamp Switch, Headlamp and Parklamp Relays

Park Lamps, Front Park Lamps, Tail Lamps/Lic Lamps, Panel Dimming Fuses, Headlamp Switch, Headlamp and Parklamp Relays


Object Number: 677383  Size: FS
Master Electrical Component List original
I/P Lamps Power Distribution
R/CMPT, ECM, GEN, HDLP L and HDLP R Fuses and Deck Lid Release Relay