GM Service Manual Online
For 1990-2009 cars only
Makes
🢒
Oldsmobile
🢒
2001
🢒
Intrigue
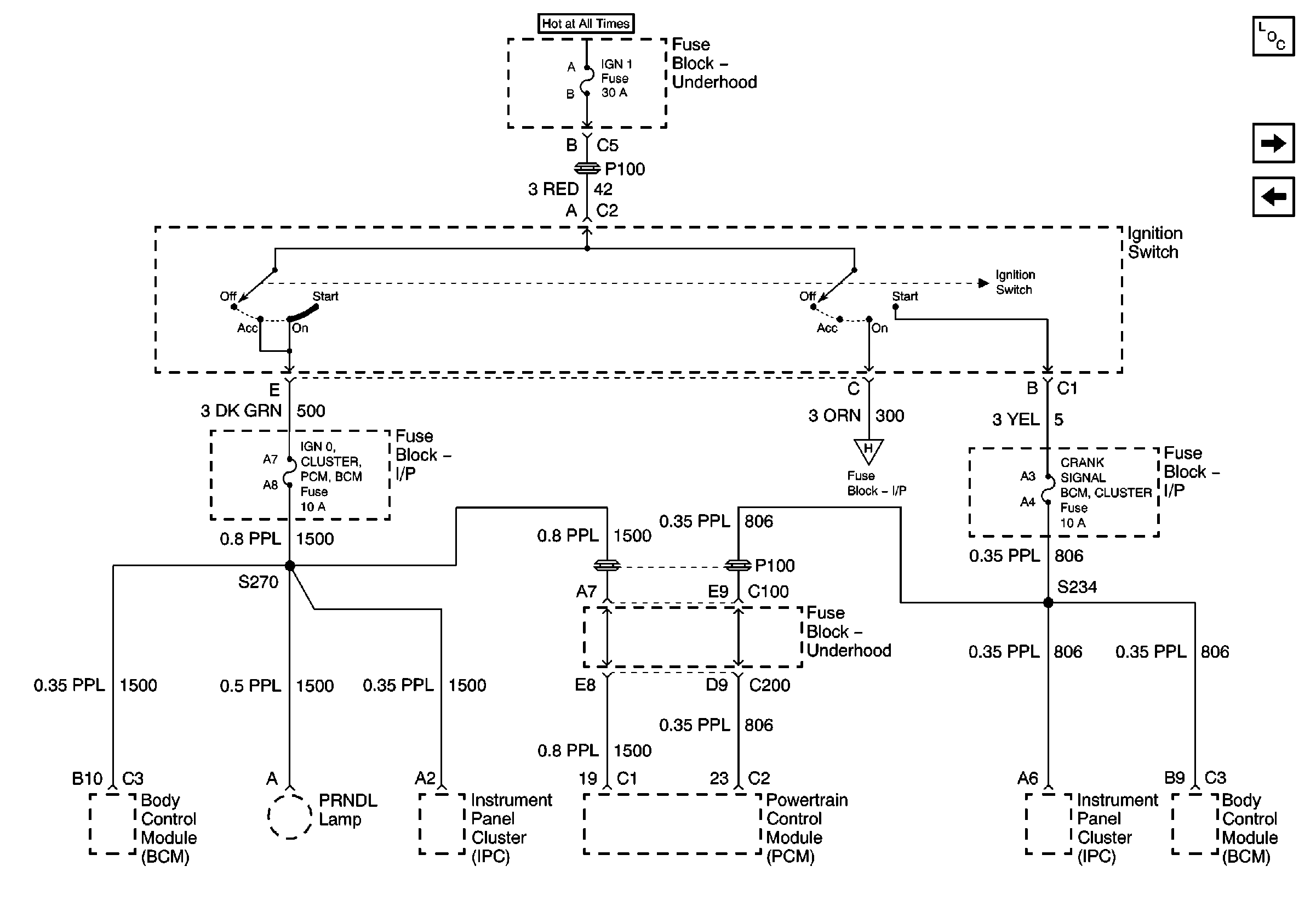
🢒 IGN 2, IGN 0/Cluster/PCM/BCM, Crank/Signal/BCM/Cluster Fuses
IGN 2, IGN 0/Cluster/PCM/BCM, Crank/Signal/BCM/Cluster Fuses
IGN 2, IGN 0/Cluster/PCM/BCM, Crank/Signal/BCM/Cluster Fuses
Master Electrical Component List original
Low Blower, Cruise and HVAC Fuses
BTSI, Turn Signals/CORN LPS, Air Bag, Cluster, PCM/BCM/Crank/IGN Fuses