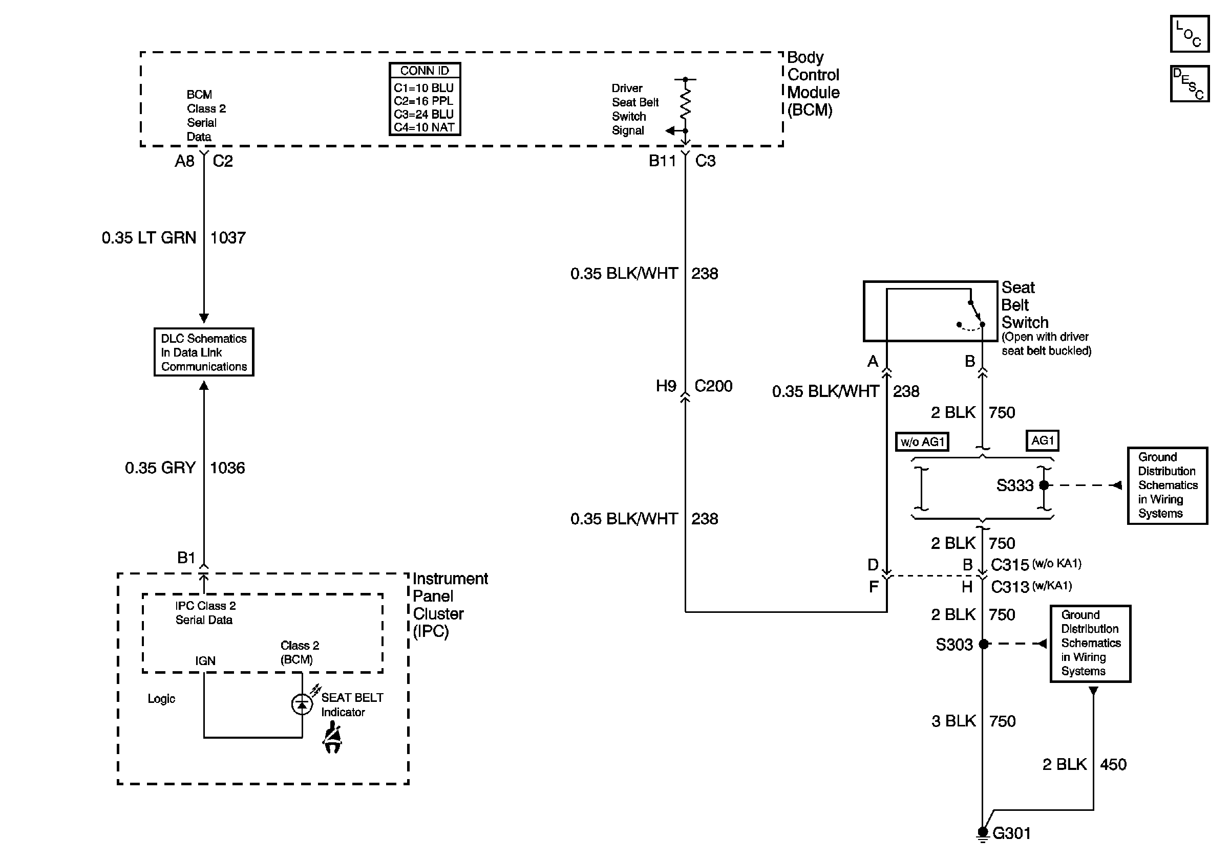
GM Service Manual Online
For 1990-2009 cars only
Makes
🢒
Oldsmobile
🢒
2002
🢒
Intrigue
🢒
Restraints
🢒
Seat Belts
🢒 Seat Belt Schematics
Master Electrical Component List
Seat Belt System Description and Operation
DLC, and Splice Pack
G301 (2 of 3)
G301 (1 of 3)